Thank Crossroads,
Could I ask what part you would recommend for the p channel MOSFET and how I figure out the value and power rating of the pullup resistor.... Thanks again
Thank Crossroads,
Could I ask what part you would recommend for the p channel MOSFET and how I figure out the value and power rating of the pullup resistor.... Thanks again
Pullup resistor is not critical, 5K probably plenty.
P=V^2/R = well under 1/8W.
P-channel MOSFET - see whats affordable:
Your "P Channel" Mosfet is turned on all the time. If the gate cannot go to the source voltage, it cannot turn off. A P channel Mosfet is turned on by pulling the gate below the source voltage. In this case the Vcc for the selector chip is 5 volts and the Source voltage for the Mosfet is 12 Volts therefore the gate is always at -7 volts in the off state (relative to the source voltage thus fully enhanced or turned on as Vgth is about -2 / -3 volts. I would suggest you draw an accurate schematic and carefully analyze each part as to function. If you wanted to turn on the P Channel Mosfet from the 5 Volt logic you are using then you need an NPN transistor (a 2N3904 is ok), collector through a 10K resistor to the gate of the Mosfet, emitter to ground, leave the pull-up you have on the gate as Mosfets don't suffer from the base emitter leakage that bipolar transistors do but the gate is very a very high impedance input and must be protected from external leakage and noise from other circuitry so a pull-up is required. Use a 10 K base resistor to the '595 output pins and when a selected output goes high it will pull down the gate down and turn on the Mosfet placing the source bias voltage on the drain. You could of course use an N channel Mosfet in place of the NPN transistor, a 2N7000 would work well but there is no electrical requirement for a Mosfet. Your schematic has some serious errors in it's logic. IMO
Doc
Hi Doc, Thanks for your input - would you mind drawing your circuit so I can test it out  (parts to hand are the 2N7000G & TPIC6B595)
 (parts to hand are the 2N7000G & TPIC6B595)
The TPIC6B595 is an open drain output.
The Gate of the MOSFET will thus be 12V from the pullup resistor, and turned off, or ~0V from the TPIC6B595, and turned on.
No other transistor is needed.
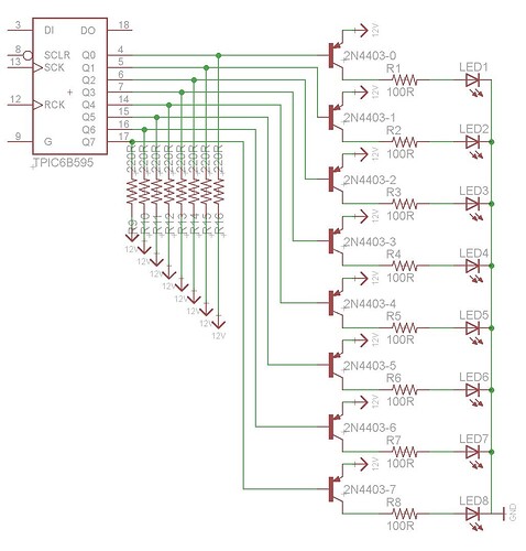
Thanks crossroads, I have now ordered some 2N4403 P type transistors to try. Can I check I have read the diagram right: drain to 12v, source to segment and gate to shifter/ pulled up to 12v via 5k resistor. Thanks, will let you know how I get on.
Okay, thats not a P-channel MOSFET, that is a PNP transistor.
http://www.fairchildsemi.com/ds/2N/2N4403.pdf
Wire it up like figure 1 - connect 12V where it shows ground and the LED string to where it shows -30V.
I went for a non-MOSFET as P type mosfets seem to be about 10x more expensive and rare in a TO92 package (what I have space for) - hoping it will work.
Figure 1 shows a 50R resistor going from gate to GND.... What value should i use and would it go to GND or 12v? Thanks for pointing me in the right direction.
I'm thinking something that the shift register won't have to sink as much current thru.
Try a 1K to 12V and see how it goes. If the LEDs are not turning full off when the Gate is high, then go a little smaller.
Hi - well good news in that the segments turn on as expected :-)... from there less good. The code is simply counting from 0-9 with a 1 second delay - first time round fine but the segments never go out they just very slowly fade away (over many seconds) - resetting the arduino doesn't reset the digit so the only way to clear the digit is to power the arduino and digit down and start again? Any idea what could be wrong?
point5:
Hi, I have been looking around for a nice solution to driving 3no. large 7 LED segment displays @ 12V and came across this thread: http://www.arduino.cc/cgi-bin/yabb2/YaBB.pl?num=1212882269/15 - the last post in the thread is very neat so happy to have found a good solution I headed out to find some Allegro 6278EAT chips for the project..... only to find they are out of production????? ??? ????????? ????? ?????????? ????????? ????? ????? ????? ????? ??? ????? ?????????? ???????? ???????? automasys.wordpress.com ????? ?????????????? ???????? ???? ????? ?????? AVR ARM LPC STM32 PIC dsPIC 8051 8086 z80 ????? ???????? ? ?????? ??ARM AVR PIC MicroController Electronic Project GPRS GSM USB BlueTooth Ethernet Network CAN I2C SPI RS485 Automation PLC ????? ????????? ??????????? ??? 8051 ???? ?????? ???????? Interface ???????? ?????? ??????? Visual Studio 2010 C# VB.Net Protel DXP Altium Eagle PCB SPICE PSPICE HSPICE ADS OrCAD Silvaco
I'm wondering if anyone can suggest an alterntive chip or an equally nice solution to the problem....
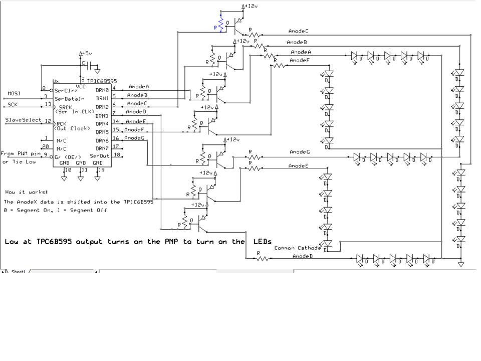
I suggest using ULN or UDN drivers or for better performance MBI LED driver series.
Lower the resistance on the PNP gate pullups - that should turn the current off better.
What are you using now?
Thanks - my first attempt was 1K, just tried 560R which had a similar result - how low can I go before I break something?
A quick update... now reduced the pullups down to 220R... things are improving but not there yet... just not sure if I will cause damage if I go too low?
Post your current schematic, lets review.
Okay, that Schematic as drawn will not work.
You need PNP's wired up like this:
http://www.mayothi.com/transistors.html
Now you're looking good!
I'm getting there slowly with your help  I have also just ordered Electronics for Dummies.....
 I have also just ordered Electronics for Dummies.....
I have the circuit breadborded out as per the last schematic but with 1K pullup resistors - it all seems to work great with the exception that the shift register IC gets too hot very quickly. Is there anything I can do to solve this?