5v relay generating +ve & -ve pulses

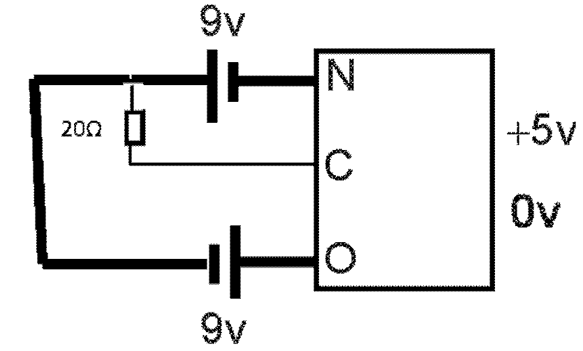
First post. please excuse dumb question and crude schematic. I want to use Arduino Uno R3 to sent alternate +9v and -9v pulses through 20 ohm load.Will this circuit do it? (I havedn't tried it because it looks too simple).


I've no idea whether this paste has created the schematic in this post.

Yes, at least for resistive load.

Thank you very much. You may have identified the problem: the load is an electromagnet (or possibly two in series) on an antique tickertape machine. Is it therefore not a resistive load? The resistance of the coils is 20 Ω. Do I need a different circuit?

You will need fly back protection from the voltage spikes produced by the collapsing EM field in the inductive load.

Yes, but it would be simpler with a DPDT relay or an H-bridge: you would only need one voltage source

Yes, +1 for H-bridge. With h-bridge you will need only one 9V battery.

Thanks to all who replied. I am now studying h-bridge modules which are obviously designed to do what I want.

This topic was automatically closed 180 days after the last reply. New replies are no longer allowed.