Arduino R3 stops working for some unknown reason.
Works 100% for few hours with no issue but gets jammed up
After a restart everything works again as expected from a-z.
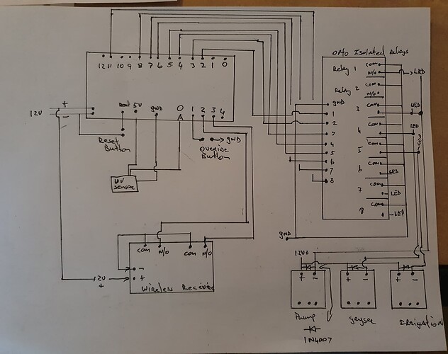
The scketch is to control a water pump mainly and to limit the amount of power(solar power) my house can utilize during the day without draining the solar batteries.
It gets complex as you can see the use of timers.
It appears after reading many topics it is a memory problem.
Any help to help me solve this pls.
enum STATES
{
WAITING,
RELEASED_AND_TIMING,
TIMING
};
STATES pumpOverride = WAITING;
enum STATES2
{
WAITING2,
RELEASED_AND_TIMING2,
TIMING2
};
STATES2 sunTimer = WAITING2;
enum STATES3
{
WAITING3,
RELEASED_AND_TIMING3,
TIMING3
};
STATES3 pumpTime = WAITING3;
const int overrideButton = A1;
const int pumpSignal = A2;
const int waterLevelOk = A3;
// Start outputs
const int warnLowUVsun = 2;
const int sunActiveIndicate = 3;
const int overridePump = 4;
const int tankPump = 5;
const int geyser = 6;
const int irrigationPump = 7;
const int uvStrong = 8;
const int pin_9 = 9;
const int pin_10 = 10;
const int pumpFailed = 11;
byte currentButtonState;
byte previousButtonState;
unsigned long waitStartTime;
unsigned long currentTime;
unsigned long waitOverride = 40*60000UL;
byte currentButtonState2;
byte previousButtonState2;
unsigned long waitStartTime2;
unsigned long currentTime2;
unsigned long waitSunTimer = 64800000UL;
byte currentButtonState3;
byte previousButtonState3;
unsigned long waitStartTime3;
unsigned long currentTime3;
unsigned long waitPumpfillTime = 10800000UL;
boolean sunActiveTiming = false;
boolean uvEnough = false;
boolean waterLow = false;
int uvValue;
const int UV_SENSOR = A0;
const int UV_THRESHOLD2 = 50;
const int UV_THRESHOLD3 = 60;
const int UV_THRESHOLD4 = 150;
const int UV_THRESHOLD5 = 350;
const int UV_THRESHOLD6 = 450;
const int UV_THRESHOLD7 = 500;
const int UV_THRESHOLD8 = 600;
const int UV_THRESHOLD9 = 700;
unsigned long RelayStartTime;
unsigned long RelayStopTime;
unsigned long RelayStartTime1;
unsigned long RelayStopTime1;
unsigned long RelayStartTime2;
unsigned long RelayStopTime2;
unsigned long RelayStartTime3;
unsigned long RelayStopTime3;
unsigned long RelayStartTime4;
unsigned long RelayStopTime4;
unsigned long RelayStartTime5;
unsigned long RelayStopTime5;
unsigned long RelayStartTime6;
unsigned long RelayStopTime6;
unsigned long RelayStartTime7;
unsigned long RelayStopTime7;
void setup()
{
pinMode(overrideButton, INPUT_PULLUP);
pinMode(pumpSignal, INPUT_PULLUP);
pinMode(waterLevelOk, INPUT_PULLUP);
pinMode(warnLowUVsun, OUTPUT);
pinMode(sunActiveIndicate, OUTPUT);
pinMode(overridePump, OUTPUT);
pinMode(tankPump, OUTPUT);
pinMode(geyser, OUTPUT);
pinMode(irrigationPump, OUTPUT);
pinMode(uvStrong, OUTPUT);
pinMode(pin_9, OUTPUT);
pinMode(pin_10, OUTPUT);
pinMode(pumpFailed, OUTPUT);
digitalWrite(warnLowUVsun, HIGH);
digitalWrite(sunActiveIndicate, HIGH);
digitalWrite(overridePump, HIGH);
digitalWrite(tankPump, HIGH);
digitalWrite(geyser, HIGH);
digitalWrite(irrigationPump, HIGH);
digitalWrite(uvStrong, HIGH);
digitalWrite(pin_9, HIGH);
digitalWrite(pin_10, HIGH);
digitalWrite(pumpFailed, HIGH);
}
void loop()
{
float sensorVoltage;
float UV_Sensor_Value;
UV_Sensor_Value = analogRead(UV_SENSOR);
sensorVoltage = UV_Sensor_Value/1024*5.0;
uvValue = UV_Sensor_Value;
currentTime = millis();
currentTime2 = millis();
currentTime3 = millis();
switch (pumpOverride)
{
case WAITING:
previousButtonState = currentButtonState;
currentButtonState = digitalRead(overrideButton);
if (currentButtonState != previousButtonState)
{
if (currentButtonState == LOW)
{
digitalWrite(overridePump, LOW);
waitStartTime = currentTime;
pumpOverride = TIMING;
pumpTime = TIMING3;
}
}
break;
case TIMING:
if (currentTime - waitStartTime >= waitOverride)
{
digitalWrite(overridePump, HIGH);
pumpOverride = WAITING;
pumpTime = WAITING3;
}
break;
case RELEASED_AND_TIMING:
break;
}
switch (sunTimer)
{
case WAITING2:
previousButtonState2 = currentButtonState2;
currentButtonState2 = digitalRead(pumpSignal);
if (currentButtonState2 != previousButtonState2)
{
if (currentButtonState2 == LOW)
{
digitalWrite(sunActiveIndicate, LOW);
waitStartTime2 = currentTime2;
sunTimer = TIMING2;
}
}
break;
case TIMING2:
if (currentTime2 - waitStartTime2 >= waitSunTimer)
{
digitalWrite(sunActiveIndicate, HIGH);
sunTimer = WAITING2;
}
break;
case RELEASED_AND_TIMING2:
break;
}
if (sunTimer == 2 && uvValue > UV_THRESHOLD3 && pumpTime == 0)
{
digitalWrite(pumpSignal, LOW);
sunActiveTiming = true;
} else {
digitalWrite(pumpSignal, HIGH);
sunActiveTiming = false;
}
switch (pumpTime)
{
case WAITING3:
previousButtonState3 = currentButtonState3;
currentButtonState3 = digitalRead(pumpSignal);
if (currentButtonState3 != previousButtonState3)
{
if (sunActiveTiming == 1 && uvEnough == 1)
{
digitalWrite(tankPump, LOW);
waitStartTime3 = currentTime3;
pumpTime = TIMING3;
}
}
break;
case TIMING3:
if (currentTime3 - waitStartTime3 >= waitPumpfillTime || uvEnough == 0)
{
digitalWrite(tankPump, HIGH);
digitalWrite(sunActiveIndicate, HIGH);
sunActiveTiming = false;
pumpTime = WAITING3;
sunTimer = WAITING2;
}
break;
case RELEASED_AND_TIMING3:
break;
}
uvValue = UV_Sensor_Value;
if (uvValue > UV_THRESHOLD2){
if(millis()-RelayStopTime > 5000UL)
{
digitalWrite(warnLowUVsun, LOW);
uvEnough = true;
RelayStartTime=millis();
}
}
else if(millis()-RelayStartTime > 5000UL)
{
digitalWrite(warnLowUVsun, HIGH);
uvEnough = false;
RelayStopTime=millis();
}
if (digitalRead(waterLevelOk) == LOW)
{
waterLow = false;
}
if (digitalRead(pumpSignal) == LOW)
{
waterLow = true;
}
if (pumpTime == 2 && waterLow == 1)
{
if(millis()-RelayStopTime1 > 10*60000UL)
{
digitalWrite(pumpFailed, LOW);
RelayStartTime1=millis();
}
}
else if(millis()-RelayStartTime1 > 1000UL)
{
digitalWrite(pumpFailed, HIGH);
RelayStopTime1=millis();
}
if(uvValue > UV_THRESHOLD5)
{
if(millis()-RelayStopTime2 > 2*60000UL)
{
digitalWrite(geyser, LOW);
RelayStartTime2=millis();
}
}
else if(millis() - RelayStartTime2 > 2*60000UL)
{
digitalWrite(geyser, HIGH);
RelayStopTime2=millis();
}
if(uvValue > UV_THRESHOLD6)
{
if(millis()-RelayStopTime3 > 2*65000UL)
{
digitalWrite(irrigationPump, LOW);
RelayStartTime3=millis();
}
}
else if(millis() - RelayStartTime3 > 2*65000UL)
{
digitalWrite(irrigationPump, HIGH);
RelayStopTime3=millis();
}
if(uvValue > UV_THRESHOLD7)
{
if(millis()-RelayStopTime4 > 2*70000UL)
{
digitalWrite(uvStrong, LOW);
RelayStartTime4=millis();
}
}
else if(millis() - RelayStartTime4 > 2*70000UL)
{
digitalWrite(uvStrong, HIGH);
RelayStopTime4=millis();
}
if(uvValue > UV_THRESHOLD8)
{
if(millis()-RelayStopTime5 > 2*80000UL)
{
digitalWrite(pin_9, LOW);
RelayStartTime5=millis();
}
}
else if(millis() - RelayStartTime5 > 2*80000UL)
{
digitalWrite(pin_9, HIGH);
RelayStopTime5=millis();
}
}

