hello!
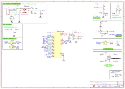
I'm currently using a ATSAMD21G18A in my design for a "precision" low burden current sensing device. this is my first time working with arm based devices (programming or otherwise), and I've had "bad luck" in the past missing dumb things in my microcontroller hardware implementations, and was wondering if anyone could take a quick look at my circuit/ PCB layout? I've based my implementation off of some existing development boards.
quick notes: USB "slave" device, battery powered. I am also not reading any "analog" values, just high or low values. i'm using a arm mcu mainly since i'm driving a 240x320 tft lcd, although the fpga does all the signal processing tasks as i'm more familiar in verilog, and need the performance. I will be using the pickit 4 programmer. the PCB layout is missing the inner two layers in the picture, GND and +3.3v. also attached is the full 10 page schematic if anyone is interested.
any input is appreciated. thanks.

