Common Negatives and/or GND??? A common question!!!

Hello amazing helpers!

Some of you have may have seen my previous posts and I have had some amazing help. One issue that has cropped up often is the GND issue. I have asked some questions, but in general, I have tried to work this out myself, but now I have my knickers in a twist.

I have read Perry´s post regarding Common Ground and other explainations. I understand for a circuit to be a circuit, you need a common ground.

Please can you help???

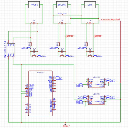
I own a yacht. It has 3 electric circuits. Engine, Generator and House. I want to read the voltages of each battery.

The Engine and Generator batterys have common negative. They have a switch, so if one of the batteries is low on charge, I can parallel the batteries and start the engine.

The House is a sparate circuit for pumps, lights and electronics. Its negative is not linked to the engine batteries. This can be charged via the generator, so I´m a bit confused regarding a common negative or ground between Generator Battery-Battery Charger-House Battery.

Below is a basic diagram of my project.

I use differential readings via voltage divider´s to get my voltages. Everything works fine on a test bench.
During questions I have previously asked, people on this forum, have quite rightly pointed out the lack of a common GND.

My question is...
How do I have a common ground? Do I have another link for each GND1,GND2,GND3? Or Common Negative link? And could I end up with a ground loop?

Any help will be massively appreciated.

TIA

Does the DC-DC converter have a common ground? How can the generator charge both 12V and 24V batteries? The problem here is that you are asking questions that only you can answer, since they amount to details about the circuit that you haven't posted (or perhaps haven't found). Have you taken an ohmmeter and just measured ground to ground?

Hay Aaarg,

Oh no this is going to be a mine field!

The DC-DC has a In- and Out-
The generator has two alternators. 12v for its own battery. 240v that powers a charger that charges the 24v.

When you say measure gnd-gnd where? There is 12v neg -24v neg.

Is there away to work this without knowing the answers?

No. Your only hope of that, is that all sailboats are wired in a certain way, and some sailboat captain will read this and respond. I know full well, that the DC-DC has an In- and an Out-. I can read it on the diagram, even though it's a bit fuzzy. But because it is just a box on a sheet of paper, I can't know whether it conducts ground between the two circuits. Hence, I am asking you to go measure it, or provide documentation on the converter.

Where to measure ground? Anywhere that you have doubts. :slight_smile: But anywhere you do that, measure voltage first so you don't blow the meter.

Already, from post #2, there are things you mention that aren't in the drawing. That is just going to make things more difficult.

You will never know for sure unless you go out with a DMM and test everything. So a lot of blah blah here in this case, I think is futile.

OK. I´m gunna go and trial a few things on this, as this isnt helping.

There must be away of doing what I am trying to do, there are units on the market doing this. Just I wanted to do it myself to put the data on my server.

Thanks again.

grichfitz:
OK. I´m gunna go and trial a few things on this, as this isnt helping.

Good. That is what a professional would do. The easiest and most interesting measurement would be between the DC-DC In- and Out-. If you have DC continuity there, then you have common ground with the "House" circuit.

Aarg,

That’s not my question...

My question is do I add a common gnd or a common negative from the engine start batteries to the house batteries. If I did and there is already a link would this cause a ground loop?

With few rare exceptions- All grounds connect together.

You seem to be confused about your vague DC-DC converter. If you measure the resistance from the -24V input and -5V output, you're likely to see them internally connected.

You can determine whether there ALREADY IS a ground link by using your multimeter.

As has already been suggested.

Thanks guys.

The DCDC convertor 24- and 5- are common. I apologize for not confirming this before.

If, I check with a multimeter, and find the house and engine battery neg are not common. Would it be an issue to connect them in my circuit? Or is this another can of worms??

Thanks again.

Read the house battery voltage relative to the house battery ground.

Why would you want to connect the house and engine battery grounds, if they are not already connected?

You say the house battery can be recharged using the generator. Please describe how the generator is connected to the house battery for this process. Hint: there must be at least two wires, or (same thing) one wire and a common ground.

There is no second generator or charger on your drawing. Measure the voltage between the house negative and the engine +, is it +12V? With the generator running?

grichfitz:
Thanks guys.

The DCDC convertor 24- and 5- are common. I apologize for not confirming this before.

If, I check with a multimeter, and find the house and engine battery neg are not common. Would it be an issue to connect them in my circuit? Or is this another can of worms??

Thanks again.

It does mean at least, that your schematic is wrong.

aarg:
Good. That is what a professional would do. The easiest and most interesting measurement would be between the DC-DC In- and Out-. If you have DC continuity there, then you have common ground with the "House" circuit.

aarg, sorry to stick my nose in here, but this topic gives me a headache and I had a few questions re your response.
What is the measurement you are reading DC-DC, continuity ?
You say DC continuity, is there AC continuity or just plain vanilla continuity ?

My head hurts

DC continuity means a conductor of direct current between the measured points.

A capacitor can provide AC continuity but not DC continuity.

Be very careful when "grounding" high current sources like batteries and generators. Every wire is a resistor and current flowing through a wire will cause a voltage drop. Big currents cause big voltage drops which may cause safety issues.
The only way to have a true ground is to have a good sized chunk of metal with all the grounds connected to that point. This is done in your house where the safety ground and the neutral wire are connected and then a heavy wire connects to a water pipe or ground post. There is only one connection point to prevent stray currents which can generate dangerous voltages.
If you have a 100 amp service in your house that's 100 amps of destructive current available which will do more than just smoke a PCB.
The best way to measure is use double pole relays and only connect to one source at a time or use isolators such as are used in measuring battery pack voltages. The difference in "ground" voltages will probably exceed the input capabilities of the Arduino at best and destroy it at worst. Even cows are aware of this: http://www.tri-countyrec.com/content/stray-voltage

JCA34F:
There is no second generator or charger on your drawing. Measure the voltage between the house negative and the engine +, is it +12V? With the generator running?

I would hope not. You want 14-17V to charge a lead-acid battery.

azeeman:
If you have a 100 amp service in your house that's 100 amps of destructive current available which will do more than just smoke a PCB.

I think the OP refers to "house" as the wheelhouse of the boat.

Everyone seems to have been confused because all this mention of a generator... There's no DC generator,
there are two alternators, one at mains level that powers a battery charger for the house system, ie its
probably isolated from the engine circuit.

If there's an actual ground (ie metal superstructure), then each system is probably best connected
to this, separately, for safety reasons (because of the mains level voltages in that second alternator).

I think they are best connected purely for safety - imagine the alternator + battery charger malfunction
and put a high voltage AC on the house system w.r.t. engine circuit? That's bad news.

Use three analog signal isolator modules and all your grounding headaches go away. Also, in a marine environment grounding is even more critical and you need to be careful with running wires everywhere causing corrosion problems.

One module is $20 and a lot less headaches.