Help with Power Circuit

Hey guys. This is a power circuit for a dev board I am working on.
image
Most of this was taken off of other designs and I have been trying to learn how these things work. VBUS in the +5V supply from the usb-c connector and VBAT is the voltage from a lipo battery. The top is a siimple charging circuit and the botton circuit selects between VBUS and VBAT and then sends it to a voltage regulator to create +3.3V.

My question is this: Suppose I wanted to SUPPLY +3.3V to the usb-c (VBUS) when operating on battery. Is there an easy way to do this? My concern is then you have VBUS = 3.3V and for Q1 V(gs)th is about -0.7V, then that wouldn't work once the battery got below about +4V.

Any suggestions are appreciated.

Fish

You can't power 3V3 on VBUS because the LDO needs at least 4V3 to work.
Check the ME6211C33 datasheet.

  • This is the voltage where the MOSFET is barely conducting.

  • We do not look at this when we are talking about controlling MOSFET conduction.

  • Label schematic voltages.

  • If possible, schematic flow should be drawn left to right, top to bottom, ground symbols pointed down.

  • Links to components should be provided.

  • Add USB connector.

1 Like

How much current does the 3.3V need to supply?

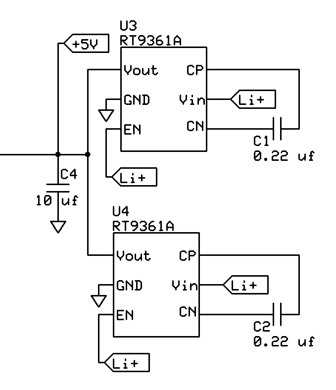
There are two ways to do this that I can imagine, both of which have shortcomings. The first idea is to use a chip like the RT9361A to boost the battery voltage to a regulated 5V, then feed that to your 3V3 regulator. However, the RT9361A only produces 100mA output at 5V, so you may need to parallel a couple of them together to get the current you need. For reference, I'm including a schematic of how to connect two RT9361A chips in parallel.

Another option would be to use a 3.3V zener diode. In this case you don't need much overhead at all, and the battery will power the 3V3 diode all the way until it is discharged to around 3.3V itself. The downside of this option is that a zener diode isn't a regulator, so if there are fluctuations in your input power, there will be fluctuations in your output voltage. Proper regulators provide several types of protection, none of which are available with a simple zener diode supply. Also, a zener diode is kind of wasteful, power wise, and you would have to find a big wattage version to supply a big amount of current. That means a big component that creates a lot of heat inside your circuit.

These are just the two suggestions off the top of my head. I hope this helps!

I suggest when you get this sorted out you post the full schematic for the board, I have a feeling somethings may not be spot on.

This topic was automatically closed 180 days after the last reply. New replies are no longer allowed.