Mosfeet IRF840

Guten Abend,

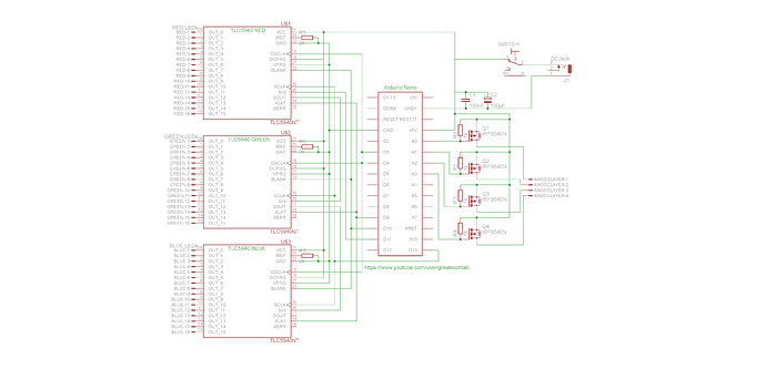
ich bräuchte mal bitte eure Hilfe bei einer Schaltung mit einem TLC5940 und einem Mosfeet IRF840 den ich nicht zum arbeiten bringe. Zeichnung angehängt.
Die Schaltung habe ich nachgebaut und funktioniert auch.
Nun wollte ich die Anode über ein Mosfeet erweitern und bekomme es nicht hin. Das 10K Poti wollte ich zum testen nehmen ab wann der Schaltpunkt eintritt. Aber so geht das wohl nicht.
Kann da mal jemand mir eine Hilfestellung geben?

Schüß der Lokgeist

Hallo,

wofür soll der MOSFET gut sein? Das IC kann doch per Software und PWM die LEDs in 12 bit Tiefe dimmen :wink:

Hallo nix_mehr_frei,

die Schaltung soll ja noch ausgebaut werden ( 4x4x4 RGB LED Würfel) und zu diesem Zweck soll diese Versterkerstufe eingebaut werden. Deshalb ist es mir wichtig daß dies funktioniert. Ich muß doch leider bei der Verschaltung etwas falsch gemacht haben und bitte deshalb um Hilfe.

Gruß
der Lokgeist

Meine Meinung funktioniert das nicht was Du machen willst.

Nimm statt des TLC5940 einfach WS2812 in 5mm LED-Gehäuse. So kannst Du 64 LED einzeln ansteuern. Du brauchst aber ein 5V 4A Netzteil.

Grüße Uwe

Sollte man nicht besser einen p-channel Mosfet nehmen, um Vcc zu schalten?

TTL Level ist es auch nicht, hier aber nicht so schlimm.

Hallo,

es soll eigentlich mal das Angefügte geben. Ich dachte mir nur ich fang mal erst klein an. Und bei dieser Schaltung sind nun mal diese Teile verbaut.

Gruß
der Lokgeist

In dem Schaltbild sind IRF9540. Und das sind P-Kanal. Siehe auch die Pfeil-Richtung.

Vielen Dank.

Mir ist nur die rechte Pfeilspitze aufgefallen die bei Beiden nach oben zeigt. Daher der Fehler mit P-Kanal respektive N-Kanal.
Besten Dank nochmal.

der Lokgeist

Auch wenn die Schaltung funktionieren würde wäre die Helligkeit der LED abhängig von der Anzahl der eingeschatenen LED weil der MOSFEt als regelbarer Vorwiderstand geschaltet ist..

Der TLC5940 hat 2 Regelsysteme. zum einen ein 12 Bit PWM und andererseits ein 6 Bit Dot Correction der den Strom der Konstantstromsenke regelt.

Willst Du den Würfel multiplexen oder möchstest Du jede LED direkt von einem TLC ansteuern?

Viele Grüße Uwe

Hallo Uwe,

der Würfel soll schon über den TLC gesteuert werden. So wie der von Instructables "http://www.instructables.com/id/Build-your-own-4x4x4-RGB-LED-Cube/"
Siehe auch Schaltbild weiter oben.
Leider mache ich zu viele Fehler. Wie das mit den Mosfeets. Oder wie den Würfel den ich eigentlich schon fertig habe. Aber in gemeinsame Katode statt Anode.
Gibt es von dem TLC5940 eventuell auch einen Typ der die Katode ansteuert?
Dann könnte es ja vielleicht doch noch passen.

Viele Grüße
der Lokgeist

Lokgeist:
Hallo Uwe,

der Würfel soll schon über den TLC gesteuert werden. So wie der von Instructables "http://www.instructables.com/id/Build-your-own-4x4x4-RGB-LED-Cube/"
Siehe auch Schaltbild weiter oben.
Leider mache ich zu viele Fehler. Wie das mit den Mosfeets. Oder wie den Würfel den ich eigentlich schon fertig habe. Aber in gemeinsame Katode statt Anode.
Gibt es von dem TLC5940 eventuell auch einen Typ der die Katode ansteuert?
Dann könnte es ja vielleicht doch noch passen.

Viele Grüße
der Lokgeist

Nein, meines wissens gibt es keinen LED-Treiber für die Ansteuerung der Anode. Die Ansteuerung der Kathode hat den Vorteil daß die Versogungsspannung der LED beim TLC5940 bis zu 17V sein kann.

Du mußt den Würfel neu löten mit den richtigen LED.

grüße Uwe

Hallo Uwe,

Habe besten Dank für die Infos.
Also auf ein Neues. Löten löten löten.

Tschüß
der Lokgeist

Lokgeist:
Mir ist nur die rechte Pfeilspitze aufgefallen die bei Beiden nach oben zeigt.

Das rechts ist kein Pfeil, sondern die parasitäre Body Diode. Die kann in manchen Anwendungen als Freilaufdiode verwendet werden. Manchmal ist sie aber auch unerwünscht oder hat zu schlechte Eigenschaften.