Newbie questions regarding transistor frequency

Hi, I need some help with figuring out which parts I should get.

PROJECT INFO (you can skip this)
Program on windows I've coded, communicating to a Nano which is hooked up to IR receiver / transmitter boards. The Nano can send learnt IR codes to the app and the app saves them and sends them via the Nano, so I can control my sound system using my C# app. It's working great but is far from portable since the Nano sits on a breadboard hooked up to Crowtail IR modules.

PLAN
--Ordering everything from a local store which doesn't have the biggest selection--

  • Moving this to a Seeeduino XIAO + making my own simple circuitboard.
  • I have to use another IR library but I found one with SAMD21 support.
  • TSOP1738 IR Receiver - should work with the 3.3V
  • IR LED - (60 mW/sr @ 100mA / 20 ms, Vf = 1.35V @100mA 20ms, ±17°, 940nm)
  • NPN BJT Transistor 2SC460

QUESTIONS
Never used a transistor before but I think I finally understand what is the important parts to remember.

  1. My biggest uncertainty is the transistor frequency. I've read people mentioning that the transistor needs to be around 150MHz. The IR modulation have a frequency of 38kHz so shouldn't anything faster than this be enough for the transistor? The IR transmitter board I'm currently using, uses an S9013 NPN transistor which has a frequency of 140MHz, so is it really needed or totally overkill? The Nano ATmega328 is only 16MHz after all..

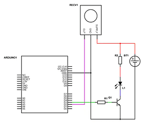
  2. Is there a better online eagle viewer than schematics.io? This is the schematics for the IR transmitter board but it's totally messed up.

  3. Regarding what transistor values to check:
    3.1 Vceo needs to be bigger than Vcc
    3.2 Vebo needs to be bigger than the signal from the arduino digital pin
    3.3 Ic max needs to be bigger (or equal?) to what you will supply. In this case an IR led @ 100mA. Is equal okay in this case when it's only pulsing and not constantly on?
    3.4 ft Yeah I'm confused about what the minimim frequency should be
    3.5 Vbe Needs to be smaller than the arduino digital pin signal
    3.6 Pc Uncertain about this also. Is this calculated from Vcc or the voltage drop over the transistor Vcesat? I think I read that the Vcesat during saturation is close to 0. So maybe Vcc then?
    3.7 The signal pin needs to be able to supply the Ib of the minimum hFE
    3.8 Vce needs to be smaller than (Vcc - Vf forward voltage of the IR led, in my case 1.35V)

EDIT: I'll use this schematics. The other one was just to find out what transistor was being used.

Perhaps those people wanted to sound more experienced than they are.

Most common NPN transistors would be fine in that application. You just need to make sure that it can easily handle (at least 2X) the expected current flow and will have low saturation voltage at that current flow (Vce(sat)), about 0.2V ideally.

I would not recommend to use the emitter follower configuration shown. Put the load in the collector circuit.

You can probably still download the free version of Eagle.

In digital applications the turn on/off times are important. The higher the transit frequency the steeper the slopes.

Important: 3.1 Vce, 3.3 Ic, 3.6 Pc, 3.7 Ib

Maximum analog power is typically consumed at Vce = Vcc/2. In switching applications the power dissipation in ON state is important, together with the duty cycle (ON time). Vcesat is reached only with enough Ib, a multiple of the Ib computed from Ic/hFE - see the saturation voltage diagram.

It is not required that the minimum Vcesat is reached, as long as the power dissipation is within range and enough voltage remains on the load.

Also see the remarks of @jremington.

Aah yeah I forgot to mention that I only used that schematics to find out the transistor they used.
Indeed I will put the load on the collector.

But is 2x the current really needed when I'm just pulsating it for very short time?

Okay I'll try and see if I can find the free Eagle program.

Never try to drive a semiconductor at near its rated absolute maximum. Common engineering practice is to build in a safety margin of at least a factor of 2.

Yeah that makes sense. I watched some video of someone using a slow mosfet and those slopes were really soft.

I read that you should always try to supply a bit more Ib if possible.

I understand, and that is important to remember when leaving the transistor on. But in my case when it's only active for a few milliseconds at most, will it cause a problem?

Thing is that my preferred store doesn't have any fast transistors with over 100mA Ic :sweat_smile:. I'll check tomorrow if I can find a better alternative.

In my opinion, it is either ignorance or stupidity to ignore common engineering practices. But certainly, have it your way.

It is not at all difficult to find a transistor that can easily handle 200 mA.

Consider using a logic level MOSFET instead.

2 Likes

Salvage one out of a discarded toy, IR remote, or just about any other bit of electronics.

True that, if ordering from Elfadistrelec, Mouser or Farnell, but I'm trying to get everything shipped in one go and from within my country.

I found a promising one ZTX652
Will have to check it out better tomorrow.

Yeah that's an option also. I have lot's of scrap circuit boards laying around at work. Nothing with IR but could still have something useful.

Way overthinking. Almost any general purpose transistor built after 1970 will do it quite well.

If you're so worried about transition times, have a close look at the LED specs.

You should not use a saturated switch to drive an IR power LED.
That makes the transistor slow.

IR power LEDs are best driven by a two-transistor constant current pair.
A 2N2222 or BC337 is the perfect choice for Q1 that drives the LED.
Q2 (the limiter/brake) can be a BC547/548, 2N3904, and many others.
R1 could be about 470 ohm, and R2 must be calculated for the required peak LED current with Ohm's law, knowing it will drop 0.6volt.
That circuit can also drive two LEDs in series on a 5volt supply, for increased range.
Leo..

1 Like

I just did today.

Which also eliminates the need for a whopping big current limiting resistor.

Which is replaced by the whopping big heat sink of the power transistor, plus fan if required.

But does mean that the transistor dissipates much more power so should be appropriately rated and "heatsunk" if necessary.

1 Like

Oh, well. There's no free lunch.

Heat is never an issue with remote control transmitters.
The transistor is only active/pulsed for a very short time.
Leo..

Thanks for all the suggestions :slight_smile:

Yeah I guess but I'm a slow learner and this is how it works best for me.

I'm sure this is a good solution but I'd like to keep it as simple as possible. Plus both Elecrow and Seeed stick with one transistor on their boards.
I prefer not to use solutions I don't fully understand how they work (like never borrowing code from stack exchange which I don't fully understand). With one transistor it's fairly easy to understand how the current flows and what the voltages will be but two complicates it a bit too much for me at the moment :sweat_smile:

Indeed

I guarantee you, they didn't use any special transistor on those boards. Just the cheapest general purpose NPN they could source at the time.