NRF24L01 module burnt my arduino chip

Is there any possibility to flow over current though Arduino Mega (Atmega2560) module while NRF24L01 module acting is an receiver mode?

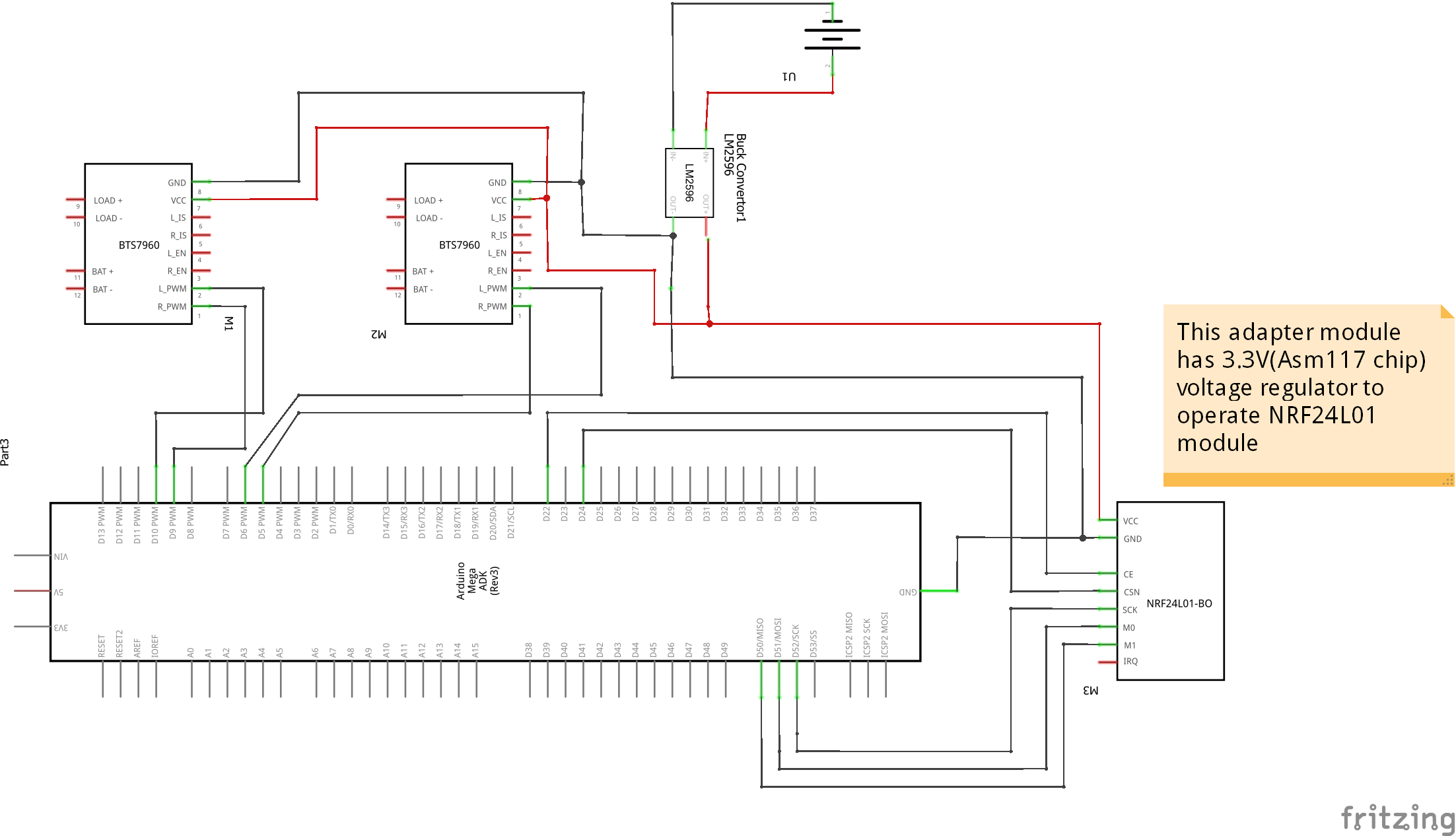
I have use adapter which has 3.3V voltage regulator to stabilize the power in NRF module. NRF24L01 Module connects with Arduino via MOSI, MISO & SCK pins. I also use NRF24L01 Module as transmitter & in that end I have used Arduino Nano. I don't have any problem in transmitting end. But in receiving end I face problem after running some time. Arduino Mega's (Atmega2560) Chip got burnt. I have control 2 BTS7960 motor driver to control 895 gear motor according to the signal received via NRF24L01.

2 Arduino Chip got burnt. 1st time Arduino Due got burnt in that case I have used SPI pin headers to connect the MOSI, MISO & SCK pins & in Arduino Mega I have used digital pins (51,50 & 52 ) accordingly.

Help us debugging the problem please.

Welcome to the forum

Please post a schematic of your circuits

I am not sure that you will understand my bad drawing sorry for that

Understanding might be possible, if that were a schematic. Please try again. While you're at it, read:
How to get the best from this forum
And finally, please explain why this is in the Networking subforum, when it's clearly a basic electronics or general problem. I think the thread should be moved.

I have updated the diagram
does it understandable now?

Is that the whole thing? Is there anything else connected to Mega's 5V, 3.3V? I see nothing untoward on your drawing, unless the NRF or BTS modules must only have 3.3V signals, and even there, I would expect that those modules might be damaged by a 5V signal from the Mega, but I wouldn't expect the Mega to suffer damage. Something is missing here.
What's powering the Mega, USB?

I forgot to add 5V connection in the mega
I have connected 5V from buck module into 5V pin of arduino mega

I found in the datasheet that BTS7960 module works fine in 5V input
are you sure that i have to supply 3.3V in BTS7960 module?

Hi, @tac_31
Welcome to the forum.
Thanks for the schematic.

Can you please post image(s) of your project so we can see your component layout?

What IC on the overloaded boards got HOT?

How much current do the motors need?
Can you please post a link to data/specs?

What are you using as a power supply for the motors.
Can you please include ALL power sources and your motors in the schematic.

Can you please post a circuit diagram of your project, including power supplies, use a pen(cil) and paper and show an image of it would be fine.
That way you can draw the proper symbols for your components.
Try not to use diagonal wires.

Thanks.. Tom... :smiley: :+1: :coffee: :australia:

I have used 5S (19.5V) to powerup the motors 895 with gear box. It can handle upto 90 KG-cm torque. According to datasheet it might draw high current like 20-25A & in Stall upto 30-35A ( according to datasheet not measured by me in practical, It might vary as it is Chinese manufactured motors! ). From that 5S battery I have used step down buck module to regulate voltage to 5V & supply it to BTS7960 motor driver module to powerup the ICs as well as Arduino Mega 2560, & NRF24L01 adapter module.

After running some time my Arduino chip became hot & i think some portion of it might be burnt as I am unable to upload new code but existing code is still working!
ArduinoMega2560_R3_Front-450x300

No, since I had no data sheet I was merely suggesting that IF it was a 3.3V device, it MIGHT have a problem. Either you can do the research so we don't have to theorize, or you can provide schematics and data sheets and pictures, and we can work together on it.

BTS7960 Motor Driver (1).pdf (1.1 MB)
I have worked with BTS7960 Motor driver & it works fine earlier.
But This time I have updated two things

  1. Motor & gearbox (895 + gearbox) which can handle larger torque & draw large amount of current .

  2. For communication I have used NRF24L01 Module

in the past I used HC-05 Bluetooth modules to communicate.

But i think motor driver might get burnt if it cannot handle high current or load from motor which was not happened.

NRF24L01 uses SPI communication can it burn my Arduino chip?
I am actually confused which one is the culprit & why this kind of problem is happened I still failed to debug!

All I can see at this point is that your buck converter is misbehaving. Have you tested it under various load conditions?

Hi,

Thanks.. Tom.. :smiley: :+1: :coffee: :australia:

This topic was automatically closed 180 days after the last reply. New replies are no longer allowed.