(VISUINO)problem on arduino ide : mitov_standardserial.h no such file or directory
i try any tutorial on youtube robo papa and mitov tutorial how to use visuino,and im beginer,so after i have finished connect each component that i heve been made,and send it to arduino IDE(SHIFT+F9) and the problem appear mitov_standardserial.h no such file or directory. and i try to add with select menu in arduino by tools>manage library and write mitov library doesnt exsist.how to solve this?thanks
===============
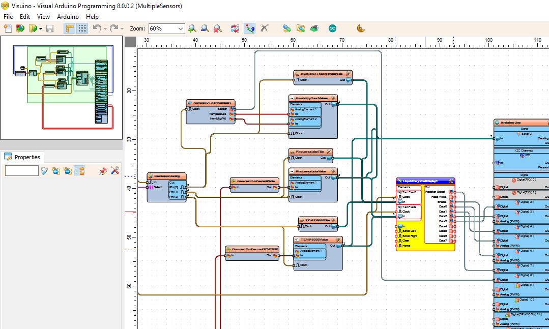
design component image in visuino:
also appearing this massage when sending the design result to arduinoIDE.

==================
this is problem result while arduino IDE after finished complete compile the code.
Arduino: 1.8.12 (Windows 10), Board: "Arduino Uno"
C:\Program Files (x86)\Arduino\arduino-builder -dump-prefs -logger=machine -hardware C:\Program Files (x86)\Arduino\hardware -hardware C:\Users\ridho\AppData\Local\Arduino15\packages -tools C:\Program Files (x86)\Arduino\tools-builder -tools C:\Program Files (x86)\Arduino\hardware\tools\avr -tools C:\Users\ridho\AppData\Local\Arduino15\packages -built-in-libraries C:\Program Files (x86)\Arduino\libraries -libraries C:\Users\ridho\Documents\Arduino\libraries -fqbn=arduino:avr:uno -ide-version=10812 -build-path C:\Users\ridho\AppData\Local\Temp\arduino_build_426110 -warnings=none -build-cache C:\Users\ridho\AppData\Local\Temp\arduino_cache_754059 -prefs=build.warn_data_percentage=75 -prefs=runtime.tools.avrdude.path=C:\Users\ridho\AppData\Local\Arduino15\packages\arduino\tools\avrdude\6.3.0-arduino17 -prefs=runtime.tools.avrdude-6.3.0-arduino17.path=C:\Users\ridho\AppData\Local\Arduino15\packages\arduino\tools\avrdude\6.3.0-arduino17 -prefs=runtime.tools.avr-gcc.path=C:\Users\ridho\AppData\Local\Arduino15\packages\arduino\tools\avr-gcc\7.3.0-atmel3.6.1-arduino7 -prefs=runtime.tools.avr-gcc-7.3.0-atmel3.6.1-arduino7.path=C:\Users\ridho\AppData\Local\Arduino15\packages\arduino\tools\avr-gcc\7.3.0-atmel3.6.1-arduino7 -prefs=runtime.tools.arduinoOTA.path=C:\Users\ridho\AppData\Local\Arduino15\packages\arduino\tools\arduinoOTA\1.3.0 -prefs=runtime.tools.arduinoOTA-1.3.0.path=C:\Users\ridho\AppData\Local\Arduino15\packages\arduino\tools\arduinoOTA\1.3.0 -verbose C:\Users\ridho\Documents\Visuino\Generated\Generated.ino
C:\Program Files (x86)\Arduino\arduino-builder -compile -logger=machine -hardware C:\Program Files (x86)\Arduino\hardware -hardware C:\Users\ridho\AppData\Local\Arduino15\packages -tools C:\Program Files (x86)\Arduino\tools-builder -tools C:\Program Files (x86)\Arduino\hardware\tools\avr -tools C:\Users\ridho\AppData\Local\Arduino15\packages -built-in-libraries C:\Program Files (x86)\Arduino\libraries -libraries C:\Users\ridho\Documents\Arduino\libraries -fqbn=arduino:avr:uno -ide-version=10812 -build-path C:\Users\ridho\AppData\Local\Temp\arduino_build_426110 -warnings=none -build-cache C:\Users\ridho\AppData\Local\Temp\arduino_cache_754059 -prefs=build.warn_data_percentage=75 -prefs=runtime.tools.avrdude.path=C:\Users\ridho\AppData\Local\Arduino15\packages\arduino\tools\avrdude\6.3.0-arduino17 -prefs=runtime.tools.avrdude-6.3.0-arduino17.path=C:\Users\ridho\AppData\Local\Arduino15\packages\arduino\tools\avrdude\6.3.0-arduino17 -prefs=runtime.tools.avr-gcc.path=C:\Users\ridho\AppData\Local\Arduino15\packages\arduino\tools\avr-gcc\7.3.0-atmel3.6.1-arduino7 -prefs=runtime.tools.avr-gcc-7.3.0-atmel3.6.1-arduino7.path=C:\Users\ridho\AppData\Local\Arduino15\packages\arduino\tools\avr-gcc\7.3.0-atmel3.6.1-arduino7 -prefs=runtime.tools.arduinoOTA.path=C:\Users\ridho\AppData\Local\Arduino15\packages\arduino\tools\arduinoOTA\1.3.0 -prefs=runtime.tools.arduinoOTA-1.3.0.path=C:\Users\ridho\AppData\Local\Arduino15\packages\arduino\tools\arduinoOTA\1.3.0 -verbose C:\Users\ridho\Documents\Visuino\Generated\Generated.ino
Using board 'uno' from platform in folder: C:\Users\ridho\AppData\Local\Arduino15\packages\arduino\hardware\avr\1.8.3
Using core 'arduino' from platform in folder: C:\Users\ridho\AppData\Local\Arduino15\packages\arduino\hardware\avr\1.8.3
Detecting libraries used...
"C:\Users\ridho\AppData\Local\Arduino15\packages\arduino\tools\avr-gcc\7.3.0-atmel3.6.1-arduino7/bin/avr-g++" -c -g -Os -w -std=gnu++11 -fpermissive -fno-exceptions -ffunction-sections -fdata-sections -fno-threadsafe-statics -Wno-error=narrowing -flto -w -x c++ -E -CC -mmcu=atmega328p -DF_CPU=16000000L -DARDUINO=10812 -DARDUINO_AVR_UNO -DARDUINO_ARCH_AVR "-IC:\Users\ridho\AppData\Local\Arduino15\packages\arduino\hardware\avr\1.8.3\cores\arduino" "-IC:\Users\ridho\AppData\Local\Arduino15\packages\arduino\hardware\avr\1.8.3\variants\standard" "C:\Users\ridho\AppData\Local\Temp\arduino_build_426110\sketch\Generated.ino.cpp" -o nul
Alternatives for OpenWire.h: [Mitov]
ResolveLibrary(OpenWire.h)
-> candidates: [Mitov]
"C:\Users\ridho\AppData\Local\Arduino15\packages\arduino\tools\avr-gcc\7.3.0-atmel3.6.1-arduino7/bin/avr-g++" -c -g -Os -w -std=gnu++11 -fpermissive -fno-exceptions -ffunction-sections -fdata-sections -fno-threadsafe-statics -Wno-error=narrowing -flto -w -x c++ -E -CC -mmcu=atmega328p -DF_CPU=16000000L -DARDUINO=10812 -DARDUINO_AVR_UNO -DARDUINO_ARCH_AVR "-IC:\Users\ridho\AppData\Local\Arduino15\packages\arduino\hardware\avr\1.8.3\cores\arduino" "-IC:\Users\ridho\AppData\Local\Arduino15\packages\arduino\hardware\avr\1.8.3\variants\standard" "-IC:\Users\ridho\Documents\Arduino\libraries\Mitov" "C:\Users\ridho\AppData\Local\Temp\arduino_build_426110\sketch\Generated.ino.cpp" -o nul
Alternatives for Mitov_StandardSerial.h: []
Generated:18:10: fatal error: Mitov_StandardSerial.h: No such file or directory
ResolveLibrary(Mitov_StandardSerial.h)
#include <Mitov_StandardSerial.h>
-> candidates: []
^~~~~~~~~~~~~~~~~~~~~~~~
compilation terminated.
Using library Mitov in folder: C:\Users\ridho\Documents\Arduino\libraries\Mitov (legacy)
exit status 1
Mitov_StandardSerial.h: No such file or directory
