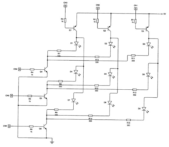
I have soldered up a 4x8 LED display for my arduino UNO, until I realized that programming would be much harder than I expected. I though that I could just use the bare minimum for arduino programming: - YouTube
void setup() {
pinMode (1, OUTPUT);
pinMode (2, OUTPUT);
pinMode (3, OUTPUT);
pinMode (4, OUTPUT);
pinMode (5, OUTPUT);
pinMode (6, OUTPUT);
pinMode (7, OUTPUT);
pinMode (8, OUTPUT);
pinMode (9, OUTPUT);
pinMode (10, OUTPUT);
pinMode (11, OUTPUT);
pinMode (12, OUTPUT);
pinMode (13, OUTPUT);
}
void loop()
{
digitalWrite(11, HIGH);
digitalWrite(2,LOW);
delay(100);
digitalWrite(12, HIGH);
digitalWrite(2,LOW);
delay(100);
digitalWrite(10, HIGH);
digitalWrite(3,LOW);
delay(100);
digitalWrite(13, HIGH);
digitalWrite(3,LOW);
delay(100);
digitalWrite(10, HIGH);
digitalWrite(4,LOW);
delay(100);
digitalWrite(13, HIGH);
digitalWrite(4,LOW);
delay(100);
digitalWrite(11, HIGH);
digitalWrite(5,LOW);
delay(100);
digitalWrite(12, HIGH);
digitalWrite(5,LOW);
delay(100);
digitalWrite(13, HIGH);
digitalWrite(5,LOW);
delay(100);
digitalWrite(10, HIGH);
digitalWrite(6,LOW);
delay(100);
digitalWrite(11, HIGH);
digitalWrite(7,LOW);
delay(100);
digitalWrite(10, HIGH);
digitalWrite(8,LOW);
delay(100);
digitalWrite(11, HIGH);
digitalWrite(9,LOW);
delay(100);
digitalWrite(12, HIGH);
digitalWrite(9,LOW);
delay(100);
digitalWrite(13, HIGH);
digitalWrite(9,LOW);
delay(100);
}
I ran this on my arduino and it happened to light up every LED on the matrix. I thought that it would pinpoint a specific led. Any ideas? If you know how to program a led matrix directly from arduino to the led's please help me. - YouTube

