Controllo di quattro motori tramite Arduino Uno e transistor di potenza...

Bubz:
Sei "troppo avanti" per noi comuni mortali! Torno a giocare con i sassi e i legni! Non t'invito, perchè ti annoieresti!

Evita di fare l'ironico perché la figuraccia la fai solo tu, non proporre schemi che sono errati, e ti ho pure detto il motivo, ed evita di addentrarti in argomenti nei quali stai dimostrando "ignoranza" (nel senso che non conosci la materia) per poi fare l'offeso non appena ti si fa notare che sbagli.

Grazie a tutti per le risposte ma sinceramente mi avesso messo abbastanza in difficoltà :slight_smile: Ora non capisco più se mi è possibile costruire un ponte h da solo, devo comprare uno o devo solo potenziare la scheda motori... Comunque per darvi un idea i motori sono due Megneti Marelli TGE404 BA 12V e due Megneti Marelli TGE423 A 12V... A vuoto mi consumano circa 2.0 ampere e a carico dai 6.5 ai 7.0 ampere... Ora se possibile chiederei di restringere il problema con una domanda... Mi conviene sostituire il driver L298P del controllo motori con uno che mi gestisca un corrente più alta dei due ampere che mi può dare, oppure costruirmi un ponte h per i motori tenendo conto che dovranno gestire correnti più alte dei 7.0 ampere?
Grazie a tutti per le risposte...

astrobeed:
Evita di fare l'ironico perché la figuraccia la fai solo tu, non proporre schemi che sono errati, e ti ho pure detto il motivo, ed evita di addentrarti in argomenti nei quali stai dimostrando "ignoranza" (nel senso che non conosci la materia) per poi fare l'offeso non appena ti si fa notare che sbagli.

[OT] Non faccio l'ironico: sono ben conscio dei miei limiti. Tu, invece, dovresti scendere dal tuo pulpito e magari, anche per far del bene a degli ignoranti come il sottoscritto, modificare, chessò, lo schema da me postato (così ci spieghi la "dead band" e come saturare più velocemente il gate del mosfet, cose che personalmente non sono in grado di fare e non conosco). Resto in attesa, visto che ho 3 nema34 che sto pilotando da una settimana con lo schema che ho postato e non vorrei friggere i mosfet e magari, ancora peggio, rovinare il motore della fresa per qualche "blocco sul pezzo"!

Ho visto i tuoi progetti su youtube e penso proprio tu sia nella poszione di poterci insegnare..., parecchio!

Bubz

Ciao Cippe

non sono un esperto di BB, forum ecc sono un manutentore/progettista di macchine (CNC ecc) ed e' la prima volta che mi intrometto via Internet in una discussione di questo tipo.
La mia visione dei problemi e' per forza di cose molto pratica ("...basta che mi fai andare la macchina...") ecc...
Complimenti a tutti siete bravissimi... a te volevo dire:

Scusami, la mia critica e' radicale, ma tu e i tuoi due colleghi avete fatto un progetto che porta a questo:

Un autoveicolo con una velocita' di circa 1 m/s (molto lento: l'uscita del motoriduttore del tergicristallo fa poco piu' di un giro al secondo al massimo).
Una coppia alla ruota di 10 N/m o piu' per quattro ruote motrici (esagerata).
Una potenza installata di 0.5 kWatt continui - 2.0 kWatt allo spunto o piu', cioe' moltissimo.
Una richiesta di corrente presumibile di circa 32 A/h.
Tutto questo andrebbe benissimo, ma solo scrivendoci sopra "New Holland" e se ci attacchi un aratro...
So all'incirca che nel modellismo dinamico 1/6 da competizione con potenze del genere si superano i 100 Km/h
(30 m/s) cioe' velocita' di un ordine e mezzo superiori
....
Il mio suggerimento pratico e' questo:

Compra su e Bay due motori passo passo da 50/100 N/cm per 2.0 A max tipo 28M063 (costano una fischiata, diciamo 30 euro tutti e due).
(Ad esempio: oggetto 380435331232, 160872076537, 160798532429 ecc su eBay).
La scheda Arduino e il driver vanno gia' bene come sono, ne devi solo comperare un'altra uguale perche' ce ne vuole una per ogni motore.
Alimenta tutto con 2 batterie da 12V 7 A/h (ci avevi pensato? a te ora serve una batteria da 12 V 32 A/h...)

Lascia stare i ponti a H da 150 A ecc, magari col tempo studiateli.
Costruisci un autoveicolo piu' semplice con 100/150 Watt di potenza installata - motori solo sulle ruote anteriori e che in confronto al tuo va come una fucilata (e in piu' fischia, il che fara' certamente impressione sui professori).

Ciao

adiabatico:
Ciao Cippe

non sono un esperto di BB, forum ecc sono un manutentore/progettista di macchine (CNC ecc) ed e' la prima volta che mi intrometto via Internet in una discussione di questo tipo.
La mia visione dei problemi e' per forza di cose molto pratica ("...basta che mi fai andare la macchina...") ecc...
Complimenti a tutti siete bravissimi... a te volevo dire:

Scusami, la mia critica e' radicale, ma tu e i tuoi due colleghi avete fatto un progetto che porta a questo:

Un autoveicolo con una velocita' di circa 1 m/s (molto lento: l'uscita del motoriduttore del tergicristallo fa poco piu' di un giro al secondo al massimo).
Una coppia alla ruota di 10 N/m o piu' per quattro ruote motrici (esagerata).
Una potenza installata di 0.5 kWatt continui - 2.0 kWatt allo spunto o piu', cioe' moltissimo.
Una richiesta di corrente presumibile di circa 32 A/h.
Tutto questo andrebbe benissimo, ma solo scrivendoci sopra "New Holland" e se ci attacchi un aratro...
So all'incirca che nel modellismo dinamico 1/6 da competizione con potenze del genere si superano i 100 Km/h
(30 m/s) cioe' velocita' di un ordine e mezzo superiori
....
Il mio suggerimento pratico e' questo:

Compra su e Bay due motori passo passo da 50/100 N/cm per 2.0 A max tipo 28M063 (costano una fischiata, diciamo 30 euro tutti e due).
(Ad esempio: oggetto 380435331232, 160872076537, 160798532429 ecc su eBay).
La scheda Arduino e il driver vanno gia' bene come sono, ne devi solo comperare un'altra uguale perche' ce ne vuole una per ogni motore.
Alimenta tutto con 2 batterie da 12V 7 A/h (ci avevi pensato? a te ora serve una batteria da 12 V 32 A/h...)

Lascia stare i ponti a H da 150 A ecc, magari col tempo studiateli.
Costruisci un autoveicolo piu' semplice con 100/150 Watt di potenza installata - motori solo sulle ruote anteriori e che in confronto al tuo va come una fucilata (e in piu' fischia, il che fara' certamente impressione sui professori).

Ciao

Ti ringrazio per la risposta... C'è un particolare che non ho scritto... E' vero che sono motori dei tergicristalli e che, normalmente, hanno il riduttore ma abbiamo fatto la piccola modifica di toglierlo lasciando solo il blocco che ferma il rotore e il cuscinetto... Per darti un idea carico un paio di foto (mi scuso per la qualità delle foto):2012-10-16 20.55.26 | Cippe1 | Flickr 2012-10-16 20.55.21 | Cippe1 | Flickr 2012-10-16 20.54.52 | Cippe1 | Flickr 2012-10-16 20.55.31 | Cippe1 | Flickr
Inoltre questi motori dispongono di quattro velocità quali "velocità 1 avanti" "velocità 2 avanti" "velocità 1 indietro" "velocità 2 indietro" quindi spero, e sottolineo spero, che mi bastino per muovere la macchina... Per le batterie ci stavamo ragionando proprio oggi dato che la scelta ricadeva su una batteria 40A/h oppure, come giustamente suggerisci te, 2 batterie in parallelo da 7.2A/h...
Rammento che il progetto è ancora nella fase preliminare, nella carta sembrava tutto semplice ma i veri problemi si fanno vedere solo adesso :stuck_out_tongue_closed_eyes:
Capisco la difficoltà del progetto e se non dovessi riuscirci, bè almeno ho tentato :slight_smile:

Bubz:
Tu, invece, dovresti scendere dal tuo pulpito e magari, anche per far del bene a degli ignoranti come il sottoscritto, modificare, chessò, lo schema da me postato (così ci spieghi la "dead band" e come saturare più velocemente il gate del mosfet, cose che personalmente non sono in grado di fare e non conosco).

Si da il caso che queste cose sono state spiegate più e più volte, sia da me che da altri, in questo forum pertanto non mi metto su nessun pulpito.
Brevemente:
La dead band è un tempo prefissato durante il quale nessun gate dei mos è attivo, serve per garantire la completa chiusura dei canali Drain-Source e prevenire qualunque possibilità di corto tra i rami, quanto deve durare, tipicamente tempi compresi tra 100 ns e 10 us, dipende dalle caratteristiche fisiche dei mos e dei relativi gate driver.
Per saturare rapidamente il gate di un mospower sono necessarie elevate correnti, parliamo di centinaia di mA, per via della capacità parassita presente sul gate, un comparatore non può fornire questa corrente e questo si traduce in una polarizzazione del gate "lenta" con la conseguenza che si prolunga la permanenza del canale Drain-Source nella zona lineare, ovvero canale non completamente aperto (= elevata Rds), con il conseguente surriscaldamento del mos, perdita di efficienza, periodi di conduzione simultanea dei dei rami.
Un mos power va pilotato tramite appositi circuiti in grado di fornire tutta la corrente per saturare/chiudere i gate nel minor tempo possibile, esistono ic dedicati per questo scopo.
Come ho già detto all'inizio di questo topic realizzare un ponte H per alte correnti non è una cosa semplice nemmeno per uno esperto.
In elettronica ci sono cose che non si possono autocostruire se non si è più che esperti in quel settore specifico, sia come teoria che pratica, e si dispone dell'idonea strumentazione per verificare i problemi ed eseguire la messa a punto, il ponte H per alte correnti è una di queste cose.
Poi che la rete sia piena di schemi, non solo di ponti H, apparentemente semplici è vero, però la maggior parte sono "bullshit", un progetto decente per un ponte H ad alte correnti è questo, può essere realizzato per correnti minori a seconda del tipo e numero di mospower impiegati, non è idoneo per l'uso con controllori pid perché non prevede la modalità LAP, però un uso generico in modo S/M va bene.
Per i motori stepper esistono una marea di soluzioni ottimali dedicate, a partire dalla storica accoppiata L298+L297, in tutti i casi è indispensabile utilizzare un ponte che prevede il feedback della corrente, cosa che il tuo schema non ha, perché gli stepper vanno controllati in corrente e non in tensione.

In caso lo schema è possibile trovarlo in giro?
Grazie per la risposta e spero di non aver causato problemi tra gli utenti...

Ciao Cippe

Dunque:

  • cercate di definire piu' che potete le grandezze fondamentali di quello che state costruendo. La massa, la velocita', le potenze ecc,
    Ovvio che i motori e le batterie non sai ancora quanto peseranno, quindi diciamo, ad esempio, che tutta la "cosa", se usate la plastica e non il legno, pesera' tra 8 e 15 Kg e avra' una velocita' max tra 4 e 5 m/s.

  • calcolate le forze e le potenze - andando a spanne se la "cosa" pesa 10Kg prevedete almeno 3Kg (meglio 5/6, altrimenti va solo in piano....) di spinta, da 30 a 60 N complessivi alle ruote.
    Se le tue ruote sono di 15 cm di diametro, con 4 ruote motrici ognuna deve avere almeno
    30/4 *15/2=56.25 N/cm di coppia vera all'albero (ma sarebbe meglio il doppio).

(quindi direi che i tuoi motori non sono adatti, senza un riduttore, Prova a misurare la coppia. Anche perche' questi motori girano bene tra i 2000 e i 10000 giri/min e quindi la velocita' minima della cosa, se si muovesse, dovrebbe essere di piu' di 50 Km/ora e la massima di 300 Km/ora...)

  • forse puoi di utilizzare i motori col loro riduttore alimentandoli a tensioni superiori ai 12V - controllando correnti potenze ecc - per cercare di raggiungere almeno i 2-3 m/s.
    (lavorare a 24V potrebbe anche abbassare le correnti a parita' di potenza. Puoi anche mettere in serie i motori, e pure realizzare dei "differenziali elettrici", ma e' tutto da verificare)
    Altrimenti o li butti o gli cambi i riduttori. Te li puoi costruire con delle pulegge.

  • a questo punto puoi provare con pochi soldi a autocostruire un booster e/o tutto un driver piu' potente, guarda qui,
    a me questo schema sembra valido (con una piastra fai 2 dei tuoi motori):
    http://www.ebay.it/itm/230870019654?_trksid=p5197.c0.m619
    (nell'inserzione al costo di 9 Euro ti danno solo PCB, cioe' schema, layout, stampato e consigli)
    Il materiale lo devi comprare (L6203 costa 4-5 euro). "Fisertalk" sta per Fisertek, credo.
    Secondo lo zio Adiabatico, potresti provare a entrare con 24V, limitare la corrente a 4.5A e vedere che succede, usando i motoriduttori, ovviamente.

Io penso comunque che dei passo passo tipo nema 17 o meglio 23 dovreste prenderli in considerazione - il driver che ti ho detto sarebbe ok.
Altrimenti seguite il suggerimento che ti hanno gia' dato di guardare al modellismo, soprattutto se volete autocostruirvi i riduttori (tipo 1 a 10 ad es.).

Ciao e auguri

Ps: preciso (ho riletto quello che ho scritto) che sono un modesto praticone... e' che scrivo di fretta, quel "progettista" con cui mi sono descritto e' un po' troppo - ho progettato e realizzato (non da solo) diverse macchine con controlli a PLC Logo S200 e qualcosa tipo PIC ecc, ma poca roba.
Piu' che altro sono uno di quelli che cercano di "far andare la macchina"... (frese, centri ecc).

adiabatico:
Ciao Cippe

Dunque:

  • cercate di definire piu' che potete le grandezze fondamentali di quello che state costruendo. La massa, la velocita', le potenze ecc,
    Ovvio che i motori e le batterie non sai ancora quanto peseranno, quindi diciamo, ad esempio, che tutta la "cosa", se usate la plastica e non il legno, pesera' tra 8 e 15 Kg e avra' una velocita' max tra 4 e 5 m/s.

  • calcolate le forze e le potenze - andando a spanne se la "cosa" pesa 10Kg prevedete almeno 3Kg (meglio 5/6, altrimenti va solo in piano....) di spinta, da 30 a 60 N complessivi alle ruote.
    Se le tue ruote sono di 15 cm di diametro, con 4 ruote motrici ognuna deve avere almeno
    30/4 *15/2=56.25 N/cm di coppia vera all'albero (ma sarebbe meglio il doppio).

(quindi direi che i tuoi motori non sono adatti, senza un riduttore, Prova a misurare la coppia. Anche perche' questi motori girano bene tra i 2000 e i 10000 giri/min e quindi la velocita' minima della cosa, se si muovesse, dovrebbe essere di piu' di 50 Km/ora e la massima di 300 Km/ora...)

  • forse puoi di utilizzare i motori col loro riduttore alimentandoli a tensioni superiori ai 12V - controllando correnti potenze ecc - per cercare di raggiungere almeno i 2-3 m/s.
    (lavorare a 24V potrebbe anche abbassare le correnti a parita' di potenza. Puoi anche mettere in serie i motori, e pure realizzare dei "differenziali elettrici", ma e' tutto da verificare)
    Altrimenti o li butti o gli cambi i riduttori. Te li puoi costruire con delle pulegge.

  • a questo punto puoi provare con pochi soldi a autocostruire un booster e/o tutto un driver piu' potente, guarda qui,
    a me questo schema sembra valido (con una piastra fai 2 dei tuoi motori):
    http://www.ebay.it/itm/230870019654?_trksid=p5197.c0.m619
    (nell'inserzione al costo di 9 Euro ti danno solo PCB, cioe' schema, layout, stampato e consigli)
    Il materiale lo devi comprare (L6203 costa 4-5 euro). "Fisertalk" sta per Fisertek, credo.
    Secondo lo zio Adiabatico, potresti provare a entrare con 24V, limitare la corrente a 4.5A e vedere che succede, usando i motoriduttori, ovviamente.

Io penso comunque che dei passo passo tipo nema 17 o meglio 23 dovreste prenderli in considerazione - il driver che ti ho detto sarebbe ok.
Altrimenti seguite il suggerimento che ti hanno gia' dato di guardare al modellismo, soprattutto se volete autocostruirvi i riduttori (tipo 1 a 10 ad es.).

Ciao e auguri

Ps: preciso (ho riletto quello che ho scritto) che sono un modesto praticone... e' che scrivo di fretta, quel "progettista" con cui mi sono descritto e' un po' troppo - ho progettato e realizzato (non da solo) diverse macchine con controlli a PLC Logo S200 e qualcosa tipo PIC ecc, ma poca roba.
Piu' che altro sono uno di quelli che cercano di "far andare la macchina"... (frese, centri ecc).

Ti ringrazio infinitamente per la tua risposta :slight_smile:
Per i motori è ormai impossibile utilizzare i suoi riduttori a meno che non trovo una Lancia Delta '88 che gira per strada e gli stacco l'intero tergiocristallo... I motori sono quelli che hai visto in foto e quindi devo tenere quelli; sostituirli sarebbe una spesa in più... La velocità posso gestirla tramite Arduino quindi posso decidere la coppia che voglio in teoria... La struttura mi pesa 5.8kg ed è in legno :smiley: mentre per la betteria se ne metto due da 7.2Ah mi vengono a pesare 5.8kg (2.9x2) e i motori pesano 0.81kg l'uno... In totale 14.84 kg... Una cosa non mi è chiara... Se non vado errato lo schema che tu hai riportato riguardo i motori passo-passo; mentre io ho 4 motori in continua... Quindi questo schema non dovrebbe andare bene giusto?
Grazie ancora per l'aiuto...

Ciao Cippe

Ho fatto due calcoli spannometrici, i tuoi motori avrebbero:

  • velocita' 3000-3600 giri/min
    (ho ipotizzato avessero un riduttore 50/60:1, puoi verificare contando i denti della ruota elicoidale, la vite e' sicuramente a 1 principio)
  • coppia 20-25 Ncm
    e la coppia teorica dei tuo motori piu' grossi, ipotizzando 120 watt a 3600 giri e un rendimento al 100%, sarebbe infatti 32 Ncm . Questo e' ovviamente un valore limite che non viene mai raggiunto.

Secondo me, 100 Ncm alle ruote (25 Ncm per 4 motori) non ti muovono la tua cassa da 15 Kg neanche in piano.
E' come spingerla con una forza di 1100-1400 grammi scarsi, per capirci.
Se ti va bene si sposta appena, ma intanto i tuoi motori stanno assorbendo 10 Ampere a rotore praticamente bloccato.
(tutt' altro discorso sarebbe coi passo-passo)
Se gli chiedi piu' coppia perche' altrimenti la cassa non si muove, gli devi dare piu' Ampere e questo servira' solo a bruciarli.
E/o a rovinare le batterie che stanno tirando 1000 watt appunto per riuscire a bruciare i motori.
Quindi per me e' anche inutile che ti preoccupi dei driver...

Come suggerimento, puoi provare a verificare il comportamento dei motori sotto carico con un sistema tipo batterie+darlington(s) di potenza e potenziometro, oppure se ce l'hai con un alimentatore capace almeno di 0-20 Volt 30 Ampere.

Ciao

Ps: come e' scritto anche nella documentazione della tua shield, con due ponti a H puoi pilotare
1 motore passo passo
oppure
2 motori in continua (a spazzole).
Ovviamente nello schema che ti ho segnalato, dovevi usare i due L6203, che sono due ponti a H da 5A di picco.
Ma questo implica l'uso o dei riduttori originali o almeno di due 10:1, sempre per limitare la corrente a (si spera) 5A di picco.
Altrimenti non va, ma questo te l'ho gia' detto.

Salve a tutti,

per quel che riguarda in generale il tema della discussione, a parte i problemi e le esigenze scolastiche di Michele, io personalmente NON userei shield compere, ponti a H e simili.

L' approfondimento su dead band ecc di astrobbed va benissimo anche se (io la dead band preferisco chiamarla conduzione parassita, tempo di incrocio, di interdizione o simili, ma solo perche' mi piacciono le parole che aiutano a fissare le idee) dead band per me e' un po' troppo pulp.. comunque tutto bene.

Secondo me con i motori a spazzole e' ancora molto piu' sensato usare dei semplici MOSFET anche grossi in PWM (+diodo) e un invertitore elettromeccanico. Con un relettino Finder con bobina da 12 V, 10/15A ai contatti su 2 scambi in questo caso (3-5 euro).
Il ponte a H sarebbe sostanzialmente inutilizzato.

Costo totale pochi euro, per andare indietro si toglie corrente e si eccita il rele' che inverte il collegamento al motore. Fa anche clik clik come i vecchi muletti...

Mi sbaglio?

adiabatico:
dead band per me e' un po' troppo pulp.. comunque tutto bene.

Dead band, o dead time, è il corretto nome nella letteratura tecnica.

Mi sbaglio?

Si, il ponte H serve anche per la frenatura elettrica e consente un controllo su due quadranti con il pilotaggio in S/M, su quattro quadranti (caso ottimale) con il pilotaggio in modo LAP.
Con il controllo tramite un singolo mos/transistor e un relè per l'inversione lavori solo su un quadrante per volta (caso peggiore) e non è adatto per il funzionamento di un rover.

Acc...
Astrobeed ha messo il dito sulla piaga.
Infatti io odio certi tipi di tecnicismo letterario di stampo anglofilo. Mi vengono anche le lacrime agli occhi dalla gioia quando sento i francesi parlare di logiciele e di ordinateur...
Vabbe', sono un italiano vero, e come tale sono convinto che abbiamo inventato tutto noi, anche se ultimamente... vabbe' lassem perde.

Anyway, ero convinto che:

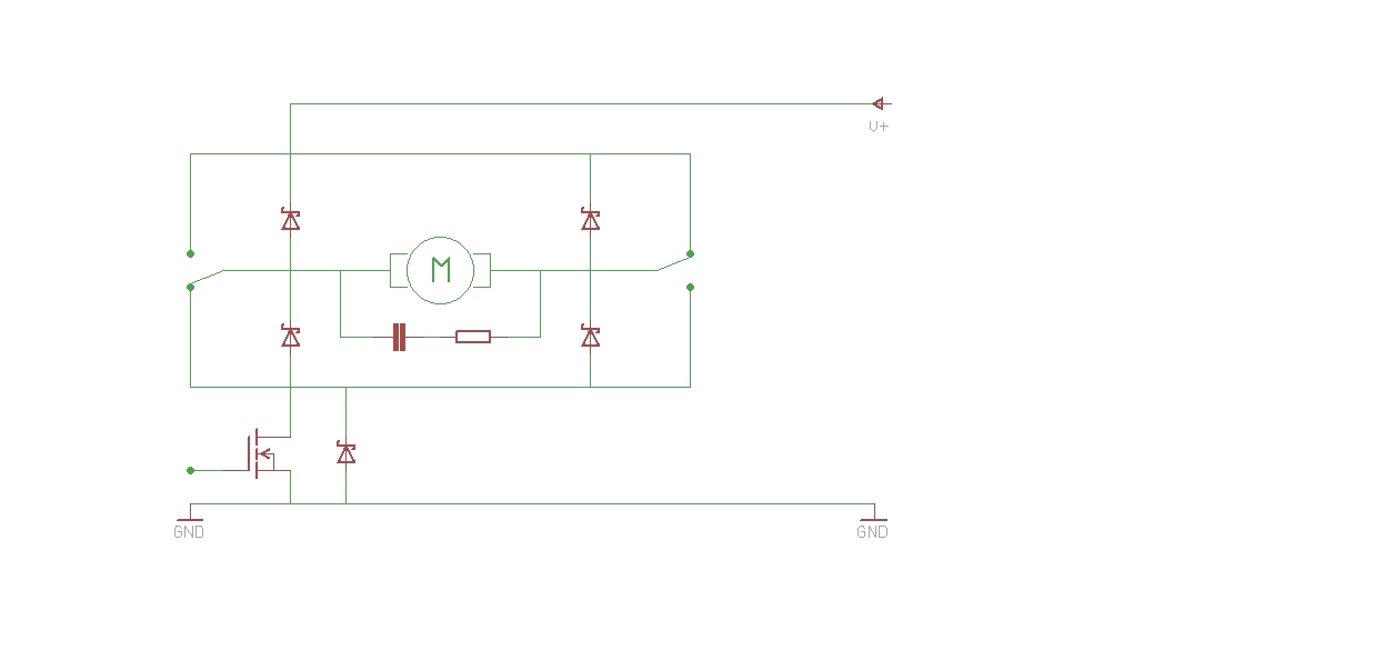
  • quel bel diodone in parallelo al mosfet facesse circolare la corrente nei condensatori, batterie e altri carichi nel momento in cui il motore diventa un generatore, allego uno schemino per spiegarmi
  • nulla vieta di frenare dinamicamente il motore dopo avere invertito col rele'

Approfondisco (ve l'avevo detto che sono un praticone).

Adieux

PWMmosfet.png

adiabatico:
Infatti io odio certi tipi di tecnicismo letterario di stampo anglofilo.

Dato che serve una lingua comune in campo tecnico, altrimenti diventa impossibile veicolare le informazioni, ed è l'inglese mi pare giusto utilizzare i termini tecnici in tale lingua, anche perché spesso sono di difficile traduzione in italiano e vengono fuori orrori come voltaggio e amperaggio :smiley:

  • quel bel diodone in parallelo al mosfet facesse circolare la corrente nei condensatori, batterie e altri carichi nel momento in cui il motore diventa un generatore,

No, il diodo cortocircuita la extratensione generata dal motore, e guai se non fosse così visto che può assumere valori altissimi mandando in avaria di tutto di più.

  • nulla vieta di frenare dinamicamente il motore dopo avere invertito col rele'

Non è così semplice, anzi la cosa è molto complicata e non è possibile spiegarla in modo esaustivo su un forum, si parte dai metodi di pilotaggio di un motore DC per arrivare alla teoria del controllo, e qui le cose si fanno veramente complicate e non è possibile spiegare le cose senza ricorrere alla matematica, tanta, e i formuloni.

Nooo, no er damper! No le extratensioni!!!
Quello dentro arcierchietto!

Accc!

Stacco un secondo sono al computer da ore.
Ma secondo te i francesi che sono molto meno in crisi di sudditanza verso gli anglosassoni allora la letteratura tecnica non la "veicolano"??? E i teteschi? Ormai coi Siemens sto diventando crucco anche io!
Nonno' il problema e' nostro - siamo noi che amiamo genufletterci e poi guardare a zio dall'alto in basso perche' non ha imparato bene la lingua del padrone come noi... l'inglisciu!

Vabbe' cio' non toglie che gli anglo sono anche bravi, of course... diciamo un tantinino invadenti.

Per quanto riguarda i formoloni, che poi a me pure piacciono, quando ho tempo (sabato prox spero) facciamo due schemini equivalenti della conduzione sui rami 1-4 e 2-3 con una resistenza eq RDS1+RDS4 in uno e RDS2+RDS3 nell'altro e il motore in serie e poi facciamo lo schemino col MOSFET unico ?

Sono curioso di vedere la differenza (stiamo parlando di frenatura di un DC a spazzole).

Se ci riesco approfondisco nel frattempo.
Abbi pazienza, vado a memoria...
Adieux

adiabatico:
Nooo, no er damper! No le extratensioni!!!
Quello dentro arcierchietto!

Vedi di esprimerti in modo tecnicamente corretto, il diodo implicito nei mospower spesso e volentieri non è sufficiente per la funzione di ricircolo, non tanto per la corrente che deve reggere quanto per il tempo necessario a passare da interdizione a conduzione, il che ci porta ad usare almeno uno snubber oppure un diodo esterno.
Dato che hai un diodo in anti parallelo sul motore nel momento in cui diventa un generatore lui va in conduzione e mette letteralmente in corto il generatore limitando al tensione ai suoi capi a circa 0.4-0.7 V a seconda della tecnologia del diodo, ovvero il diodo implicito del mospower non lavora mai con lo schema che hai proposto, aggiungiamo pure il fatto che con quello schema non puoi usare il relè per invertire il senso di marcia.

Facciamo due schemini equivalenti della conduzione sui rami 1-4 e 2-3 con una resistenza eq RDS1+RDS4 in uno e RDS2+RDS3 nell'altro e il motore in serie e poi facciamo lo schemino col MOSFET unico ?

Non serve nessuno schema, il punto è che con un singolo mosfet lavori solo nel quadrante 1, accelerazione + e coppia +, gli altri tre ti sono interdetti, non serve aggiungere altro.

Ringrazio ancora tutti per le risposte... I vostri consigli mi saranno molto utili... Vi farò sapere come andrà a finire :slight_smile:

Ciao Cippe, spero davvero di esserti stato utile e fammi sapere come e' andata a finire.
Comunque ricorda: cacciare moneta (=riduttori) vedere cammello...

Astrobeed... mah!

Ora non ho proprio tempo. E comunque... qualcosa devo pur dirti:
"quattro quadranti" non e' una formula magica come "abracadabra". E' un modello matematico di una realta' fisica.
E, nel caso di un motore cc a spazzole, si riferisce a velocita' e corrente su ascissa e ordinata e 1/periodo e coppia.

Detto questo, prima di permetterti di dire a me di esprimermi correttamente...

accelerazione + e coppia +

  1. L' accelerazione non c'entra un picchio coi 4 quadranti (la velocita' e' un' altra cosa).

il diodo implicito nei mospower

  1. Si chiama diodo "intrinseco".

il tempo necessario a passare da interdizione a conduzione

  1. Ma cosa dici? Stiamo parlando di frenare un motore CC! Si parla di secondi! E comunque Il diodo di ricircolo, il diodo damper, il diodo intrinseco o come lo chiami, fanno tutti la stessa cosa: portano il motore nel II (o IV) quadrante quando gli togli corrente. O no?
    E quindi, frena.

aggiungiamo pure il fatto che con quello schema non puoi usare il relè ...

  1. Me lo dimostri, per cortesia? Sei capace di buttare giu' un qualche schema e/o due righe?

Va bene, torniamo al discorso serio.

Prova a pensare cosa succede se un rele' inverte il N-S di un motore CC e poi guarda il I e il III quadrante (se andiamo) o il II e il IV (se freniamo).
Commuti da N-S a S-N e passi da I a III. O da II a IV. E viceversa, ovviamente.
Hai capito adesso?
Il circuitino (acc...!) era solo un esempio.
Il MOSFET infatti non ha bisogno del damper volendo glielo lasci. Altrimenti ne metti 4 sugli scambi del rele', esattamente come su un ponte a H. Potremmo dire che, se usato per commutare stabilmente, il ponte a H e' isomorfo al rele' (bello!).

Quindi tutta la tua tirata sui 4 quadranti

lavori solo nel quadrante 1 ... gli altri tre ti sono interdetti, non serve aggiungere altro.

e con che tono poi... mi fai la cortesia di spiegare cosa significa?
Se tu stesso dici "... e mette letteralmente in corto (...) il generatore", secondo te non frena?
Ma tu hai capito cosa vuol dire 4 quadranti ? Chiaro che in frenatura il controllo e', diciamo, discreto...

Bene, fai finta che non ti abbia detto niente - a me non interessa fare polemiche.
Il mondo e' pieno di "tecnici" che cercano di intimidire il prossimo con il cosfi e simili, sono troppo vecchio e ti assicuro che ne ho sentiti tanti di questi discorsi.
Ma e' molto meglio capire i concetti che sperare di intimidire l' interlocutore (e perche' poi?) sparando sigle in inglese o con la minaccia dei formuloni.

Ciao

Ps: appena posso posto uno schema il piu' possibile corretto e completo.

adiabatico:
L' accelerazione non c'entra un picchio coi 4 quadranti (la velocita' e' un' altra cosa).

Si da il caso che la velocità non sia altro che l'accelerazione moltiplicata per il tempo e quando si parla di controllo non si può escludere il tempo, comunque ti do per buono che nella rappresentazione canonica dei quattro quadranti si parla di velocità.

i2) Si chiama diodo "intrinseco".

Ok, vero in questo caso ho sbagliato io il termine.

i
Ma cosa dici? Stiamo parlando di frenare un motore CC! Si parla di secondi! E comunque Il diodo di ricircolo, il diodo damper, il diodo intrinseco o come lo chiami, fanno tutti la stessa cosa: portano il motore nel II (o IV) quadrante quando gli togli corrente. O no?
E quindi, frena.

Sbagliatissimo, prima di tutto lo scopo del diodo di ricircolo è proteggere dalle extratensioni generate dal carico induttivo, senza, o se è troppo lento, distruggi il mos/transistor, poi in quale quadrante si lavora dipende dalla configurazione del ponte H, ma anche dal modo in cui viene pilotato, e non certo dai diodi.
Per parlare di quadranti si deve parlare di controllo e sebbene sia vero che il diodo in parallelo al motore, mi rifaccio al tuo schema, scarica l'energia accumulata e hai un effetto frenante, per giunta di tipo parassita con conseguente perdita di efficienza, non è vero che hai un controllo su questa fase pertanto non puoi parlare di quadranti.
Con un solo mos lavori sempre e solamente nel quadrante 1, per poter operare su due quadranti servono almeno due mos per implementare un half bridge in modo da poter effettuare una vera e propria frenatura elettronica con recupero di energia.
Se poi il mezzo ponte h è del tipo ad alimentazione duale è possibile ottenere il controllo, o pilotaggio se preferisci, a quattro quadranti altrimenti serve la configurazione a ponte completo.

aggiungiamo pure il fatto che con quello schema non puoi usare il relè ...
4) Me lo dimostri, per cortesia? Sei capace di buttare giu' un qualche schema e/o due righe?

Semplicissimo, sempre stando al tuo schema con il diodo in parallelo al motore, nel momento in cui inverti la polarità tramite relè il diodo va in conduzione, non mi dire che intendi mettere il relè in parallelo al motore a valle del diodo perché è una cavolata.

Hai capito adesso?

Ho capito che vuoi solo accendere un flame, non ci casco, questo è il mio ultimo post di risposta su questo argomento.

Bene Astrobeed, non sentiro' la tua mancanza.

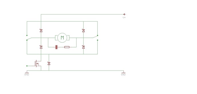
A parole sono buoni tutti, mettiamo giu' uno schema per cominciare.

I due deviatori sono gli scambi di un relettino tipo Finder da 10A e ovviamente commutano il senso di marcia.

Costo totale 10 euro.

Questo e' solo un primo esempio. In particolare si possono utilizzare 2 rele' invece di uno.
Ma e' molto semplice e mi sembra molto efficace.

Come chiunque e' in grado di capire, puo' lavorare in 4 quadranti. Visto che la ha citata e che e' cosi' bravo, lascio a Astrobeed la dimostrazione (banale) che con un motore CC a spazzole la frenatura della componente inerziale non e' MAI rigenerativa. Quindi, ancora una volta, ha detto la sua...

A parte Astrobeed e la sua spocchia, questo schema e' di cosi' poco interesse?