Encoder komplett nutzen am Arduino Pro Micro

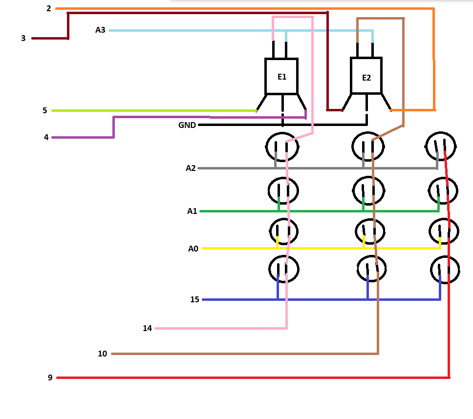
Schönen guten Abend wünsche ich. Ich habe mir eine Button Box für ein Nascar Wheel gebaut die auch soweit funktioniert..... ABER :smiley: die druck funktion meiner beiden Encoder geht nicht. An meiner Button Box die an der Seite am rig hängt funtionieren sie. Ich hab das gefühl das es an der programmierung liegt. Ich hoffe man kann mir anhand der Bilder helfen... wenn das überhaupt machbar ist....

Danke schon mal im vorraus.

LG Sebastian

Dazu solltest du schon dein Programm (Sketch) hier in Code-Tags posten. Dann können wir evtl. erkennen, wo du den Fehler machst.

Wenn ich jetzt noch weiss wo ich das Sketch ausfindig machen kann :face_with_peeking_eye:

Ich bin da noch nicht so bewandert drin... mache das alles bei Simhub.... habe den einfach mit der matrix belegt undsonst gar nichts gemacht. Komplett Noob halt.

Hab das über den Display clientV2 geöffnet aber was da was ist weiss ich beim besten willen nicht... bei der Button Box damals bin ich ner anleitung nachgegangen...

Da habe ich rausgelesen, dass es dein Programm ist, wenn nicht, kann ich da aktuell nicht weiter helfen. Denn das müsste evtl. angepasst werden, damit deine Encoder auch richtig funktionieren.

// J revision sketch
#define VERSION 'j'

// ----------------------------------------------------- PLEASE USE SETUP ASSISTANT AVAILABLE IN SUB FOLDER !!!! -------------------------------------------
// ----------------------------------------------------- PLEASE USE SETUP ASSISTANT AVAILABLE IN SUB FOLDER !!!! -------------------------------------------
// ----------------------------------------------------- PLEASE USE SETUP ASSISTANT AVAILABLE IN SUB FOLDER !!!! -------------------------------------------
// ----------------------------------------------------- PLEASE USE SETUP ASSISTANT AVAILABLE IN SUB FOLDER !!!! -------------------------------------------
// ----------------------------------------------------- PLEASE USE SETUP ASSISTANT AVAILABLE IN SUB FOLDER !!!! -------------------------------------------
// ----------------------------------------------------- PLEASE USE SETUP ASSISTANT AVAILABLE IN SUB FOLDER !!!! -------------------------------------------
// ----------------------------------------------------- PLEASE USE SETUP ASSISTANT AVAILABLE IN SUB FOLDER !!!! -------------------------------------------
// ----------------------------------------------------- PLEASE USE SETUP ASSISTANT AVAILABLE IN SUB FOLDER !!!! -------------------------------------------
// ----------------------------------------------------- PLEASE USE SETUP ASSISTANT AVAILABLE IN SUB FOLDER !!!! -------------------------------------------
// ----------------------------------------------------- PLEASE USE SETUP ASSISTANT AVAILABLE IN SUB FOLDER !!!! -------------------------------------------
// ----------------------------------------------------- PLEASE USE SETUP ASSISTANT AVAILABLE IN SUB FOLDER !!!! -------------------------------------------
// ----------------------------------------------------- PLEASE USE SETUP ASSISTANT AVAILABLE IN SUB FOLDER !!!! -------------------------------------------

//#define INCLUDE_TM1638                      //{"Name":"INCLUDE_TM1638","Type":"autodefine","Condition":"[TM1638_ENABLEDMODULES]>0"}
//#define INCLUDE_WS2801                      //{"Name":"INCLUDE_WS2801","Type":"autodefine","Condition":"[WS2801_RGBLEDCOUNT]>0"}
//#define INCLUDE_WS2812B                     //{"Name":"INCLUDE_WS2812B","Type":"autodefine","Condition":"[WS2812B_RGBLEDCOUNT]>0"}
//#define INCLUDE_PL9823                      //{"Name":"INCLUDE_PL9823","Type":"autodefine","Condition":"[PL9823_RGBLEDCOUNT]>0"}
//#define INCLUDE_WS2812B_MATRIX              //{"Name":"INCLUDE_WS2812B_MATRIX","Type":"autodefine","Condition":"[WS2812B_MATRIX_ENABLED]>0"}
//#define INCLUDE_LEDBACKPACK                 //{"Name":"INCLUDE_LEDBACKPACK","Type":"autodefine","Condition":"[ENABLE_ADA_HT16K33_7SEGMENTS]>0 || [ENABLE_ADA_HT16K33_BiColorMatrix]>0"}
//#define INCLUDE_TM1637                      //{"Name":"INCLUDE_TM1637","Type":"autodefine","Condition":"[TM1637_ENABLEDMODULES]>0"}
//#define INCLUDE_TM1637_6D                   //{"Name":"INCLUDE_TM1637_6D","Type":"autodefine","Condition":"[TM1637_6D_ENABLEDMODULES]>0"}
//#define INCLUDE_I2CLCD                      //{"Name":"INCLUDE_I2CLCD","Type":"autodefine","Condition":"[I2CLCD_enabled]>0"}
//#define INCLUDE_NOKIALCD                    //{"Name":"INCLUDE_NOKIALCD","Type":"autodefine","Condition":"[ENABLED_NOKIALCD]>0"}
//#define INCLUDE_OLED                        //{"Name":"INCLUDE_OLED","Type":"autodefine","Condition":"[ENABLED_OLEDLCD]>0"}
//#define INCLUDE_MAX7221MATRIX               //{"Name":"INCLUDE_MAX7221MATRIX","Type":"autodefine","Condition":"[MAX7221_MATRIX_ENABLED]>0"}
//#define INCLUDE_HT16K33_SINGLECOLORMATRIX   //{"Name":"INCLUDE_HT16K33_SINGLECOLORMATRIX","Type":"autodefine","Condition":"[ENABLE_ADA_HT16K33_SingleColorMatrix]>0"}
//#define INCLUDE_74HC595_GEAR_DISPLAY        //{"Name":"INCLUDE_74HC595_GEAR_DISPLAY","Type":"autodefine","Condition":"[ENABLE_74HC595_GEAR_DISPLAY]>0"}
//#define INCLUDE_MAX7221_MODULES             //{"Name":"INCLUDE_MAX7221_MODULES","Type":"autodefine","Condition":"[MAX7221_ENABLEDMODULES]>0"}
//#define INCLUDE_6c595_GEAR_DISPLAY          //{"Name":"INCLUDE_6c595_GEAR_DISPLAY ","Type":"autodefine","Condition":"[ENABLE_6C595_GEAR_DISPLAY]>0"}
//#define INCLUDE_TACHOMETER                  //{"Name":"INCLUDE_TACHOMETER ","Type":"autodefine","Condition":"[ENABLE_TACHOMETER]>0"}
//#define INCLUDE_BOOSTGAUGE                  //{"Name":"INCLUDE_BOOSTGAUGE ","Type":"autodefine","Condition":"[ENABLE_BOOSTGAUGE]>0"}
//#define INCLUDE_SPEEDOGAUGE                 //{"Name":"INCLUDE_SPEEDOGAUGE","Type":"autodefine","Condition":"[ENABLE_SPEEDOGAUGE]>0"}
//#define INCLUDE_FUELGAUGE                   //{"Name":"INCLUDE_FUELGAUGE ","Type":"autodefine","Condition":"[ENABLE_FUELGAUGE]>0"}
//#define INCLUDE_TEMPGAUGE                   //{"Name":"INCLUDE_TEMPGAUGE ","Type":"autodefine","Condition":"[ENABLE_TEMPGAUGE]>0"}
//#define INCLUDE_CONSGAUGE                   //{"Name":"INCLUDE_CONSGAUGE ","Type":"autodefine","Condition":"[ENABLE_CONSGAUGE]>0"}
//#define INCLUDE_SHAKEITADASHIELD            //{"Name":"INCLUDE_SHAKEITADASHIELD ","Type":"autodefine","Condition":"[ADAMOTORS_SHIELDSCOUNT]>0"}
//#define INCLUDE_SHAKEITDKSHIELD             //{"Name":"INCLUDE_SHAKEITDKSHIELD ","Type":"autodefine","Condition":"[DKMOTOR_SHIELDSCOUNT]>0"}
//#define INCLUDE_SHAKEITL298N                //{"Name":"INCLUDE_SHAKEITL298N","Type":"autodefine","Condition":"[L98NMOTORS_ENABLED]>0"}
//#define INCLUDE_SHAKEITMOTOMONSTER          //{"Name":"INCLUDE_SHAKEITMOTOMONSTER","Type":"autodefine","Condition":"[MOTOMONSTER_ENABLED]>0"}
//#define INCLUDE_SHAKEIDUALVNH5019           //{"Name":"INCLUDE_SHAKEIDUALVNH5019","Type":"autodefine","Condition":"[DUALVNH5019_ENABLED]>0"}

//#define INCLUDE_SHAKEITPWM                  //{"Name":"INCLUDE_SHAKEITPWM","Type":"autodefine","Condition":"[SHAKEITPWM_ENABLED_MOTORS]>0"}
//#define INCLUDE_SHAKEITPWMFANS              //{"Name":"INCLUDE_SHAKEITPWMFANS","Type":"autodefine","Condition":"[SHAKEITPWMFANS_ENABLED_MOTORS]>0"}
#if defined (__AVR_ATmega32U4__)
#define INCLUDE_GAMEPAD                     //{"Name":"INCLUDE_GAMEPAD","Type":"autodefine","Condition":"[ENABLE_MICRO_GAMEPAD]>0"}
#endif
//#define INCLUDE_GAMEPADAXIS                 //{"Name":"INCLUDE_GAMEPADAXIS","Type":"autodefine","Condition":"[GAMEPAD_AXIS_01_ENABLED]>0 || [GAMEPAD_AXIS_02_ENABLED]>0 || [GAMEPAD_AXIS_03_ENABLED]>0"}

#ifdef INCLUDE_GAMEPADAXIS
#ifndef  INCLUDE_GAMEPAD
#error Gamepad option must be enabled in order to use analog axis.
#endif // ! INCLUDE_GAMEPAD
#endif

#define INCLUDE_ENCODERS                    //{"Name":"INCLUDE_ENCODERS","Type":"autodefine","Condition":"[ENABLED_ENCODERS_COUNT]>0","IsInput":true}
//#define INCLUDE_BUTTONS                     //{"Name":"INCLUDE_BUTTONS","Type":"autodefine","Condition":"[ENABLED_BUTTONS_COUNT]>0","IsInput":true}
#define INCLUDE_BUTTONMATRIX                //{"Name":"INCLUDE_BUTTONMATRIX","Type":"autodefine","Condition":"[ENABLED_BUTTONMATRIX]>0","IsInput":true}
//#define INCLUDE_DM163_MATRIX                //{"Name":"INCLUDE_DM163_MATRIX","Type":"autodefine","Condition":"[DM163_MATRIX_ENABLED]>0"}
//#define INCLUDE_SUNFOUNDERSH104P_MATRIX     //{"Name":"INCLUDE_SUNFOUNDERSH104P_MATRIX","Type":"autodefine","Condition":"[SUNFOUNDERSH104P_MATRIX_ENABLED]>0"}

#include <avr/pgmspace.h>
#include <EEPROM.h>
#include <SPI.h>
#include "Arduino.h"
#include <avr/pgmspace.h>
#include <Wire.h>
#include "Adafruit_GFX.h"
#include "FlowSerialRead.h"
#include "setPwmFrequency.h"
#include "SHDebouncer.h"
#include "SHButton.h"

// ----------------------------------------------------- HW SETTINGS, PLEASE REVIEW ALL -------------------------------------------
#define DEVICE_NAME "Wheel Box Chuc" //{"Group":"General","Name":"DEVICE_NAME","Title":"Device name,\r\n make sure to use a unique name when using multiple arduinos","DefaultValue":"SimHub Dash","Type":"string","Template":"#define DEVICE_NAME \"{0}\""}
#define DEVICE_UNIQUE_ID "2c032fb5-32f2-4b5c-a322-8ce3a7359457" //{"UniqueId":"2c032fb5-32f2-4b5c-a322-8ce3a7359457","Name":"DEVICE_UNIQUE_ID","Type":"uniqueid"}

#define ENABLE_MICRO_GAMEPAD 1           //{"Group":"GAMEPAD","Name":"ENABLE_MICRO_GAMEPAD","Title":"Enable arduino micro gamepad output for all the activated buttons/encoders","DefaultValue":"0","Type":"bool"}
#define MICRO_GAMEPAD_ENCODERPRESSTIME 50 //{"Name":"MICRO_GAMEPAD_ENCODERPRESSTIME","Title":"Define how long (in milliseconds) the encoder related button will be hold after an encoder movement","DefaultValue":"50","Type":"int","Condition":"ENABLE_MICRO_GAMEPAD>0","Max":100}

// -------------------------------------------------------------------------------------------------------
// TM1638 Modules ----------------------------------------------------------------------------------------
// http://www.dx.com/p/jy-mcu-8x-green-light-digital-tube-8x-key-8x-double-color-led-module-104329
// https://www.fasttech.com/products/0/10006503/1497600-jy-mcu-8x-digital-tube-red-led-module
// -------------------------------------------------------------------------------------------------------
// Number of Connected TM1638/1639 modules
// 0 disabled, > 0 enabled
#define TM1638_ENABLEDMODULES 0 //{"Group":"TM1638 7 Segments Modules","Name":"TM1638_ENABLEDMODULES","Title":"TM1638 modules connected","DefaultValue":"0","Type":"int","Max":6}
#ifdef INCLUDE_TM1638
#define TM1638_SWAPLEDCOLORS 0  //{"Name":"TM1638_SWAPLEDCOLORS","Title":"Reverse Red and green colors ","DefaultValue":"0","Type":"bool","Condition":"TM1638_ENABLEDMODULES > 0"}
#define TM1638_DIO 8            //{"Name":"TM1638_DIO","Title":"Common data (DIO) digital pin number","DefaultValue":"8","Type":"pin;TM1638 DIO","Condition":"TM1638_ENABLEDMODULES > 0"}
#define TM1638_CLK 7            //{"Name":"TM1638_CLK","Title":"Common clock (CLK) digital pin number","DefaultValue":"7","Type":"pin;TM1638 CLK","Condition":"TM1638_ENABLEDMODULES > 0"}
#define TM1638_STB1 9           //{"Name":"TM1638_STB1","Title":"1st module strobe (STB0) digital pin number","DefaultValue":"9","Type":"pin;TM1638 STB1","Condition":"TM1638_ENABLEDMODULES > 0"}
#define TM1638_SINGLECOLOR1 0   //{"Name":"TM1638_SINGLECOLOR1","Title":"1st module is single color","DefaultValue":"0","Type":"bool","Condition":"TM1638_ENABLEDMODULES > 0"}

#define TM1638_STB2 10          //{"Name":"TM1638_STB2","Title":"2nd module strobe (STB1) digital pin number","DefaultValue":"10","Type":"pin;TM1638 STB2","Condition":"TM1638_ENABLEDMODULES > 1"}
#define TM1638_SINGLECOLOR2 0   //{"Name":"TM1638_SINGLECOLOR2","Title":"2nd module is single color","DefaultValue":"0","Type":"bool","Condition":"TM1638_ENABLEDMODULES > 1"}

#define TM1638_STB3 11          //{"Name":"TM1638_STB3","Title":"3rd module strobe (STB2) digital pin number","DefaultValue":"11","Type":"pin;TM1638 STB3","Condition":"TM1638_ENABLEDMODULES > 2"}
#define TM1638_SINGLECOLOR3 0   //{"Name":"TM1638_SINGLECOLOR3","Title":"3rd module is single color","DefaultValue":"0","Type":"bool","Condition":"TM1638_ENABLEDMODULES > 2"}

#define TM1638_STB4 12          //{"Name":"TM1638_STB4","Title":"4th module strobe (STB3) digital pin number","DefaultValue":"12","Type":"pin;TM1638 STB4","Condition":"TM1638_ENABLEDMODULES > 3"}
#define TM1638_SINGLECOLOR4 0   //{"Name":"TM1638_SINGLECOLOR4","Title":"4th module is single color","DefaultValue":"0","Type":"bool","Condition":"TM1638_ENABLEDMODULES > 3"}

#define TM1638_STB5 0           //{"Name":"TM1638_STB5","Title":"5th module strobe (STB4) digital pin number","DefaultValue":"0","Type":"pin;TM1638 STB5","Condition":"TM1638_ENABLEDMODULES > 4"}
#define TM1638_SINGLECOLOR5 0   //{"Name":"TM1638_SINGLECOLOR5","Title":"5th module is single color","DefaultValue":"0","Type":"bool","Condition":"TM1638_ENABLEDMODULES > 4"}

#define TM1638_STB6 0           //{"Name":"TM1638_STB6","Title":"6th module strobe (STB5) digital pin number","DefaultValue":"0","Type":"pin;TM1638 STB6","Condition":"TM1638_ENABLEDMODULES > 5"}
#define TM1638_SINGLECOLOR6 0   //{"Name":"TM1638_SINGLECOLOR6","Title":"6th module is single color","DefaultValue":"0","Type":"bool","Condition":"TM1638_ENABLEDMODULES > 5"}

#include "SHTM1638.h"
#endif

// -------------------------------------------------------------------------------------------------------
// TM1637 Modules ----------------------------------------------------------------------------------------
// http://www.dx.com/p/0-36-led-4-digit-display-module-for-arduino-black-blue-works-with-official-arduino-boards-254978
// -------------------------------------------------------------------------------------------------------
// Number of Connected TM1637 modules
// 0 disabled, > 0 enabled
#define TM1637_ENABLEDMODULES 0 //{"Group":"TM1637 7 Segment Modules","Name":"TM1637_ENABLEDMODULES","Title":"TM1637 modules connected","DefaultValue":"0","Type":"int","Max":8}
#ifdef INCLUDE_TM1637

#define TM1637_DIO1 4           //{"Name":"TM1637_DIO1","Title":"1st TM1637 DIO digital pin number","DefaultValue":"4","Type":"pin;TM1637 #1 DIO","Condition":"TM1637_ENABLEDMODULES >=1"}
#define TM1637_CLK1 3           //{"Name":"TM1637_CLK1","Title":"1st TM1637 CLK digital pin number","DefaultValue":"3","Type":"pin;TM1637 #1 CLK","Condition":"TM1637_ENABLEDMODULES >=1"}
#define TM1637_DIO2 4           //{"Name":"TM1637_DIO2","Title":"2nd TM1637 DIO digital pin number","DefaultValue":"4","Type":"pin;TM1637 #2 DIO","Condition":"TM1637_ENABLEDMODULES >=2"}
#define TM1637_CLK2 3           //{"Name":"TM1637_CLK2","Title":"2nd TM1637 CLK digital pin number","DefaultValue":"3","Type":"pin;TM1637 #2 CLK","Condition":"TM1637_ENABLEDMODULES >=2"}
#define TM1637_DIO3 4           //{"Name":"TM1637_DIO3","Title":"3rd TM1637 DIO digital pin number","DefaultValue":"4","Type":"pin;TM1637 #3 DIO","Condition":"TM1637_ENABLEDMODULES >=3"}
#define TM1637_CLK3 3           //{"Name":"TM1637_CLK3","Title":"3rd TM1637 CLK digital pin number","DefaultValue":"3","Type":"pin;TM1637 #3 CLK","Condition":"TM1637_ENABLEDMODULES >=3"}
#define TM1637_DIO4 4           //{"Name":"TM1637_DIO4","Title":"4th TM1637 DIO digital pin number","DefaultValue":"4","Type":"pin;TM1637 #4 DIO","Condition":"TM1637_ENABLEDMODULES >=4"}
#define TM1637_CLK4 3           //{"Name":"TM1637_CLK4","Title":"4th TM1637 CLK digital pin number","DefaultValue":"3","Type":"pin;TM1637 #4 CLK","Condition":"TM1637_ENABLEDMODULES >=4"}
#define TM1637_DIO5 4           //{"Name":"TM1637_DIO5","Title":"5th TM1637 DIO digital pin number","DefaultValue":"4","Type":"pin;TM1637 #5 DIO","Condition":"TM1637_ENABLEDMODULES >=5"}
#define TM1637_CLK5 3           //{"Name":"TM1637_CLK5","Title":"5th TM1637 CLK digital pin number","DefaultValue":"3","Type":"pin;TM1637 #5 CLK","Condition":"TM1637_ENABLEDMODULES >=5"}
#define TM1637_DIO6 4           //{"Name":"TM1637_DIO6","Title":"6th TM1637 DIO digital pin number","DefaultValue":"4","Type":"pin;TM1637 #6 DIO","Condition":"TM1637_ENABLEDMODULES >=6"}
#define TM1637_CLK6 3           //{"Name":"TM1637_CLK6","Title":"6th TM1637 CLK digital pin number","DefaultValue":"3","Type":"pin;TM1637 #6 CLK","Condition":"TM1637_ENABLEDMODULES >=6"}
#define TM1637_DIO7 4           //{"Name":"TM1637_DIO7","Title":"7th TM1637 DIO digital pin number","DefaultValue":"4","Type":"pin;TM1637 #7 DIO","Condition":"TM1637_ENABLEDMODULES >=7"}
#define TM1637_CLK7 3           //{"Name":"TM1637_CLK7","Title":"7th TM1637 CLK digital pin number","DefaultValue":"3","Type":"pin;TM1637 #7 CLK","Condition":"TM1637_ENABLEDMODULES >=7"}
#define TM1637_DIO8 4           //{"Name":"TM1637_DIO8","Title":"8th TM1637 DIO digital pin number","DefaultValue":"4","Type":"pin;TM1637 #8 DIO","Condition":"TM1637_ENABLEDMODULES >=8"}
#define TM1637_CLK8 3           //{"Name":"TM1637_CLK8","Title":"8th TM1637 CLK digital pin number","DefaultValue":"3","Type":"pin;TM1637 #8 CLK","Condition":"TM1637_ENABLEDMODULES >=8"}

#include "SHTM1637.h"

#endif

// -------------------------------------------------------------------------------------------------------
// TM1637 6 DIGITS Modules ----------------------------------------------------------------------------------------
// http://www.dx.com/p/0-36-led-4-digit-display-module-for-arduino-black-blue-works-with-official-arduino-boards-254978
// -------------------------------------------------------------------------------------------------------
// Number of Connected TM1637 modules
// 0 disabled, > 0 enabled
#define TM1637_6D_ENABLEDMODULES 0 //{"Group":"TM1637 6Digits 7 Segment Modules","Name":"TM1637_6D_ENABLEDMODULES","Title":"TM1637 modules connected","DefaultValue":"0","Type":"int","Max":8}
#ifdef INCLUDE_TM1637_6D

#define TM1637_6D_DIO1 4           //{"Name":"TM1637_6D_DIO1","Title":"1st TM1637 6D DIO digital pin number","DefaultValue":"4","Type":"pin;TM1637 6D #1 DIO","Condition":"TM1637_6D_ENABLEDMODULES >=1"}
#define TM1637_6D_CLK1 3           //{"Name":"TM1637_6D_CLK1","Title":"1st TM1637 6D CLK digital pin number","DefaultValue":"3","Type":"pin;TM1637 6D #1 CLK","Condition":"TM1637_6D_ENABLEDMODULES >=1"}
#define TM1637_6D_DIO2 4           //{"Name":"TM1637_6D_DIO2","Title":"2nd TM1637 6D DIO digital pin number","DefaultValue":"4","Type":"pin;TM1637 6D #2 DIO","Condition":"TM1637_6D_ENABLEDMODULES >=2"}
#define TM1637_6D_CLK2 3           //{"Name":"TM1637_6D_CLK2","Title":"2nd TM1637 6D CLK digital pin number","DefaultValue":"3","Type":"pin;TM1637 6D #2 CLK","Condition":"TM1637_6D_ENABLEDMODULES >=2"}
#define TM1637_6D_DIO3 4           //{"Name":"TM1637_6D_DIO3","Title":"3rd TM1637 6D DIO digital pin number","DefaultValue":"4","Type":"pin;TM1637 6D #3 DIO","Condition":"TM1637_6D_ENABLEDMODULES >=3"}
#define TM1637_6D_CLK3 3           //{"Name":"TM1637_6D_CLK3","Title":"3rd TM1637 6D CLK digital pin number","DefaultValue":"3","Type":"pin;TM1637 6D #3 CLK","Condition":"TM1637_6D_ENABLEDMODULES >=3"}
#define TM1637_6D_DIO4 4           //{"Name":"TM1637_6D_DIO4","Title":"4th TM1637 6D DIO digital pin number","DefaultValue":"4","Type":"pin;TM1637 6D #4 DIO","Condition":"TM1637_6D_ENABLEDMODULES >=4"}
#define TM1637_6D_CLK4 3           //{"Name":"TM1637_6D_CLK4","Title":"4th TM1637 6D CLK digital pin number","DefaultValue":"3","Type":"pin;TM1637 6D #4 CLK","Condition":"TM1637_6D_ENABLEDMODULES >=4"}
#define TM1637_6D_DIO5 4           //{"Name":"TM1637_6D_DIO5","Title":"5th TM1637 6D DIO digital pin number","DefaultValue":"4","Type":"pin;TM1637 6D #5 DIO","Condition":"TM1637_6D_ENABLEDMODULES >=5"}
#define TM1637_6D_CLK5 3           //{"Name":"TM1637_6D_CLK5","Title":"5th TM1637 6D CLK digital pin number","DefaultValue":"3","Type":"pin;TM1637 6D #5 CLK","Condition":"TM1637_6D_ENABLEDMODULES >=5"}
#define TM1637_6D_DIO6 4           //{"Name":"TM1637_6D_DIO6","Title":"6th TM1637 6D DIO digital pin number","DefaultValue":"4","Type":"pin;TM1637 6D #6 DIO","Condition":"TM1637_6D_ENABLEDMODULES >=6"}
#define TM1637_6D_CLK6 3           //{"Name":"TM1637_6D_CLK6","Title":"6th TM1637 6D CLK digital pin number","DefaultValue":"3","Type":"pin;TM1637 6D #6 CLK","Condition":"TM1637_6D_ENABLEDMODULES >=6"}
#define TM1637_6D_DIO7 4           //{"Name":"TM1637_6D_DIO7","Title":"7th TM1637 6D DIO digital pin number","DefaultValue":"4","Type":"pin;TM1637 6D #7 DIO","Condition":"TM1637_6D_ENABLEDMODULES >=7"}
#define TM1637_6D_CLK7 3           //{"Name":"TM1637_6D_CLK7","Title":"7th TM1637 6D CLK digital pin number","DefaultValue":"3","Type":"pin;TM1637 6D #7 CLK","Condition":"TM1637_6D_ENABLEDMODULES >=7"}
#define TM1637_6D_DIO8 4           //{"Name":"TM1637_6D_DIO8","Title":"8th TM1637 6D DIO digital pin number","DefaultValue":"4","Type":"pin;TM1637 6D #8 DIO","Condition":"TM1637_6D_ENABLEDMODULES >=8"}
#define TM1637_6D_CLK8 3           //{"Name":"TM1637_6D_CLK8","Title":"8th TM1637 6D CLK digital pin number","DefaultValue":"3","Type":"pin;TM1637 6D #8 CLK","Condition":"TM1637_6D_ENABLEDMODULES >=8"}

#include "SHTM1637_6D.h"

#endif

// -------------------------------------------------------------------------------------------------------
// MAX7219 / MAX7221 7 Segment modules -----------------------------------------------------------------------------
// http://www.dx.com/p/max7219-led-dot-matrix-digital-led-display-tube-module-cascade-391256
// -------------------------------------------------------------------------------------------------------
// 0 disabled, > 0 enabled
#define MAX7221_ENABLEDMODULES 0 //{"Group":"MAX7221 7 Segments Modules","Name":"MAX7221_ENABLEDMODULES","Title":"MAX7219 / MAX7221 7 Segment modules connected \r\nMultiple modules can be cascaded connected module output to next module input","DefaultValue":"0","Type":"int","Max":8}
#ifdef INCLUDE_MAX7221_MODULES
#include "SHMAX72217Segment.h"
#define MAX7221_DATA 3           //{"Name":"MAX7221_DATA","Title":"DATA (DIN) digital pin number","DefaultValue":"3","Type":"pin;MAX7221 7seg. DATA","Condition":"MAX7221_ENABLEDMODULES > 0"}
#define MAX7221_CLK 5            //{"Name":"MAX7221_CLK","Title":"CLOCK (CLK) digital pin number","DefaultValue":"5","Type":"pin;MAX7221 7seg. CLK","Condition":"MAX7221_ENABLEDMODULES > 0"}
#define MAX7221_LOAD 4           //{"Name":"MAX7221_LOAD","Title":"LOAD (LD) digital pin number","DefaultValue":"4","Type":"pin;MAX7221 7seg. LOAD/LD","Condition":"MAX7221_ENABLEDMODULES > 0"}
SHMAX72217Segment shMAX72217Segment;
#endif // INCLUDE_MAX7221_MODULES

// -------------------------------------------------------------------------------------------------------
// MAX7219 / MAX7221 Led Matrix module -----------------------------------------------------------------------------
// http://www.dx.com/p/max7219-dot-matrix-module-w-5-dupont-lines-184854
// -------------------------------------------------------------------------------------------------------
#define MAX7221_MATRIX_ENABLED 0 //{"Group":"MAX7221 Led Matrix","Name":"MAX7221_MATRIX_ENABLED","Title":"MAX7221 led matrix enabled ","DefaultValue":"0","Type":"bool"}
#ifdef INCLUDE_MAX7221MATRIX
#include "SHMatrixMAX7219.h"
#define MAX7221_MATRIX_DATA 3    //{"Name":"MAX7221_MATRIX_DATA","Title":"DATA (DIN) digital pin number","DefaultValue":"3","Type":"pin;MAX7221 Matrix DATA","Condition":"MAX7221_MATRIX_ENABLED>0"}
#define MAX7221_MATRIX_CLK 5     //{"Name":"MAX7221_MATRIX_CLK","Title":"CLOCK (CLK) digital pin number","DefaultValue":"5","Type":"pin;MAX7221 Matrix CLK","Condition":"MAX7221_MATRIX_ENABLED>0"}
#define MAX7221_MATRIX_LOAD 4    //{"Name":"MAX7221_MATRIX_LOAD","Title":"LOAD (LD/CS) digital pin number","DefaultValue":"4","Type":"pin;MAX7221 Matrix LOAD/LD","Condition":"MAX7221_MATRIX_ENABLED>0"}
SHMatrixMAX7219 shMatrixMAX7219;
#endif

// --------------------------------------------------------------------------------------------------------
// Adafruit 8x8 single color with HT16K33 I2C Backpack
// These displays use I2C to communicate, 2 pins are required to interface.
// There are multiple selectable I2C addresses.
// For backpacks with 2 Address Select addresses : 0x70, 0x71, 0x72 or 0x73.
// For backpacks with 3 Address Select addresses : 0x70 thru 0x77
// --------------------------------------------------------------------------------------------------------
// 0 disabled, 1 enabled
#define ENABLE_ADA_HT16K33_SingleColorMatrix 0     //{"Group":"HT16K33 Single Color Matrix","Name":"ENABLE_ADA_HT16K33_SingleColorMatrix","Title":"Adafruit HT16K33 single color matrix display enabled","DefaultValue":"0","Type":"bool","Pins":"328:18,HT16K33 SC MATRIX DAT;19,HT16K33 SC MATRIX CLK|micro:2,HT16K33 SC MATRIX DAT;3,HT16K33 SC MATRIX CLK|mega:20,HT16K33 SC MATRIX DAT;21,HT16K33 SC MATRIX CLK"}
// I2C Adress
#ifdef INCLUDE_HT16K33_SINGLECOLORMATRIX
#include "SHMatrixHT16H33SingleColor.h"
#define ADA_HT16K33_SINGLECOLORMATRIX_I2CADDRESS 0x70 //{"Name":"ADA_HT16K33_SINGLECOLORMATRIX_I2CADDRESS","Title":"Adafruit HT16K33 single color matrix matrix I2C address","DefaultValue":"0x70","Type":"hex","Condition":"ENABLE_ADA_HT16K33_SingleColorMatrix>0"}
SHMatrixHT16H33SingleColor shMatrixHT16H33SingleColor;
#endif

// -------------------------------------------------------------------------------------------------------
// WS2812b RGBLEDS ---------------------------------------------------------------------------------------
// http://www.dx.com/p/8-bit-ws2812-5050-rgb-led-development-board-w-built-in-full-color-drive-387667
// -------------------------------------------------------------------------------------------------------
// WS2812b chained RGBLEDS count
// 0 disabled, > 0 enabled
#define WS2812B_RGBLEDCOUNT 0        //{"Group":"WS2812B RGB Leds","Name":"WS2812B_RGBLEDCOUNT","Title":"WS2812B RGB leds count","DefaultValue":"0","Type":"int","Max":150}
#ifdef INCLUDE_WS2812B

#define WS2812B_DATAPIN 6            //{"Name":"WS2812B_DATAPIN","Title":"Data (DIN) digital pin number","DefaultValue":"6","Type":"pin;WS2812B LEDS DATA","Condition":"WS2812B_RGBLEDCOUNT>0"}
#define WS2812B_RGBENCODING 0        //{"Name":"WS2812B_RGBENCODING","Title":"WS2812B RGB encoding\r\nSet to 0 for GRB, 1 for RGB encoding, 2 for BRG encoding","DefaultValue":"0","Type":"list","Condition":"WS2812B_RGBLEDCOUNT>0","ListValues":"0,GRB encoding;1,RGB encoding;2,BRG encoding"}
#define WS2812B_RIGHTTOLEFT 0        //{"Name":"WS2812B_RIGHTTOLEFT","Title":"Reverse led order ","DefaultValue":"0","Type":"bool","Condition":"WS2812B_RGBLEDCOUNT>0"}
#define WS2812B_TESTMODE 0           //{"Name":"WS2812B_TESTMODE","Title":"TESTING MODE : Light up all configured leds (in red color) at arduino startup\r\nIt will clear after simhub connection","DefaultValue":"0","Type":"bool","Condition":"WS2812B_RGBLEDCOUNT>0"}
#define WS2812B_USEADAFRUITLIBRARY 0 //{"Name":"WS2812B_USEADAFRUITLIBRARY","Title":"ADVANCED : Use legacy adafruit library (only enable if you have sketch size issues)","DefaultValue":"0","Type":"bool","Condition":"WS2812B_RGBLEDCOUNT>0"}

#if(WS2812B_USEADAFRUITLIBRARY == 0)
#include "SHRGBLedsNeoPixelFastLed.h"
SHRGBLedsNeoPixelFastLeds shRGBLedsWS2812B;
#else
#include "SHRGBLedsNeoPixel.h"
SHRGBLedsNeoPixel shRGBLedsWS2812B;
Adafruit_NeoPixel WS2812B_strip = Adafruit_NeoPixel(WS2812B_RGBLEDCOUNT, WS2812B_DATAPIN, (WS2812B_RGBENCODING == 0 ? NEO_GRB : (WS2812B_RGBENCODING == 1 ? NEO_RGB : NEO_BRG)) + NEO_KHZ800);
#endif

#endif

// -------------------------------------------------------------------------------------------------------
// PL9823 RGBLEDS ---------------------------------------------------------------------------------------
// https://www.instructables.com/id/Multicolor-Knight-Rider-with-RGB-PL9823-LED-Arduin/
// -------------------------------------------------------------------------------------------------------
// PL9823 chained RGBLEDS count
// 0 disabled, > 0 enabled
#define PL9823_RGBLEDCOUNT 0 //{"Group":"PL9823 RGB Leds","Name":"PL9823_RGBLEDCOUNT","Title":"PL9823 RGB leds count","DefaultValue":"0","Type":"int","Max":150}
#ifdef INCLUDE_PL9823
#include <Adafruit_NeoPixel.h>
#include "SHRGBLedsNeoPixel.h"
#define PL9823_DATAPIN 6     //{"Name":"PL9823_DATAPIN","Title":"Data (DIN) digital pin number","DefaultValue":"6","Type":"pin;PL9823 DATA","Condition":"PL9823_RGBLEDCOUNT>0"}
#define PL9823_RIGHTTOLEFT 0 //{"Name":"PL9823_RIGHTTOLEFT","Title":"Reverse led order","DefaultValue":"0","Type":"bool","Condition":"PL9823_RGBLEDCOUNT>0"}
#define PL9823_TESTMODE 0    //{"Name":"PL9823_TESTMODE","Title":"TESTING MODE : Light up all configured leds (in red color) at arduino startup\r\nIt will clear after simhub connection","DefaultValue":"0","Type":"bool","Condition":"PL9823_RGBLEDCOUNT>0"}
Adafruit_NeoPixel PL9823_strip = Adafruit_NeoPixel(PL9823_RGBLEDCOUNT, PL9823_DATAPIN, NEO_RGB + NEO_KHZ400);
SHRGBLedsNeoPixel shRGBLedsPL9823;
#endif

// -------------------------------------------------------------------------------------------------------
// WS2801 RGBLEDS ----------------------------------------------------------------------------------------
// -------------------------------------------------------------------------------------------------------
// 0 disabled, > 0 enabled
#define WS2801_RGBLEDCOUNT 0 //{"Group":"WS2801 RGB Leds","Name":"WS2801_RGBLEDCOUNT","Title":"WS2801 RGB leds count","DefaultValue":"0","Type":"int","Max":150}
#ifdef INCLUDE_WS2801
#include "SHRGBLedsWS2801.h"
// 0 leds will be used from left to right, 1 leds will be used from right to left
#define WS2801_RIGHTTOLEFT 0 //{"Name":"WS2801_RIGHTTOLEFT","Title":"WS2801 right to left","DefaultValue":"0","Type":"bool","Condition":"WS2801_RGBLEDCOUNT>0"}
#define WS2801_DATAPIN 5     //{"Name":"WS2801_DATAPIN","Title":"Data (DIN) digital pin number","DefaultValue":"5","Type":"pin;WS2801 DATA","Condition":"WS2801_RGBLEDCOUNT>0"}
#define WS2801_CLOCKPIN 6    //{"Name":"WS2801_CLOCKPIN","Title":"Clock (CLK) digital pin number","DefaultValue":"6","Type":"pin;WS2801 CLOCK","Condition":"WS2801_RGBLEDCOUNT>0"}
#define WS2801_TESTMODE 0    //{"Name":"WS2801_TESTMODE","Title":"TESTING MODE : Light up all configured leds (in red color) at arduino startup\r\nIt will clear after simhub connection","DefaultValue":"0","Type":"bool","Condition":"WS2801_RGBLEDCOUNT>0"}
Adafruit_WS2801 WS2801_strip = Adafruit_WS2801(WS2801_RGBLEDCOUNT, WS2801_DATAPIN, WS2801_CLOCKPIN);
SHRGBLedsWS2801 shRGBLedsWS2801;
#endif

// -------------------------------------------------------------------------------------------------------
// WS2812b MATRIX ---------------------------------------------------------------------------------------
// http://www.dx.com/p/8-bit-ws2812-5050-rgb-led-development-board-w-built-in-full-color-drive-387667
// -------------------------------------------------------------------------------------------------------
// WS2812b chained RGBLEDS count
// 0 disabled, > 0 enabled
#define WS2812B_MATRIX_ENABLED 0                 //{"Group":"WS2812B RGB Matrix","Name":"WS2812B_MATRIX_ENABLED","Title":"Enable WS2812B 8x8 matrix","DefaultValue":"0","Type":"bool"}

#ifdef INCLUDE_WS2812B_MATRIX
#define WS2812B_MATRIX_DATAPIN 6                 //{"Name":"WS2812B_MATRIX_DATAPIN","Title":"Data (DIN) digital pin number","DefaultValue":"6","Type":"pin;WS2812B Matrix data","Condition":"WS2812B_MATRIX_ENABLED>0"}
#define WS2812B_MATRIX_SERPENTINELAYOUT 0        //{"Name":"WS2812B_MATRIX_SERPENTINELAYOUT","Title":"Serpentine layout matrix","DefaultValue":"0","Type":"bool","Condition":"WS2812B_MATRIX_ENABLED>0"}
#define WS2812B_MATRIX_SERPENTINELAYOUTREVERSE 0 //{"Name":"WS2812B_MATRIX_SERPENTINELAYOUTREVERSE","Title":"Reverse serpentine layout start direction","DefaultValue":"0","Type":"bool","Condition":"WS2812B_MATRIX_ENABLED>0 && WS2812B_MATRIX_SERPENTINELAYOUT>0"}
#define WS2812B_MATRIX_LEFTRIGHTMIRROR 0         //{"Name":"WS2812B_MATRIX_LEFTRIGHTMIRROR","Title":"Left to right flip (mirror) ","DefaultValue":"0","Type":"bool","Condition":"WS2812B_MATRIX_ENABLED>0"}

#include "SHRGBMatrixNeoPixelFastLed.h"
SHRGBMatrixNeoPixelFastLed shRGBMatrixWS2812B;
#endif

// -------------------------------------------------------------------------------------------------------
// DM163 RGB MATRIX ---------------------------------------------------------------------------------------
// https://www.sunfounder.com/full-color-rgb-led-matrix-driver-shield-rgb-matrix-screen.html
// -------------------------------------------------------------------------------------------------------

#define DM163_MATRIX_ENABLED 0 //{"Group":"DM163 RGB Matrix","Name":"DM163_MATRIX_ENABLED","Title":"Enable DM163 8x8 (Sunfounder, colorduino, Iflag ....) matrix","DefaultValue":"0","Type":"bool"}
#ifdef INCLUDE_DM163_MATRIX
#include "SHRGBLedsDM163.h"
SHRGBLedsDM163 shRGBLedsDM163;
#endif


// -------------------------------------------------------------------------------------------------------
// SUNFOUNDER SH1.0-4P I2C RGB MATRIX ---------------------------------------------------------------------------------------
// https://www.sunfounder.com/products/rgb-matrix-panel-for-arduino
// -------------------------------------------------------------------------------------------------------

#define SUNFOUNDERSH104P_MATRIX_ENABLED 0 //{"Group":"SUNFOUNDER SH1.0-4P I2C RGB matrix","Name":"SUNFOUNDERSH104P_MATRIX_ENABLED","Title":"Enable SUNFOUNDER SH1.0-4P I2C RGB 8x8 matrix","DefaultValue":"0","Type":"bool"}
#ifdef INCLUDE_SUNFOUNDERSH104P_MATRIX
#include "SHRGBMatrixSunfounderSH104P.h"
SHRGBMatrixSunfounderSH104P shRGBMatrixSunfounderSH104P;
#endif

// -------------------------------------------------------------------------------------------------------
// I2C LiquidCristal
// http://www.dx.com/p/arduino-iic-i2c-serial-3-2-lcd-2004-module-display-138611#.Vb0QtW7tlBd
// Board				I2C / TWI pins
// Uno, Ethernet, Nano	A4(SDA), A5(SCL)
// Mega2560				20 (SDA), 21 (SCL)
// Leonardo				2 (SDA), 3 (SCL)
// Due					20 (SDA), 21 (SCL), SDA1, SCL1
// -------------------------------------------------------------------------------------------------------
#define I2CLCD_enabled 0   //{"Group":"20x4 I2C LCD","Name":"I2CLCD_enabled","Title":"I2C LCD (2004) enabled\r\nUno, Ethernet, Nano : A4(SDA), A5(SCL)\r\nMega2560 : 20 (SDA), 21 (SCL)\r\nLeonardo : 2 (SDA), 3 (SCL)\r\nDue : 20 (SDA), 21 (SCL), SDA1, SCL1","DefaultValue":"0","Type":"bool","Pins":"328:18,I2C LCD SDA;19,I2C LCD SCL|micro:2,I2C LCD SDA;3,I2C LCD SCL|mega:20,I2C LCD SDA;21,I2C LCD SCL"}
#ifdef INCLUDE_I2CLCD
#define I2CLCD_size 0      //{"Name":"I2CLCD_size","Title":"LCD size","DefaultValue":"0","Type":"list","Condition":"I2CLCD_enabled>0","ListValues":"0,20x4;1,16x2"}
#define I2CLCD_ADDRESS 0x3f //{"Name":"I2CLCD_ADDRESS","Title":"I2C address (0x30, 0x27 ... )","DefaultValue":"0x3f","Type":"hex","Condition":"I2CLCD_enabled>0"}
#define I2CLCD_LIBRARY 0   //{"Name":"I2CLCD_LIBRARY","Title":"I2C library","DefaultValue":"0","Type":"list","Condition":"I2CLCD_enabled>0","ListValues":"0,PCF8574AT (DFRobot);1,PCF8574T"}
#define I2CLCD_TEST 0      //{"Name":"I2CLCD_TEST","Title":"TESTING MODE : Show hello world at startup","DefaultValue":"0","Type":"bool","Condition":"I2CLCD_enabled>0"}

#define I2CLCD_20x4        //{"Name":"I2CLCD_20x4","Type":"autodefine","Condition":"[I2CLCD_size]=0"}
//#define I2CLCD_16x2        //{"Name":"I2CLCD_16x2","Type":"autodefine","Condition":"[I2CLCD_size]=1"}

#ifdef  I2CLCD_20x4
#define I2CLCD_WIDTH 20
#define I2CLCD_HEIGHT 4
#else
#define I2CLCD_WIDTH 16
#define I2CLCD_HEIGHT 2
#endif

#define I2CLCD_PCF8574AT   //{"Name":"I2CLCD_PCF8574AT","Type":"autodefine","Condition":"[I2CLCD_LIBRARY]=0"}
//#define I2CLCD_PCF8574T    //{"Name":"I2CLCD_PCF8574T","Type":"autodefine","Condition":"[I2CLCD_LIBRARY]=1"}

// DF ROBOT - PCF8574AT
#ifdef  I2CLCD_PCF8574AT
#include "LiquidCrystal_I2C_DFRobot.h"
#include "SHI2CLcd_PCF8574AT.h"
LiquidCrystal_I2C I2CLCD(I2CLCD_ADDRESS, I2CLCD_WIDTH, I2CLCD_HEIGHT);
#endif

#ifdef  I2CLCD_PCF8574T
#include "SHI2CLcd_PCF8574T.h"
LiquidCrystal_PCF8574 I2CLCD(I2CLCD_ADDRESS);
#endif

SHI2CLcd shI2CLcd;
#endif

// --------------------------------------------------------------------------------------------------------
// Adafruit 4x7segment with HT16K33 I2C Backpack
// These displays use I2C to communicate, 2 pins are required to interface.
// There are multiple selectable I2C addresses.
// For backpacks with 2 Address Select addresses : 0x70, 0x71, 0x72 or 0x73.
// For backpacks with 3 Address Select addresses : 0x70 thru 0x77
// --------------------------------------------------------------------------------------------------------
// 0 disabled, 1 enabled
#define ENABLE_ADA_HT16K33_7SEGMENTS 0 //{"Group":"HT16K33 7 Segments Module","Name":"ENABLE_ADA_HT16K33_7SEGMENTS","Title":"Adafruit HT16K33 7 segments display enabled","DefaultValue":"0","Type":"bool","Pins":"328:18,HT16K33 7SEG DAT;19,HT16K33 7SEG CLK|micro:2,HT16K33 7SEG DAT;3,HT16K33 7SEG CLK|mega:20,HT16K33 7SEG DAT;21,HT16K33 7SEG CLK"}
#ifdef INCLUDE_LEDBACKPACK
#include "Adafruit_LEDBackpack.h"
// I2C Adress
byte ADA_HT16K33_7SEGMENTS_I2CADDRESS = 0x70;
Adafruit_7segment ADA_HT16K33_7SEGMENTS = Adafruit_7segment();

#endif

// --------------------------------------------------------------------------------------------------------
// Adafruit 8x8 bi color with HT16K33 I2C Backpack
// These displays use I2C to communicate, 2 pins are required to interface.
// There are multiple selectable I2C addresses.
// For backpacks with 2 Address Select addresses : 0x70, 0x71, 0x72 or 0x73.
// For backpacks with 3 Address Select addresses : 0x70 thru 0x77
// --------------------------------------------------------------------------------------------------------
// 0 disabled, 1 enabled
#define ENABLE_ADA_HT16K33_BiColorMatrix 0     //{"Group":"HT16K33 Bi Color Matrix","Name":"ENABLE_ADA_HT16K33_BiColorMatrix","Title":"Adafruit HT16K33 Bicolor matrix display enabled","DefaultValue":"0","Type":"bool","Pins":"328:18,HT16K33 SC MATRIX DAT;19,HT16K33 SC MATRIX CLK|micro:2,HT16K33 SC MATRIX DAT;3,HT16K33 SC MATRIX CLK|mega:20,HT16K33 SC MATRIX DAT;21,HT16K33 SC MATRIX CLK"}
// I2C Adress
#ifdef INCLUDE_LEDBACKPACK
#include "Adafruit_LEDBackpack.h"
#define ADA_HT16K33_BICOLORMATRIX_I2CADDRESS 0x70 //{"Name":"ADA_HT16K33_BICOLORMATRIX_I2CADDRESS","Title":"Adafruit HT16K33 Bicolor matrix matrix I2C address","DefaultValue":"0x70","Type":"hex","Condition":"ENABLE_ADA_HT16K33_SingleColorMatrix>0"}
Adafruit_BicolorMatrix ADA_HT16K33_MATRIX = Adafruit_BicolorMatrix();
byte ADA_HT16K33_Matrix_luminosity = 0;
#endif

// ------------------------ TACHOMETER ----------------------------------------------------------------------
// https://github.com/zegreatclan/AssettoCorsaTools/wiki/Arduino-After-Market-Tach-support
// ----------------------------------------------------------------------------------------------------------
#ifdef INCLUDE_TACHOMETER
#include "SHTonePin.h"
#define ENABLE_TACHOMETER 0 //{"Group":"Tachometer","Name":"ENABLE_TACHOMETER","Title":"After market tachometer enabled\r\nSee wiki for wiring instructions","DefaultValue":"0","Type":"bool"}
#define TACHOMETER_PIN 9    //{"Name":"TACHOMETER_PIN","Title":"Tachometer signal pin","DefaultValue":"9","Type":"pin;Tachometer signal","Condition":"ENABLE_TACHOMETER > 0 "}
SHTonePin rpmTonePin;
#endif

// ------------------------ SPEEDO GAUGE --------------------------------------------------------------------
// https://github.com/zegreatclan/SimHub/wiki/Arduino-After-Market-Speedo-support
// ----------------------------------------------------------------------------------------------------------
#ifdef INCLUDE_SPEEDOGAUGE
#include "SHTonePin.h"
#define ENABLE_SPEEDOGAUGE 0 //{"Group":"Speedometer","Name":"ENABLE_SPEEDOGAUGE","Title":"After market Speedo gauge enabled\r\nSee wiki for wiring instructions","DefaultValue":"0","Type":"bool"}
#define SPEEDO_PIN 4         //{"Name":"SPEEDO_PIN","Title":"Speedometer signal pin","DefaultValue":"4","Type":"pin;Speedometer signal","Template":"","Condition":"ENABLE_SPEEDOGAUGE >0"}
SHTonePin speedoTonePin;
#endif

// ------------------------ BOOST GAUGE ---------------------------------------------------------------------
// https://github.com/zegreatclan/SimHub/wiki/Arduino-After-Market-Boost-Gauge
// ----------------------------------------------------------------------------------------------------------
#ifdef INCLUDE_BOOSTGAUGE
#define ENABLE_BOOSTGAUGE 0 //{"Group":"Boost Gauge","Name":"ENABLE_BOOSTGAUGE","Title":"After market boost gauge enabled\r\nSee wiki for wiring instructions","DefaultValue":"0","Type":"bool"}
#define BOOST_PIN 5         //{"Name":"BOOST_PIN","Title":"Boost pwm pin","DefaultValue":"5","Type":"pin;Boost signal","Condition":"ENABLE_BOOSTGAUGE >0"}
#include "SHPWMPin.h"
SHPWMPin shBOOSTPIN(BOOST_PIN, true);
#endif

// ------------------------ TEMP GAUGE ---------------------------------------------------------------------
// https://github.com/zegreatclan/SimHub/wiki/Arduino-After-Market-Boost-Gauge
// ----------------------------------------------------------------------------------------------------------
#ifdef INCLUDE_TEMPGAUGE
#define ENABLE_TEMPGAUGE 0 //{"Group":"Water Temperature Gauge","Name":"ENABLE_TEMPGAUGE","Title":"E36 Temperature gauge enabled\r\nDeprated see wiki","DefaultValue":"0","Type":"bool"}
#define TEMP_PIN 5         //{"Name":"TEMP_PIN","Title":"TEMP pwm pin","DefaultValue":"5","Type":"pin;Temperature signal","Condition":"ENABLE_TEMPGAUGE >0"}
#include "SHPWMPin.h"
SHPWMPin shTEMPPIN(TEMP_PIN, (int)40);
#endif

// ------------------------ FUEL GAUGE ---------------------------------------------------------------------
// https://github.com/zegreatclan/SimHub/wiki/Arduino-After-Market-Boost-Gauge
// ----------------------------------------------------------------------------------------------------------
#ifdef INCLUDE_FUELGAUGE
#define ENABLE_FUELGAUGE 0 //{"Group":"Fuel Gauge","Name":"ENABLE_FUELGAUGE","Title":"E36 Fuel gauge enabled\r\nDeprated see wiki","DefaultValue":"0","Type":"bool"}
#define FUEL_PIN 5         //{"Name":"FUEL_PIN","Title":"FUEL pwm pin","DefaultValue":"5","Type":"pin;Fuel signal","Condition":"ENABLE_FUELGAUGE >0"}
#include "SHPWMPin.h"
SHPWMPin shFUELPIN(FUEL_PIN, (int)40);
#endif

// ------------------------ CONS GAUGE ---------------------------------------------------------------------
// https://github.com/zegreatclan/SimHub/wiki/Arduino-After-Market-Boost-Gauge
// ----------------------------------------------------------------------------------------------------------
#ifdef INCLUDE_CONSGAUGE
#define ENABLE_CONSGAUGE 0 //{"Group":"Consumption Gauge","Name":"ENABLE_CONSGAUGE","Title":"After market consommation gauge enabled\r\n(DO NOT USE, NOT WORKING YET)","DefaultValue":"0","Type":"bool"}
#define CONS_PIN 5         //{"Name":"CONS_PIN","Title":"CONS pwm pin","DefaultValue":"5","Type":"pin;Consommation signal","Condition":"ENABLE_CONSGAUGE >0"}
#include "SHPWMPin.h"
SHPWMPin shCONSPIN(CONS_PIN, 40);
#endif

#ifdef INCLUDE_GAMEPAD

#include "SHGamepadAxis.h"

#define GAMEPAD_AXIS_01_ENABLED 0           //{"Group":"Gamepad analog axis","Name":"GAMEPAD_AXIS_01_ENABLED","Title":"Throttle axis enabled","DefaultValue":"0","Type":"bool"}
#define GAMEPAD_AXIS_01_PIN 0               //{"Name":"GAMEPAD_AXIS_01_PIN","Title":"Throttle axis analog pin","DefaultValue":"0","Type":"pin;Throttle input","Condition":"GAMEPAD_AXIS_01_ENABLED>0"}
#define GAMEPAD_AXIS_01_MINVALUE 0          //{"Name":"GAMEPAD_AXIS_01_MINVALUE","Title":"Throttle axis analog minimum value","DefaultValue":"0","Type":"int","Condition":"GAMEPAD_AXIS_01_ENABLED>0"}
#define GAMEPAD_AXIS_01_MAXVALUE 1024       //{"Name":"GAMEPAD_AXIS_01_MAXVALUE","Title":"Throttle axis analog maximum value","DefaultValue":"1024","Type":"int","Condition":"GAMEPAD_AXIS_01_ENABLED>0"}
#define GAMEPAD_AXIS_01_SAMPLING 10         //{"Name":"GAMEPAD_AXIS_01_SAMPLING","Title":"Throttle axis analog sampling precision","DefaultValue":"10","Type":"list","Condition":"GAMEPAD_AXIS_01_ENABLED>0","ListValues":"10,10 bits(default 0->1024);11,11 bits oversampling (slower 0->2048)"}
#define GAMEPAD_AXIS_01_EXPONENTIALFACTOR 1 //{"Name":"GAMEPAD_AXIS_01_EXPONENTIALFACTOR","Title":"Throttle axis exponential correction","DefaultValue":"1","Type":"double","Condition":"GAMEPAD_AXIS_01_ENABLED>0","dMin":0.1,"dMax":1.9}

#define GAMEPAD_AXIS_02_ENABLED 0           //{"Name":"GAMEPAD_AXIS_02_ENABLED","Title":"Accelerator axis enabled","DefaultValue":"0","Type":"bool"}
#define GAMEPAD_AXIS_02_PIN 0               //{"Name":"GAMEPAD_AXIS_02_PIN","Title":"Accelerator axis analog pin","DefaultValue":"0","Type":"pin;Accelerator input","Condition":"GAMEPAD_AXIS_02_ENABLED>0"}
#define GAMEPAD_AXIS_02_MINVALUE 0          //{"Name":"GAMEPAD_AXIS_02_MINVALUE","Title":"Accelerator axis analog minimum value","DefaultValue":"0","Type":"int","Condition":"GAMEPAD_AXIS_02_ENABLED>0"}
#define GAMEPAD_AXIS_02_MAXVALUE 1024       //{"Name":"GAMEPAD_AXIS_02_MAXVALUE","Title":"Accelerator axis analog maximum value","DefaultValue":"1024","Type":"int","Condition":"GAMEPAD_AXIS_02_ENABLED>0"}
#define GAMEPAD_AXIS_02_SAMPLING 10         //{"Name":"GAMEPAD_AXIS_02_SAMPLING","Title":"Accelerator axis analog sampling precision","DefaultValue":"10","Type":"list","Condition":"GAMEPAD_AXIS_02_ENABLED>0","ListValues":"10,10 bits(default 0->1024);11,11 bits oversampling (slower 0->2048)"}
#define GAMEPAD_AXIS_02_EXPONENTIALFACTOR 1 //{"Name":"GAMEPAD_AXIS_02_EXPONENTIALFACTOR","Title":"Accelerator axis exponential correction","DefaultValue":"1","Type":"double","Condition":"GAMEPAD_AXIS_02_ENABLED>0","dMin":0.1,"dMax":1.9}

#define GAMEPAD_AXIS_03_ENABLED 0           //{"Name":"GAMEPAD_AXIS_03_ENABLED","Title":"Brake axis enabled","DefaultValue":"0","Type":"bool"}
#define GAMEPAD_AXIS_03_PIN 0               //{"Name":"GAMEPAD_AXIS_03_PIN","Title":"Brake axis analog pin","DefaultValue":"0","Type":"pin;Brake input","Condition":"GAMEPAD_AXIS_03_ENABLED>0"}
#define GAMEPAD_AXIS_03_MINVALUE 0          //{"Name":"GAMEPAD_AXIS_03_MINVALUE","Title":"Brake axis analog minimum value","DefaultValue":"0","Type":"int","Condition":"GAMEPAD_AXIS_03_ENABLED>0"}
#define GAMEPAD_AXIS_03_MAXVALUE 1024       //{"Name":"GAMEPAD_AXIS_03_MAXVALUE","Title":"Brake axis analog maximum value","DefaultValue":"1024","Type":"int","Condition":"GAMEPAD_AXIS_03_ENABLED>0"}
#define GAMEPAD_AXIS_03_SAMPLING 10         //{"Name":"GAMEPAD_AXIS_03_SAMPLING","Title":"Brake axis analog sampling precision","DefaultValue":"10","Type":"list","Condition":"GAMEPAD_AXIS_03_ENABLED>0","ListValues":"10,10 bits(default 0->1024);11,11 bits oversampling (slower 0->2048)"}
#define GAMEPAD_AXIS_03_EXPONENTIALFACTOR 1 //{"Name":"GAMEPAD_AXIS_03_EXPONENTIALFACTOR","Title":"Brake axis exponential correction","DefaultValue":"1","Type":"double","Condition":"GAMEPAD_AXIS_03_ENABLED>0","dMin":0.1,"dMax":1.9}

#if(GAMEPAD_AXIS_01_ENABLED == 1)
SHGamepadAxis SHGAMEPADAXIS01(GAMEPAD_AXIS_01_PIN, 0, GAMEPAD_AXIS_01_MINVALUE, GAMEPAD_AXIS_01_MAXVALUE, GAMEPAD_AXIS_01_SAMPLING, GAMEPAD_AXIS_01_EXPONENTIALFACTOR);
#endif

#if(GAMEPAD_AXIS_02_ENABLED == 1)
SHGamepadAxis SHGAMEPADAXIS02(GAMEPAD_AXIS_02_PIN, 1, GAMEPAD_AXIS_02_MINVALUE, GAMEPAD_AXIS_02_MAXVALUE, GAMEPAD_AXIS_02_SAMPLING, GAMEPAD_AXIS_02_EXPONENTIALFACTOR);
#endif

#if(GAMEPAD_AXIS_03_ENABLED == 1)
SHGamepadAxis SHGAMEPADAXIS03(GAMEPAD_AXIS_03_PIN, 2, GAMEPAD_AXIS_03_MINVALUE, GAMEPAD_AXIS_03_MAXVALUE, GAMEPAD_AXIS_03_SAMPLING, GAMEPAD_AXIS_03_EXPONENTIALFACTOR);
#endif

#endif // INCLUDE_GAMEPAD



// ----------------------- ADDITIONAL BUTTONS ---------------------------------------------------------------
// https://github.com/zegreatclan/SimHub/wiki/Arduino-Press-Buttons
// ----------------------------------------------------------------------------------------------------------
#define ENABLED_BUTTONS_COUNT 0 //{"Group":"Additional Buttons","Name":"ENABLED_BUTTONS_COUNT","Title":"Additional buttons (directly connected to the arduino, 12 max) buttons count","DefaultValue":"0","Type":"int","Max":12}
#ifdef  INCLUDE_BUTTONS

#define BUTTON_PIN_1 3          //{"Name":"BUTTON_PIN_1","Title":"1'st Additional button digital pin","DefaultValue":"3","Type":"pin;Button 1","Condition":"ENABLED_BUTTONS_COUNT>=1"}
#define BUTTON_WIRINGMODE_1 0   //{"Name":"BUTTON_WIRINGMODE_1","Title":"1'st Additional button wiring","DefaultValue":"0","Type":"list","Condition":"ENABLED_BUTTONS_COUNT>=1","ListValues":"0,Pin to GND;1,VCC to pin"}
#define BUTTON_LOGICMODE_1 0    //{"Name":"BUTTON_LOGICMODE_1","Title":"1'st Additional button logic","DefaultValue":"0","Type":"list","Condition":"ENABLED_BUTTONS_COUNT>=1","ListValues":"0,Normal;1,Reversed"}

#define BUTTON_PIN_2 3          //{"Name":"BUTTON_PIN_2","Title":"2'nd Additional button digital pin","DefaultValue":"3","Type":"pin;Button 2","Condition":"ENABLED_BUTTONS_COUNT>=2"}
#define BUTTON_WIRINGMODE_2 0   //{"Name":"BUTTON_WIRINGMODE_2","Title":"2'nd Additional button wiring","DefaultValue":"0","Type":"list","Condition":"ENABLED_BUTTONS_COUNT>=2","ListValues":"0,Pin to GND;1,VCC to pin"}
#define BUTTON_LOGICMODE_2 0    //{"Name":"BUTTON_LOGICMODE_2","Title":"2'nd Additional button logic","DefaultValue":"0","Type":"list","Condition":"ENABLED_BUTTONS_COUNT>=2","ListValues":"0,Normal;1,Reversed"}

#define BUTTON_PIN_3 3          //{"Name":"BUTTON_PIN_3","Title":"3'rd Additional button digital pin","DefaultValue":"3","Type":"pin;Button 3","Condition":"ENABLED_BUTTONS_COUNT>=3"}
#define BUTTON_WIRINGMODE_3 0   //{"Name":"BUTTON_WIRINGMODE_3","Title":"3'rd Additional button wiring","DefaultValue":"0","Type":"list","Condition":"ENABLED_BUTTONS_COUNT>=3","ListValues":"0,Pin to GND;1,VCC to pin"}
#define BUTTON_LOGICMODE_3 0    //{"Name":"BUTTON_LOGICMODE_3","Title":"3'rd Additional button logic","DefaultValue":"0","Type":"list","Condition":"ENABLED_BUTTONS_COUNT>=3","ListValues":"0,Normal;1,Reversed"}

#define BUTTON_PIN_4 3          //{"Name":"BUTTON_PIN_4","Title":"4'th Additional button digital pin","DefaultValue":"3","Type":"pin;Button 4","Condition":"ENABLED_BUTTONS_COUNT>=4"}
#define BUTTON_WIRINGMODE_4 0   //{"Name":"BUTTON_WIRINGMODE_4","Title":"4'th Additional button wiring","DefaultValue":"0","Type":"list","Condition":"ENABLED_BUTTONS_COUNT>=4","ListValues":"0,Pin to GND;1,VCC to pin"}
#define BUTTON_LOGICMODE_4 0    //{"Name":"BUTTON_LOGICMODE_4","Title":"4'th Additional button logic","DefaultValue":"0","Type":"list","Condition":"ENABLED_BUTTONS_COUNT>=4","ListValues":"0,Normal;1,Reversed"}

#define BUTTON_PIN_5 3          //{"Name":"BUTTON_PIN_5","Title":"5'th Additional button digital pin","DefaultValue":"3","Type":"pin;Button 5","Condition":"ENABLED_BUTTONS_COUNT>=5"}
#define BUTTON_WIRINGMODE_5 0   //{"Name":"BUTTON_WIRINGMODE_5","Title":"5'th Additional button wiring","DefaultValue":"0","Type":"list","Condition":"ENABLED_BUTTONS_COUNT>=5","ListValues":"0,Pin to GND;1,VCC to pin"}
#define BUTTON_LOGICMODE_5 0    //{"Name":"BUTTON_LOGICMODE_5","Title":"5'th Additional button logic","DefaultValue":"0","Type":"list","Condition":"ENABLED_BUTTONS_COUNT>=5","ListValues":"0,Normal;1,Reversed"}

#define BUTTON_PIN_6 3          //{"Name":"BUTTON_PIN_6","Title":"6'th Additional button digital pin","DefaultValue":"3","Type":"pin;Button 6","Condition":"ENABLED_BUTTONS_COUNT>=6"}
#define BUTTON_WIRINGMODE_6 0   //{"Name":"BUTTON_WIRINGMODE_6","Title":"6'th Additional button wiring","DefaultValue":"0","Type":"list","Condition":"ENABLED_BUTTONS_COUNT>=6","ListValues":"0,Pin to GND;1,VCC to pin"}
#define BUTTON_LOGICMODE_6 0    //{"Name":"BUTTON_LOGICMODE_6","Title":"6'th Additional button logic","DefaultValue":"0","Type":"list","Condition":"ENABLED_BUTTONS_COUNT>=6","ListValues":"0,Normal;1,Reversed"}

#define BUTTON_PIN_7 3          //{"Name":"BUTTON_PIN_7","Title":"7'th Additional button digital pin","DefaultValue":"3","Type":"pin;Button 7","Condition":"ENABLED_BUTTONS_COUNT>=7"}
#define BUTTON_WIRINGMODE_7 0   //{"Name":"BUTTON_WIRINGMODE_7","Title":"7'th Additional button wiring","DefaultValue":"0","Type":"list","Condition":"ENABLED_BUTTONS_COUNT>=7","ListValues":"0,Pin to GND;1,VCC to pin"}
#define BUTTON_LOGICMODE_7 0    //{"Name":"BUTTON_LOGICMODE_7","Title":"7'th Additional button logic","DefaultValue":"0","Type":"list","Condition":"ENABLED_BUTTONS_COUNT>=7","ListValues":"0,Normal;1,Reversed"}

#define BUTTON_PIN_8 3          //{"Name":"BUTTON_PIN_8","Title":"8'th Additional button digital pin","DefaultValue":"3","Type":"pin;Button 8","Condition":"ENABLED_BUTTONS_COUNT>=8"}
#define BUTTON_WIRINGMODE_8 0   //{"Name":"BUTTON_WIRINGMODE_8","Title":"8'th Additional button wiring","DefaultValue":"0","Type":"list","Condition":"ENABLED_BUTTONS_COUNT>=8","ListValues":"0,Pin to GND;1,VCC to pin"}
#define BUTTON_LOGICMODE_8 0    //{"Name":"BUTTON_LOGICMODE_8","Title":"8'th Additional button logic","DefaultValue":"0","Type":"list","Condition":"ENABLED_BUTTONS_COUNT>=8","ListValues":"0,Normal;1,Reversed"}

#define BUTTON_PIN_9 3          //{"Name":"BUTTON_PIN_9","Title":"9'th Additional button digital pin","DefaultValue":"3","Type":"pin;Button 9","Condition":"ENABLED_BUTTONS_COUNT>=9"}
#define BUTTON_WIRINGMODE_9 0   //{"Name":"BUTTON_WIRINGMODE_9","Title":"9'th Additional button wiring","DefaultValue":"0","Type":"list","Condition":"ENABLED_BUTTONS_COUNT>=9","ListValues":"0,Pin to GND;1,VCC to pin"}
#define BUTTON_LOGICMODE_9 0    //{"Name":"BUTTON_LOGICMODE_9","Title":"9'th Additional button logic","DefaultValue":"0","Type":"list","Condition":"ENABLED_BUTTONS_COUNT>=9","ListValues":"0,Normal;1,Reversed"}

#define BUTTON_PIN_10 3         //{"Name":"BUTTON_PIN_10","Title":"10'th Additional button digital pin","DefaultValue":"3","Type":"pin;Button 10","Condition":"ENABLED_BUTTONS_COUNT>=10"}
#define BUTTON_WIRINGMODE_10 0  //{"Name":"BUTTON_WIRINGMODE_10","Title":"10'th Additional button wiring","DefaultValue":"0","Type":"list","Condition":"ENABLED_BUTTONS_COUNT>=10","ListValues":"0,Pin to GND;1,VCC to pin"}
#define BUTTON_LOGICMODE_10 0   //{"Name":"BUTTON_LOGICMODE_10","Title":"10'th Additional button logic","DefaultValue":"0","Type":"list","Condition":"ENABLED_BUTTONS_COUNT>=10","ListValues":"0,Normal;1,Reversed"}

#define BUTTON_PIN_11 3         //{"Name":"BUTTON_PIN_11","Title":"11'th Additional button digital pin","DefaultValue":"3","Type":"pin;Button 11","Condition":"ENABLED_BUTTONS_COUNT>=11"}
#define BUTTON_WIRINGMODE_11 0  //{"Name":"BUTTON_WIRINGMODE_11","Title":"11'th Additional button wiring","DefaultValue":"0","Type":"list","Condition":"ENABLED_BUTTONS_COUNT>=11","ListValues":"0,Pin to GND;1,VCC to pin"}
#define BUTTON_LOGICMODE_11 0   //{"Name":"BUTTON_LOGICMODE_11","Title":"11'th Additional button logic","DefaultValue":"0","Type":"list","Condition":"ENABLED_BUTTONS_COUNT>=11","ListValues":"0,Normal;1,Reversed"}

#define BUTTON_PIN_12 3         //{"Name":"BUTTON_PIN_12","Title":"12'th Additional button digital pin","DefaultValue":"3","Type":"pin;Button 12","Condition":"ENABLED_BUTTONS_COUNT>=12"}
#define BUTTON_WIRINGMODE_12 0  //{"Name":"BUTTON_WIRINGMODE_12","Title":"12'th Additional button wiring","DefaultValue":"0","Type":"list","Condition":"ENABLED_BUTTONS_COUNT>=12","ListValues":"0,Pin to GND;1,VCC to pin"}
#define BUTTON_LOGICMODE_12 0   //{"Name":"BUTTON_LOGICMODE_12","Title":"12'th Additional button logic","DefaultValue":"0","Type":"list","Condition":"ENABLED_BUTTONS_COUNT>=12","ListValues":"0,Normal;1,Reversed"}


int BUTTON_PINS[] = { BUTTON_PIN_1, BUTTON_PIN_2, BUTTON_PIN_3, BUTTON_PIN_4, BUTTON_PIN_5, BUTTON_PIN_6, BUTTON_PIN_7, BUTTON_PIN_8, BUTTON_PIN_9,BUTTON_PIN_10,BUTTON_PIN_11,BUTTON_PIN_12 };
int BUTTON_WIRING_MODES[] = { BUTTON_WIRINGMODE_1, BUTTON_WIRINGMODE_2, BUTTON_WIRINGMODE_3, BUTTON_WIRINGMODE_4, BUTTON_WIRINGMODE_5, BUTTON_WIRINGMODE_6, BUTTON_WIRINGMODE_7, BUTTON_WIRINGMODE_8, BUTTON_WIRINGMODE_9,BUTTON_WIRINGMODE_10,BUTTON_WIRINGMODE_11,BUTTON_WIRINGMODE_12 };
int BUTTON_LOGIC_MODES[] = { BUTTON_LOGICMODE_1,  BUTTON_LOGICMODE_2,  BUTTON_LOGICMODE_3,  BUTTON_LOGICMODE_4,  BUTTON_LOGICMODE_5,  BUTTON_LOGICMODE_6,  BUTTON_LOGICMODE_7,  BUTTON_LOGICMODE_8,  BUTTON_LOGICMODE_9, BUTTON_LOGICMODE_10, BUTTON_LOGICMODE_11, BUTTON_LOGICMODE_12 };
SHButton button1, button2, button3, button4, button5, button6, button7, button8, button9, button10, button11, button12;
SHButton* BUTTONS[] = { &button1, &button2, &button3, &button4, &button5, &button6, &button7, &button8 , &button9, &button10, &button11, &button12 };

#endif

SHDebouncer ButtonsDebouncer(10);

// ----------------------- ROTARY ENCODERS ------------------------------------------------------------------
// https://www.dx.com/p/ky-040-rotary-encoder-module-brick-sensor-development-for-arduino-avr-pic-420429#.W9BCM0sza0Q
// Rotary encoders with pull-up resistors on the 3 outputs
// ----------------------------------------------------------------------------------------------------------
#define ENABLED_ENCODERS_COUNT 2     //{"Group":"Rotary Encoders","Name":"ENABLED_ENCODERS_COUNT","Title":"Rotary encoders enabled","DefaultValue":"0","Type":"int","Max":8}
#ifdef  INCLUDE_ENCODERS
#include "SHRotaryEncoder.h"

#define ENCODER1_CLK_PIN 4           //{"Name":"ENCODER1_CLK_PIN","Title":"Encoder 1 output A (CLK) pin","DefaultValue":"7","Type":"pin;Encoder 1 CLK","Condition":"ENABLED_ENCODERS_COUNT>0"}
#define ENCODER1_DT_PIN 5            //{"Name":"ENCODER1_DT_PIN","Title":"Encoder 1 output B (DT) pin","DefaultValue":"8","Type":"pin;Encoder 1 DT","Condition":"ENABLED_ENCODERS_COUNT>0"}
#define ENCODER1_BUTTON_PIN 21       //{"Name":"ENCODER1_BUTTON_PIN","Title":"Encoder 1 button (SW) pin","DefaultValue":"9","Type":"pin;Encoder 1 SWITCH","Condition":"ENABLED_ENCODERS_COUNT>0","Min":-1}
#define ENCODER1_ENABLE_PULLUP 1     //{"Name":"ENCODER1_ENABLE_PULLUP","Title":"Encoder 1 enable pullup resistor","DefaultValue":"0","Type":"bool","Condition":"ENABLED_ENCODERS_COUNT>0"}
#define ENCODER1_REVERSE_DIRECTION 1 //{"Name":"ENCODER1_REVERSE_DIRECTION","Title":"Encoder 1 reverse direction","DefaultValue":"0","Type":"bool","Condition":"ENABLED_ENCODERS_COUNT>0"}
#define ENCODER1_ENABLE_HALFSTEPS 0  //{"Name":"ENCODER1_ENABLE_HALFSTEPS","Title":"Encoder 1 steps mode","DefaultValue":"0","Type":"list","Condition":"ENABLED_ENCODERS_COUNT>=1","ListValues":"0,Full steps;1,Half steps"}

#define ENCODER2_CLK_PIN 2           //{"Name":"ENCODER2_CLK_PIN","Title":"Encoder 2 output A (CLK) pin","DefaultValue":"11","Type":"pin;Encoder 2 CLK","Condition":"ENABLED_ENCODERS_COUNT>1"}
#define ENCODER2_DT_PIN 3            //{"Name":"ENCODER2_DT_PIN","Title":"Encoder 2 output B (DT) pin","DefaultValue":"12","Type":"pin;Encoder 2 DT","Condition":"ENABLED_ENCODERS_COUNT>1"}
#define ENCODER2_BUTTON_PIN -1       //{"Name":"ENCODER2_BUTTON_PIN","Title":"Encoder 2 button (SW) pin","DefaultValue":"13","Type":"pin;Encoder 2 SWITCH","Condition":"ENABLED_ENCODERS_COUNT>1","Min":-1}
#define ENCODER2_ENABLE_PULLUP 1     //{"Name":"ENCODER2_ENABLE_PULLUP","Title":"Encoder 2 enable pullup resistor","DefaultValue":"0","Type":"bool","Condition":"ENABLED_ENCODERS_COUNT>1"}
#define ENCODER2_REVERSE_DIRECTION 1 //{"Name":"ENCODER2_REVERSE_DIRECTION","Title":"Encoder 2 reverse direction","DefaultValue":"0","Type":"bool","Condition":"ENABLED_ENCODERS_COUNT>1"}
#define ENCODER2_ENABLE_HALFSTEPS 0  //{"Name":"ENCODER2_ENABLE_HALFSTEPS","Title":"Encoder 2 steps mode","DefaultValue":"0","Type":"list","Condition":"ENABLED_ENCODERS_COUNT>=2","ListValues":"0,Full steps;1,Half steps"}

#define ENCODER3_CLK_PIN 7           //{"Name":"ENCODER3_CLK_PIN","Title":"Encoder 3 output A (CLK) pin","DefaultValue":"7","Type":"pin;Encoder 3 CLK","Condition":"ENABLED_ENCODERS_COUNT>2"}
#define ENCODER3_DT_PIN 8            //{"Name":"ENCODER3_DT_PIN","Title":"Encoder 3 output B (DT) pin","DefaultValue":"8","Type":"pin;Encoder 3 DT","Condition":"ENABLED_ENCODERS_COUNT>2"}
#define ENCODER3_BUTTON_PIN 9        //{"Name":"ENCODER3_BUTTON_PIN","Title":"Encoder 3 button (SW) pin","DefaultValue":"9","Type":"pin;Encoder 3 SWITCH","Condition":"ENABLED_ENCODERS_COUNT>2","Min":-1}
#define ENCODER3_ENABLE_PULLUP 0     //{"Name":"ENCODER3_ENABLE_PULLUP","Title":"Encoder 3 enable pullup resistor","DefaultValue":"0","Type":"bool","Condition":"ENABLED_ENCODERS_COUNT>2"}
#define ENCODER3_REVERSE_DIRECTION 0 //{"Name":"ENCODER3_REVERSE_DIRECTION","Title":"Encoder 3 reverse direction","DefaultValue":"0","Type":"bool","Condition":"ENABLED_ENCODERS_COUNT>2"}
#define ENCODER3_ENABLE_HALFSTEPS 0  //{"Name":"ENCODER3_ENABLE_HALFSTEPS","Title":"Encoder 3 steps mode","DefaultValue":"0","Type":"list","Condition":"ENABLED_ENCODERS_COUNT>=3","ListValues":"0,Full steps;1,Half steps"}

#define ENCODER4_CLK_PIN 7           //{"Name":"ENCODER4_CLK_PIN","Title":"Encoder 4 output A (CLK) pin","DefaultValue":"7","Type":"pin;Encoder 4 CLK","Condition":"ENABLED_ENCODERS_COUNT>3"}
#define ENCODER4_DT_PIN 8            //{"Name":"ENCODER4_DT_PIN","Title":"Encoder 4 output B (DT) pin","DefaultValue":"8","Type":"pin;Encoder 4 DT","Condition":"ENABLED_ENCODERS_COUNT>3"}
#define ENCODER4_BUTTON_PIN 9        //{"Name":"ENCODER4_BUTTON_PIN","Title":"Encoder 4 button (SW) pin","DefaultValue":"9","Type":"pin;Encoder 4 SWITCH","Condition":"ENABLED_ENCODERS_COUNT>3","Min":-1}
#define ENCODER4_ENABLE_PULLUP 0     //{"Name":"ENCODER4_ENABLE_PULLUP","Title":"Encoder 4 enable pullup resistor","DefaultValue":"0","Type":"bool","Condition":"ENABLED_ENCODERS_COUNT>3"}
#define ENCODER4_REVERSE_DIRECTION 0 //{"Name":"ENCODER4_REVERSE_DIRECTION","Title":"Encoder 4 reverse direction","DefaultValue":"0","Type":"bool","Condition":"ENABLED_ENCODERS_COUNT>3"}
#define ENCODER4_ENABLE_HALFSTEPS 0  //{"Name":"ENCODER4_ENABLE_HALFSTEPS","Title":"Encoder 4 steps mode","DefaultValue":"0","Type":"list","Condition":"ENABLED_ENCODERS_COUNT>=4","ListValues":"0,Full steps;1,Half steps"}

#define ENCODER5_CLK_PIN 7           //{"Name":"ENCODER5_CLK_PIN","Title":"Encoder 5 output A (CLK) pin","DefaultValue":"7","Type":"pin;Encoder 5 CLK","Condition":"ENABLED_ENCODERS_COUNT>4"}
#define ENCODER5_DT_PIN 8            //{"Name":"ENCODER5_DT_PIN","Title":"Encoder 5 output B (DT) pin","DefaultValue":"8","Type":"pin;Encoder 5 DT","Condition":"ENABLED_ENCODERS_COUNT>4"}
#define ENCODER5_BUTTON_PIN 9        //{"Name":"ENCODER5_BUTTON_PIN","Title":"Encoder 5 button (SW) pin","DefaultValue":"9","Type":"pin;Encoder 5 SWITCH","Condition":"ENABLED_ENCODERS_COUNT>4","Min":-1}
#define ENCODER5_ENABLE_PULLUP 0     //{"Name":"ENCODER5_ENABLE_PULLUP","Title":"Encoder 5 enable pullup resistor","DefaultValue":"0","Type":"bool","Condition":"ENABLED_ENCODERS_COUNT>4"}
#define ENCODER5_REVERSE_DIRECTION 0 //{"Name":"ENCODER5_REVERSE_DIRECTION","Title":"Encoder 5 reverse direction","DefaultValue":"0","Type":"bool","Condition":"ENABLED_ENCODERS_COUNT>4"}
#define ENCODER5_ENABLE_HALFSTEPS 0  //{"Name":"ENCODER5_ENABLE_HALFSTEPS","Title":"Encoder 5 steps mode","DefaultValue":"0","Type":"list","Condition":"ENABLED_ENCODERS_COUNT>=5","ListValues":"0,Full steps;1,Half steps"}

#define ENCODER6_CLK_PIN 7           //{"Name":"ENCODER6_CLK_PIN","Title":"Encoder 6 output A (CLK) pin","DefaultValue":"7","Type":"pin;Encoder 6 CLK","Condition":"ENABLED_ENCODERS_COUNT>5"}
#define ENCODER6_DT_PIN 8            //{"Name":"ENCODER6_DT_PIN","Title":"Encoder 6 output B (DT) pin","DefaultValue":"8","Type":"pin;Encoder 6 DT","Condition":"ENABLED_ENCODERS_COUNT>5"}
#define ENCODER6_BUTTON_PIN 9        //{"Name":"ENCODER6_BUTTON_PIN","Title":"Encoder 6 button (SW) pin","DefaultValue":"9","Type":"pin;Encoder 6 SWITCH","Condition":"ENABLED_ENCODERS_COUNT>5","Min":-1}
#define ENCODER6_ENABLE_PULLUP 0     //{"Name":"ENCODER6_ENABLE_PULLUP","Title":"Encoder 6 enable pullup resistor","DefaultValue":"0","Type":"bool","Condition":"ENABLED_ENCODERS_COUNT>5"}
#define ENCODER6_REVERSE_DIRECTION 0 //{"Name":"ENCODER6_REVERSE_DIRECTION","Title":"Encoder 6 reverse direction","DefaultValue":"0","Type":"bool","Condition":"ENABLED_ENCODERS_COUNT>5"}
#define ENCODER6_ENABLE_HALFSTEPS 0  //{"Name":"ENCODER6_ENABLE_HALFSTEPS","Title":"Encoder 6 steps mode","DefaultValue":"0","Type":"list","Condition":"ENABLED_ENCODERS_COUNT>=6","ListValues":"0,Full steps;1,Half steps"}

#define ENCODER7_CLK_PIN 7           //{"Name":"ENCODER7_CLK_PIN","Title":"Encoder 7 output A (CLK) pin","DefaultValue":"7","Type":"pin;Encoder 7 CLK","Condition":"ENABLED_ENCODERS_COUNT>6"}
#define ENCODER7_DT_PIN 8            //{"Name":"ENCODER7_DT_PIN","Title":"Encoder 7 output B (DT) pin","DefaultValue":"8","Type":"pin;Encoder 7 DT","Condition":"ENABLED_ENCODERS_COUNT>6"}
#define ENCODER7_BUTTON_PIN 9        //{"Name":"ENCODER7_BUTTON_PIN","Title":"Encoder 7 button (SW) pin","DefaultValue":"9","Type":"pin;Encoder 7 SWITCH","Condition":"ENABLED_ENCODERS_COUNT>6","Min":-1}
#define ENCODER7_ENABLE_PULLUP 0     //{"Name":"ENCODER7_ENABLE_PULLUP","Title":"Encoder 7 enable pullup resistor","DefaultValue":"0","Type":"bool","Condition":"ENABLED_ENCODERS_COUNT>6"}
#define ENCODER7_REVERSE_DIRECTION 0 //{"Name":"ENCODER7_REVERSE_DIRECTION","Title":"Encoder 7 reverse direction","DefaultValue":"0","Type":"bool","Condition":"ENABLED_ENCODERS_COUNT>6"}
#define ENCODER7_ENABLE_HALFSTEPS 0  //{"Name":"ENCODER7_ENABLE_HALFSTEPS","Title":"Encoder 7 steps mode","DefaultValue":"0","Type":"list","Condition":"ENABLED_ENCODERS_COUNT>=7","ListValues":"0,Full steps;1,Half steps"}

#define ENCODER8_CLK_PIN 7           //{"Name":"ENCODER8_CLK_PIN","Title":"Encoder 8 output A (CLK) pin","DefaultValue":"7","Type":"pin;Encoder 8 CLK","Condition":"ENABLED_ENCODERS_COUNT>7"}
#define ENCODER8_DT_PIN 8            //{"Name":"ENCODER8_DT_PIN","Title":"Encoder 8 output B (DT) pin","DefaultValue":"8","Type":"pin;Encoder 8 DT","Condition":"ENABLED_ENCODERS_COUNT>7"}
#define ENCODER8_BUTTON_PIN 9        //{"Name":"ENCODER8_BUTTON_PIN","Title":"Encoder 8 button (SW) pin","DefaultValue":"9","Type":"pin;Encoder 8 SWITCH","Condition":"ENABLED_ENCODERS_COUNT>7","Min":-1}
#define ENCODER8_ENABLE_PULLUP 0     //{"Name":"ENCODER8_ENABLE_PULLUP","Title":"Encoder 8 enable pullup resistor","DefaultValue":"0","Type":"bool","Condition":"ENABLED_ENCODERS_COUNT>7"}
#define ENCODER8_REVERSE_DIRECTION 0 //{"Name":"ENCODER8_REVERSE_DIRECTION","Title":"Encoder 8 reverse direction","DefaultValue":"0","Type":"bool","Condition":"ENABLED_ENCODERS_COUNT>7"}
#define ENCODER8_ENABLE_HALFSTEPS 0  //{"Name":"ENCODER8_ENABLE_HALFSTEPS","Title":"Encoder 8 steps mode","DefaultValue":"0","Type":"list","Condition":"ENABLED_ENCODERS_COUNT>=8","ListValues":"0,Full steps;1,Half steps"}

SHRotaryEncoder encoder1, encoder2, encoder3, encoder4, encoder5, encoder6, encoder7, encoder8;
SHRotaryEncoder* SHRotaryEncoders[] = { &encoder1, &encoder2, &encoder3, &encoder4, &encoder5, &encoder6, &encoder7, &encoder8 };
#endif

// ----------------------- ROTARY ENCODERS ------------------------------------------------------------------
// https://www.dx.com/p/ky-040-rotary-encoder-module-brick-sensor-development-for-arduino-avr-pic-420429#.W9BCM0sza0Q
// Rotary encoders with pull-up resistors on the 3 outputs
// ----------------------------------------------------------------------------------------------------------
#define ENABLED_BUTTONMATRIX 1 //{"Group":"Button matrix","Name":"ENABLED_BUTTONMATRIX","Title":"Button matrix enabled","DefaultValue":"0","Type":"bool"}

#define BMATRIX_COLS 3         //{"Name":"BMATRIX_COLS","Title":"Columns","DefaultValue":"3","Type":"int","Condition":"ENABLED_BUTTONMATRIX>0","Min":2,"Max":8}
#define BMATRIX_ROWS 4         //{"Name":"BMATRIX_ROWS","Title":"Rows","DefaultValue":"3","Type":"int","Condition":"ENABLED_BUTTONMATRIX>0","Min":2,"Max":8}

#ifdef  INCLUDE_BUTTONMATRIX
#include "SHButtonMatrix.h"
#define BMATRIX_COL1 14        //{"Name":"BMATRIX_COL1","Title":"Column 1 pin","DefaultValue":"2","Type":"pin;Button M. Col 1","Condition":"ENABLED_BUTTONMATRIX>0 && BMATRIX_COLS>=1"}
#define BMATRIX_COL2 10        //{"Name":"BMATRIX_COL2","Title":"Column 2 pin","DefaultValue":"3","Type":"pin;Button M. Col 2","Condition":"ENABLED_BUTTONMATRIX>0 && BMATRIX_COLS>=2"}
#define BMATRIX_COL3 9         //{"Name":"BMATRIX_COL3","Title":"Column 3 pin","DefaultValue":"4","Type":"pin;Button M. Col 3","Condition":"ENABLED_BUTTONMATRIX>0 && BMATRIX_COLS>=3"}
#define BMATRIX_COL4 5         //{"Name":"BMATRIX_COL4","Title":"Column 4 pin","DefaultValue":"5","Type":"pin;Button M. Col 4","Condition":"ENABLED_BUTTONMATRIX>0 && BMATRIX_COLS>=4"}
#define BMATRIX_COL5 2         //{"Name":"BMATRIX_COL5","Title":"Column 5 pin","DefaultValue":"2","Type":"pin;Button M. Col 5","Condition":"ENABLED_BUTTONMATRIX>0 && BMATRIX_COLS>=5"}
#define BMATRIX_COL6 2         //{"Name":"BMATRIX_COL6","Title":"Column 6 pin","DefaultValue":"2","Type":"pin;Button M. Col 6","Condition":"ENABLED_BUTTONMATRIX>0 && BMATRIX_COLS>=6"}
#define BMATRIX_COL7 2         //{"Name":"BMATRIX_COL7","Title":"Column 7 pin","DefaultValue":"2","Type":"pin;Button M. Col 7","Condition":"ENABLED_BUTTONMATRIX>0 && BMATRIX_COLS>=7"}
#define BMATRIX_COL8 2         //{"Name":"BMATRIX_COL8","Title":"Column 8 pin","DefaultValue":"2","Type":"pin;Button M. Col 8","Condition":"ENABLED_BUTTONMATRIX>0 && BMATRIX_COLS>=8"}

#define BMATRIX_ROW1 20        //{"Name":"BMATRIX_ROW1","Title":"Row 1 pin","DefaultValue":"6","Type":"pin;Button M. Row 1","Condition":"ENABLED_BUTTONMATRIX>0 && BMATRIX_ROWS>=1"}
#define BMATRIX_ROW2 19        //{"Name":"BMATRIX_ROW2","Title":"Row 2 pin","DefaultValue":"7","Type":"pin;Button M. Row 2","Condition":"ENABLED_BUTTONMATRIX>0 && BMATRIX_ROWS>=2"}
#define BMATRIX_ROW3 18        //{"Name":"BMATRIX_ROW3","Title":"Row 3 pin","DefaultValue":"8","Type":"pin;Button M. Row 3","Condition":"ENABLED_BUTTONMATRIX>0 && BMATRIX_ROWS>=3"}
#define BMATRIX_ROW4 15        //{"Name":"BMATRIX_ROW4","Title":"Row 4 pin","DefaultValue":"9","Type":"pin;Button M. Row 4","Condition":"ENABLED_BUTTONMATRIX>0 && BMATRIX_ROWS>=4"}
#define BMATRIX_ROW5 2         //{"Name":"BMATRIX_ROW5","Title":"Row 5 pin","DefaultValue":"2","Type":"pin;Button M. Row 5","Condition":"ENABLED_BUTTONMATRIX>0 && BMATRIX_ROWS>=5"}
#define BMATRIX_ROW6 2         //{"Name":"BMATRIX_ROW6","Title":"Row 6 pin","DefaultValue":"2","Type":"pin;Button M. Row 6","Condition":"ENABLED_BUTTONMATRIX>0 && BMATRIX_ROWS>=6"}
#define BMATRIX_ROW7 2         //{"Name":"BMATRIX_ROW7","Title":"Row 7 pin","DefaultValue":"2","Type":"pin;Button M. Row 7","Condition":"ENABLED_BUTTONMATRIX>0 && BMATRIX_ROWS>=7"}
#define BMATRIX_ROW8 2         //{"Name":"BMATRIX_ROW8","Title":"Row 8 pin","DefaultValue":"2","Type":"pin;Button M. Row 8","Condition":"ENABLED_BUTTONMATRIX>0 && BMATRIX_ROWS>=8"}

byte BMATRIX_COLSDEF[8] = { BMATRIX_COL1, BMATRIX_COL2, BMATRIX_COL3, BMATRIX_COL4, BMATRIX_COL5, BMATRIX_COL6, BMATRIX_COL7, BMATRIX_COL8 };
byte BMATRIX_ROWSDEF[8] = { BMATRIX_ROW1, BMATRIX_ROW2, BMATRIX_ROW3, BMATRIX_ROW4, BMATRIX_ROW5, BMATRIX_ROW6, BMATRIX_ROW7, BMATRIX_ROW8 };

SHButtonMatrix shButtonMatrix;

#endif

// -------------------- SHAKEIT ADA MOTOR SHIELD V2 -------------------------------------------------------
// https://github.com/zegreatclan/SimHub/wiki/Arduino-Shake-It
// --------------------------------------------------------------------------------------------------------
#define ADAMOTORS_SHIELDSCOUNT 0 //{"Group":"SHAKEIT Adafruit Motorshield V2","Name":"ADAMOTORS_SHIELDSCOUNT","Title":"Number of adadruit shields connected (up to 3)","DefaultValue":"0","Type":"int","Max":3}
#ifdef INCLUDE_SHAKEITADASHIELD
#define ADAMOTORS_FREQ 1900      //{"Name":"ADAMOTORS_FREQ","Title":"PWM Frequency of the board (1900hz max)","DefaultValue":"1900","Type":"int","Condition":"ADAMOTORS_SHIELDSCOUNT>0","Min":10,"Max":1900}
#include "SHShakeitAdaMotorShieldV2.h"
SHShakeitAdaMotorShieldV2 shShakeitAdaMotorShieldV2;
#endif

// -------------------- SHAKEIT DUAL VNH5019 Board ------------------------------------------------------
// https://github.com/zegreatclan/SimHub/wiki/Arduino-Shake-It
// ------------------------------------------------------------------------------------------------------
#define DUALVNH5019_ENABLED 0          //{"Group":"SHAKEIT Dual VNH5019","Name":"DUALVNH5019_ENABLED","Title":"Dual VNH5019 board enabled","DefaultValue":"0","Type":"bool"}
#ifdef INCLUDE_SHAKEIDUALVNH5019
#define DUALVNH5019_REVERSEDIRECTION 0 //{"Name":"DUALVNH5019_REVERSEDIRECTION","Title":"Direction ","DefaultValue":"0","Type":"list","Condition":"DUALVNH5019_ENABLED>0","ListValues":"0,Clockwise;1,Counter clockwise"}
#include "SHShakeitDualVNH5019.h"
SHShakeitDualVNH5019 shShakeitDualVNH5019;
#endif

// -------------------- SHAKEIT MONSTER MOTO BOARD ------------------------------------------------------
// https://github.com/zegreatclan/SimHub/wiki/Arduino-Shake-It
// ------------------------------------------------------------------------------------------------------
#define MOTOMONSTER_ENABLED 0          //{"Group":"SHAKEIT MotoMonster Board","Name":"MOTOMONSTER_ENABLED","Title":"Moto Monster board enabled","DefaultValue":"0","Type":"bool"}
#ifdef INCLUDE_SHAKEITMOTOMONSTER
#define MOTOMONSTER_REVERSEDIRECTION 0 //{"Name":"MOTOMONSTER_REVERSEDIRECTION","Title":"Direction ","DefaultValue":"0","Type":"list","Condition":"MOTOMONSTER_ENABLED>0","ListValues":"0,Clockwise;1,Counter clockwise"}
#include "SHShakeitMotoMonster.h"
SHShakeitMotoMonster shShakeitMotoMonster;
#endif

// -------------------- SHAKEIT ADA MOTOR SHIELD / DK MOTOR SHIELD ----------------------------------------
// https://github.com/zegreatclan/SimHub/wiki/Arduino-Shake-It
// --------------------------------------------------------------------------------------------------------
#define DKMOTOR_SHIELDSCOUNT 0       //{"Group":"SHAKEIT DK Motor Shield","Name":"DKMOTOR_SHIELDSCOUNT","Title":"DK shield enabled\nDEPRECATED : See wiki","DefaultValue":"0","Type":"bool"}
#ifdef INCLUDE_SHAKEITDKSHIELD
#define DKMOTOR_USEHUMMINGREDUCING 0 //{"Name":"DKMOTOR_USEHUMMINGREDUCING","Title":"Change the pwm frequency to reduce humming (uno only), may strongly reduce power","DefaultValue":"0","Type":"bool","Condition":"DKMOTOR_SHIELDSCOUNT > 0"}
#include "SHShakeitDKMotorShield.h"
SHShakeitDKMotorShield shShakeitDKMotorShield;
#endif

// -------------------- SHAKEIT L298N BREAKOUT BOARD-- ----------------------------------------------------
// https://github.com/zegreatclan/SimHub/wiki/Arduino-Shake-It
// --------------------------------------------------------------------------------------------------------
#define L98NMOTORS_ENABLED 0 //{"Group":"SHAKEIT L298N Motors Board","Name":"L98NMOTORS_ENABLED","Title":"L298N motor board enabled","DefaultValue":"0","Type":"bool"}
#ifdef INCLUDE_SHAKEITL298N
// Motor 1
#define L98N_enA 10          //{"Name":"L98N_enA","Title":"ENA PWM pin","DefaultValue":"10","Type":"pin;L298N ENA","Condition":"L98NMOTORS_ENABLED>=1"}
#define L98N_in1 9           //{"Name":"L98N_in1","Title":"IN1 digital pin","DefaultValue":"9","Type":"pin;L298N IN1","Condition":"L98NMOTORS_ENABLED>=1"}
#define L98N_in2 8           //{"Name":"L98N_in2","Title":"IN2 digital pin","DefaultValue":"8","Type":"pin;L298N IN2","Condition":"L98NMOTORS_ENABLED>=1"}
// motor 2
#define L98N_enB 5           //{"Name":"L98N_enB","Title":"ENB PWM pin","DefaultValue":"5","Type":"pin;L298N ENB","Condition":"L98NMOTORS_ENABLED>=1"}
#define L98N_in3 7           //{"Name":"L98N_in3","Title":"IN3 digital pin","DefaultValue":"7","Type":"pin;L298N IN3","Condition":"L98NMOTORS_ENABLED>=1"}
#define L98N_in4 6           //{"Name":"L98N_in4","Title":"IN4 digital pin","DefaultValue":"6","Type":"pin;L298N IN4","Condition":"L98NMOTORS_ENABLED>=1"}
#include "SHShakeitL298N.h"
SHShakeitL298N shShakeitL298N;
#endif

// -------------------- SHAKEIT PWM OUTPUT ----------------------------------------------------------------
// https://github.com/zegreatclan/SimHub/wiki/Arduino-Shake-It
// --------------------------------------------------------------------------------------------------------
#define SHAKEITPWM_ENABLED_MOTORS 0 //{"Group":"SHAKEIT PWM Outputs","Name":"SHAKEITPWM_ENABLED_MOTORS","Title":"ShakeIT direct PWM outputs enabled, for fans, TIP120 or any PWM driven custom boards","DefaultValue":"0","Type":"int","Max":4}
#ifdef INCLUDE_SHAKEITPWM
#define SHAKEITPWM_O1 5             //{"Name":"SHAKEITPWM_O1","Title":"PWM Output 1 pin","DefaultValue":"5","Type":"pin;ShakeIt PWM 1","Condition":"SHAKEITPWM_ENABLED_MOTORS>=1"}
#define SHAKEITPWM_MIN_OUTPUT_O1 0  //{"Name":"SHAKEITPWM_MIN_OUTPUT_O1","Title":"PWM Output 1 min (lower values will disable output)","DefaultValue":"0","Type":"int","Condition":"SHAKEITPWM_ENABLED_MOTORS>=1","Max":255}
#define SHAKEITPWM_MAX_OUTPUT_O1 255 //{"Name":"SHAKEITPWM_MAX_OUTPUT_O1","Title":"PWM Output 1 max","DefaultValue":"255","Type":"int","Condition":"SHAKEITPWM_ENABLED_MOTORS>=1","Max":255}
#define SHAKEITPWM_O2 6             //{"Name":"SHAKEITPWM_O2","Title":"PWM Output 2 pin","DefaultValue":"6","Type":"pin;ShakeIt PWM 2","Condition":"SHAKEITPWM_ENABLED_MOTORS>=2"}
#define SHAKEITPWM_MIN_OUTPUT_O2 0  //{"Name":"SHAKEITPWM_MIN_OUTPUT_O2","Title":"PWM Output 2 min (lower values will disable output)","DefaultValue":"0","Type":"int","Condition":"SHAKEITPWM_ENABLED_MOTORS>=2","Max":255}
#define SHAKEITPWM_MAX_OUTPUT_O2 255 //{"Name":"SHAKEITPWM_MAX_OUTPUT_O2","Title":"PWM Output 2 max","DefaultValue":"255","Type":"int","Condition":"SHAKEITPWM_ENABLED_MOTORS>=2","Max":255}
#define SHAKEITPWM_O3 9             //{"Name":"SHAKEITPWM_O3","Title":"PWM Output 3 pin","DefaultValue":"9","Type":"pin;ShakeIt PWM 3","Condition":"SHAKEITPWM_ENABLED_MOTORS>=3"}
#define SHAKEITPWM_MIN_OUTPUT_O3 0  //{"Name":"SHAKEITPWM_MIN_OUTPUT_O3","Title":"PWM Output 3 min (lower values will disable output)","DefaultValue":"0","Type":"int","Condition":"SHAKEITPWM_ENABLED_MOTORS>=3","Max":255}
#define SHAKEITPWM_MAX_OUTPUT_O3 255 //{"Name":"SHAKEITPWM_MAX_OUTPUT_O3","Title":"PWM Output 3 max","DefaultValue":"255","Type":"int","Condition":"SHAKEITPWM_ENABLED_MOTORS>=3","Max":255}
#define SHAKEITPWM_O4 10            //{"Name":"SHAKEITPWM_O4","Title":"PWM Output 4 pin","DefaultValue":"10","Type":"pin;ShakeIt PWM 4","Condition":"SHAKEITPWM_ENABLED_MOTORS>=4"}
#define SHAKEITPWM_MIN_OUTPUT_O4 0  //{"Name":"SHAKEITPWM_MIN_OUTPUT_O4","Title":"PWM Output 4 min (lower values will disable output)","DefaultValue":"0","Type":"int","Condition":"SHAKEITPWM_ENABLED_MOTORS>=4","Max":255}
#define SHAKEITPWM_MAX_OUTPUT_O4 255 //{"Name":"SHAKEITPWM_MAX_OUTPUT_O4","Title":"PWM Output 4 max","DefaultValue":"255","Type":"int","Condition":"SHAKEITPWM_ENABLED_MOTORS>=4","Max":255}

#include "SHShakeitPWM.h"
SHShakeitPWM shShakeitPWM;
#endif

// -------------------- SHAKEIT PWM FANS OUTPUT ----------------------------------------------------------------
// https://github.com/zegreatclan/SimHub/wiki/Arduino-Shake-It
// --------------------------------------------------------------------------------------------------------
#define SHAKEITPWMFANS_ENABLED_MOTORS 0        //{"Group":"SHAKEIT PWM FANS Outputs","Name":"SHAKEITPWMFANS_ENABLED_MOTORS","Title":"ShakeIT direct PWM fans enabled (25khz PWM)\r\nArduino Uno : pins 9 or 10\r\nArduino Leonardo pins : 9, 10 or 11\r\nArduino Mega pins : 11, 12 or 13","DefaultValue":"0","Type":"int","Max":3}

#ifdef INCLUDE_SHAKEITPWMFANS
#define SHAKEITPWMFANS_O1 9                    //{"Name":"SHAKEITPWMFANS_O1","Title":"PWM Output 1 pin","DefaultValue":"9","Type":"pin;ShakeIt PWM Fan 1","Condition":"SHAKEITPWMFANS_ENABLED_MOTORS>=1"}
#define SHAKEITPWMFANS_MIN_OUTPUT_O1 0         //{"Name":"SHAKEITPWMFANS_MIN_OUTPUT_O1","Title":"PWM Output 1 min (lower values will disable output)","DefaultValue":"0","Type":"int","Condition":"SHAKEITPWMFANS_ENABLED_MOTORS>=1","Max":255}
#define SHAKEITPWMFANS_MAX_OUTPUT_O1 255       //{"Name":"SHAKEITPWMFANS_MAX_OUTPUT_O1","Title":"PWM Output 1 max","DefaultValue":"255","Type":"int","Condition":"SHAKEITPWMFANS_ENABLED_MOTORS>=1","Max":255}
#define SHAKEITPWMFANS_RELAY_PIN_01 4          //{"Name":"SHAKEITPWMFANS_RELAY_PIN_01","Title":"PWM Output 1 optional on/off relay pin","DefaultValue":"4","Type":"pin;PWN FAN 1 relay","Condition":"SHAKEITPWMFANS_ENABLED_MOTORS>=1","Min":-1}
#define SHAKEITPWMFANS_RELAY_DELAY_01 2000     //{"Name":"SHAKEITPWMFANS_RELAY_DELAY_01","Title":"PWM Output 1 optional relay off delay (ms)","DefaultValue":"2000","Type":"int","Condition":"SHAKEITPWMFANS_ENABLED_MOTORS>=1 && SHAKEITPWMFANS_RELAY_PIN_01 >0"}
#define SHAKEITPWMFANS_RELAY_REVERSELOGIC_01 0 //{"Name":"SHAKEITPWMFANS_RELAY_REVERSELOGIC_01","Title":"PWM Output 1 optional relay reversed logic\nWhen disabled relay pin will be LOW when the relay must be off,\r\nOtherwise when enabled the pin will be HIGH when the relay is off","DefaultValue":"0","Type":"bool","Condition":"SHAKEITPWMFANS_ENABLED_MOTORS>=1 && SHAKEITPWMFANS_RELAY_PIN_01 > 0"}

#define SHAKEITPWMFANS_O2 10                   //{"Name":"SHAKEITPWMFANS_O2","Title":"PWM Output 2 pin","DefaultValue":"10","Type":"pin;ShakeIt PWM Fan 2","Condition":"SHAKEITPWMFANS_ENABLED_MOTORS>=2"}
#define SHAKEITPWMFANS_MIN_OUTPUT_O2 0         //{"Name":"SHAKEITPWMFANS_MIN_OUTPUT_O2","Title":"PWM Output 2 min (lower values will disable output)","DefaultValue":"0","Type":"int","Condition":"SHAKEITPWMFANS_ENABLED_MOTORS>=2","Max":255}
#define SHAKEITPWMFANS_MAX_OUTPUT_O2 255       //{"Name":"SHAKEITPWMFANS_MAX_OUTPUT_O2","Title":"PWM Output 2 max","DefaultValue":"255","Type":"int","Condition":"SHAKEITPWMFANS_ENABLED_MOTORS>=2","Max":255}
#define SHAKEITPWMFANS_RELAY_PIN_02 5          //{"Name":"SHAKEITPWMFANS_RELAY_PIN_02","Title":"PWM Output 2 optional on/off relay pin","DefaultValue":"5","Type":"pin;PWN FAN 2 relay","Condition":"SHAKEITPWMFANS_ENABLED_MOTORS>=2","Min":-1}
#define SHAKEITPWMFANS_RELAY_DELAY_02 2000     //{"Name":"SHAKEITPWMFANS_RELAY_DELAY_02","Title":"PWM Output 2 optional relay off delay (ms)","DefaultValue":"2000","Type":"int","Condition":"SHAKEITPWMFANS_ENABLED_MOTORS>=2 && SHAKEITPWMFANS_RELAY_PIN_02 >0"}
#define SHAKEITPWMFANS_RELAY_REVERSELOGIC_02 0 //{"Name":"SHAKEITPWMFANS_RELAY_REVERSELOGIC_02","Title":"PWM Output 2 optional relay reversed logic\nWhen disabled relay pin will be LOW when the relay is off,\r\nOtherwise when enabled the pin will be HIGH when the relay is off","DefaultValue":"0","Type":"bool","Condition":"SHAKEITPWMFANS_ENABLED_MOTORS>=2 && SHAKEITPWMFANS_RELAY_PIN_02 > 0"}

#define SHAKEITPWMFANS_O3 11                   //{"Name":"SHAKEITPWMFANS_O3","Title":"PWM Output 3 pin","DefaultValue":"11","Type":"pin;ShakeIt PWM Fan 3","Condition":"SHAKEITPWMFANS_ENABLED_MOTORS>=3"}
#define SHAKEITPWMFANS_MIN_OUTPUT_O3 0         //{"Name":"SHAKEITPWMFANS_MIN_OUTPUT_O3","Title":"PWM Output 3 min (lower values will disable output)","DefaultValue":"0","Type":"int","Condition":"SHAKEITPWMFANS_ENABLED_MOTORS>=3","Max":255}
#define SHAKEITPWMFANS_MAX_OUTPUT_O3 255       //{"Name":"SHAKEITPWMFANS_MAX_OUTPUT_O3","Title":"PWM Output 3 max","DefaultValue":"255","Type":"int","Condition":"SHAKEITPWMFANS_ENABLED_MOTORS>=3","Max":255}
#define SHAKEITPWMFANS_RELAY_PIN_03 6          //{"Name":"SHAKEITPWMFANS_RELAY_PIN_03","Title":"PWM Output 3 optional on/off relay pin","DefaultValue":"6","Type":"pin;PWN FAN 3 relay","Condition":"SHAKEITPWMFANS_ENABLED_MOTORS>=3","Min":-1}
#define SHAKEITPWMFANS_RELAY_DELAY_03 2000     //{"Name":"SHAKEITPWMFANS_RELAY_DELAY_03","Title":"PWM Output 3 optional relay off delay (ms)","DefaultValue":"2000","Type":"int","Condition":"SHAKEITPWMFANS_ENABLED_MOTORS>=3 && SHAKEITPWMFANS_RELAY_PIN_03 >0"}
#define SHAKEITPWMFANS_RELAY_REVERSELOGIC_03 0 //{"Name":"SHAKEITPWMFANS_RELAY_REVERSELOGIC_03","Title":"PWM Output 3 optional relay reversed logic\nWhen disabled relay pin will be LOW when the relay is off,\r\nOtherwise when enabled the pin will be HIGH when the relay is off","DefaultValue":"0","Type":"bool","Condition":"SHAKEITPWMFANS_ENABLED_MOTORS>=3 && SHAKEITPWMFANS_RELAY_PIN_03 > 0"}

#define SHAKEITPWMFANS_O4 10                   //{"Name":"SHAKEITPWMFANS_O4","Title":"PWM Output 4 pin","DefaultValue":"10","Type":"pin;ShakeIt PWM Fan 4","Condition":"SHAKEITPWMFANS_ENABLED_MOTORS>=4"}
#define SHAKEITPWMFANS_MIN_OUTPUT_O4 0         //{"Name":"SHAKEITPWMFANS_MIN_OUTPUT_O4","Title":"PWM Output 4 min (lower values will disable output)","DefaultValue":"0","Type":"int","Condition":"SHAKEITPWMFANS_ENABLED_MOTORS>=4","Max":255}
#define SHAKEITPWMFANS_MAX_OUTPUT_O4 255       //{"Name":"SHAKEITPWMFANS_MAX_OUTPUT_O4","Title":"PWM Output 4 max","DefaultValue":"255","Type":"int","Condition":"SHAKEITPWMFANS_ENABLED_MOTORS>=4","Max":255}
#define SHAKEITPWMFANS_RELAY_PIN_04 7          //{"Name":"SHAKEITPWMFANS_RELAY_PIN_04","Title":"PWM Output 4 optional on/off relay pin","DefaultValue":"7","Type":"pin;PWN FAN 4 relay","Condition":"SHAKEITPWMFANS_ENABLED_MOTORS>=4","Min":-1}
#define SHAKEITPWMFANS_RELAY_DELAY_04 2000     //{"Name":"SHAKEITPWMFANS_RELAY_DELAY_04","Title":"PWM Output 4 optional relay off delay (ms)","DefaultValue":"2000","Type":"int","Condition":"SHAKEITPWMFANS_ENABLED_MOTORS>=4 && SHAKEITPWMFANS_RELAY_PIN_04 >0"}
#define SHAKEITPWMFANS_RELAY_REVERSELOGIC_04 0 //{"Name":"SHAKEITPWMFANS_RELAY_REVERSELOGIC_04","Title":"PWM Output 4 optional relay reversed logic\nWhen disabled relay pin will be LOW when the relay is off,\r\nOtherwise when enabled the pin will be HIGH when the relay is off","DefaultValue":"0","Type":"bool","Condition":"SHAKEITPWMFANS_ENABLED_MOTORS>=4 && SHAKEITPWMFANS_RELAY_PIN_04 > 0"}

#include "SHShakeitPWMFans.h"
SHShakeitPWMFans shShakeitPWMFans;
#endif

// -------------------- OLED GLCD -------------------------------------------------------------------------
// https://github.com/zegreatclan/SimHub/wiki/Arduino-SSD1306-0.96''-Oled-I2C
// --------------------------------------------------------------------------------------------------------

#define ENABLED_OLEDLCD 0 //{"Group":"Oled GLCD","Name":"ENABLED_OLEDLCD","Title":"OLED LCD enabled","DefaultValue":"0","Type":"bool","Pins":"328:18,OLED LCD SDA;19,OLED LCD SCK|mega:20,OLED LCD SDA;21,OLED LCD SCK|micro:2,OLED LCD SDA;3,OLED LCD SCK"}
#ifdef INCLUDE_OLED
#define ENABLED_NOKIALCD 0
#include "SHGLCD_I2COLED.h"
SHGLCD_I2COLED shGLCD;
#endif

// -------------------- NOKIA GLCD -------------------------------------------------------------------------
//
// ---------------------------------------------------------------------------------------------------------
#define ENABLED_NOKIALCD 0 //{"Group":"Nokia GLCD","Name":"ENABLED_NOKIALCD","Title":"Nokia LCD enabled","DefaultValue":"0","Type":"bool","Max":2}

#ifdef INCLUDE_NOKIALCD
#define ENABLED_OLEDLCD 0
#include <Adafruit_PCD8544.h>
#include "SHGLCD_NOKIA.h"
SHGLCD_NOKIA shNOKIA;

#endif

// --------------------------------------------------------------------------------------------------------
// 74HC595 Shift register, one 7seg module for gear indicator ---------------------------------------------
// DIY : http://lucidtronix.com/tutorials/2
// --------------------------------------------------------------------------------------------------------
// 0 disabled, 1 enabled
#define ENABLE_74HC595_GEAR_DISPLAY 0 //{"Group":"74HC595 Gear Display","Name":"ENABLE_74HC595_GEAR_DISPLAY","Title":"74HC595 gear display enabled","DefaultValue":"0","Type":"bool"}
#ifdef INCLUDE_74HC595_GEAR_DISPLAY
// Reverse led state
int RS_74HC595_INVERT = 0;
#define RS_74HC595_DATAPIN 2          //{"Name":"RS_74HC595_DATAPIN","Title":"DATA digital pin number","DefaultValue":"2","Type":"pin","Condition":"ENABLE_74HC595_GEAR_DISPLAY >0"}
#define RS_74HC595_LATCHPIN 3         //{"Name":"RS_74HC595_LATCHPIN","Title":"LATCH digital pin number","DefaultValue":"3","Type":"pin","Condition":"ENABLE_74HC595_GEAR_DISPLAY > 0"}
#define RS_74HC595_CLOCKPIN 4         //{"Name":"RS_74HC595_CLOCKPIN","Title":"CLOCK digital pin number","DefaultValue":"4","Type":"pin","Condition":"ENABLE_74HC595_GEAR_DISPLAY > 0"}
// RS_74HC595 DIGITS
// 0,1,2 ....
byte RS_74HC595_dec_digits[] = { 0b11111100, 0b01100000, 0b11011010, 0b11110010, 0b01100110, 0b10110110, 0b10111110, 0b11100000, 0b11111110, 0b11110110 };
// Empty
byte RS_74HC595_ClearDigit = 0b00000000;
// R
byte RS_74HC595_ReverseDigit = 0b10001100;
// N
byte RS_74HC595_NeutralDigit = 0b11101100;
#endif // INCLUDE_74HC595_GEAR_DISPLAY

// --------------------------------------------------------------------------------------------------------
// 6c595 Shift register, one 7seg module for gear indicator ---------------------------------------------
// DIY : https://www.xsimulator.net/community/threads/12cm-12v-7segments-gear-indicator-with-gamedash.5747/
// --------------------------------------------------------------------------------------------------------
#ifdef INCLUDE_6c595_GEAR_DISPLAY
#define ENABLE_6C595_GEAR_DISPLAY 0 //{"Group":"6c595 Gear Display","Name":"ENABLE_6C595_GEAR_DISPLAY","Title":"6C595 gear display enabled","DefaultValue":"0","Type":"bool"}
#define RS_6c595_DATAPIN 11         //{"Name":"RS_6c595_DATAPIN","Title":"DATA digital pin number, can't be changed !","DefaultValue":"11","Type":"pin","Condition":"ENABLE_6C595_GEAR_DISPLAY>0"}
#define RS_6c595_LATCHPIN 13        //{"Name":"RS_6c595_LATCHPIN","Title":"LATCH digital pin number, can't be changed !","DefaultValue":"13","Type":"pin","Condition":"ENABLE_6C595_GEAR_DISPLAY>0"}
#define RS_6c595_SLAVEPIN 10        //{"Name":"RS_6c595_SLAVEPIN","Title":"SLAVE digital pin number","DefaultValue":"10","Type":"pin","Condition":"ENABLE_6C595_GEAR_DISPLAY>0"}
byte g_6c595fontArray[] = {
	// dp-a-b-c-d-e-f-g
	0b10100001, // 0
	0b00101000, // 1
	0b11001101, // 2
	0b01101101, // 3
	0b00101011, // 4
	0b01100111, // 5
	0b11100111, // 6
	0b00101100, // 7
	0b01111111, // 8
	0b01111111, // 9
	0b00000000, // OFF empty
	0b10000001, // REVERSE SPEED
};
byte g_6c595LEDarray; //computed order that will be sent to the LED display
#endif

#include "SHLedsBackpack.h"

#ifdef INCLUDE_74HC595_GEAR_DISPLAY
void RS_74HC595_SendData(byte data) {
	// take the latchPin low so
	// the LEDs don't change while you're sending in bits:
	digitalWrite(RS_74HC595_LATCHPIN, LOW);
	// shift out the bits:
	shiftOut(RS_74HC595_DATAPIN, RS_74HC595_CLOCKPIN, MSBFIRST, data);
	//take the latch pin high so the LEDs will light up:
	digitalWrite(RS_74HC595_LATCHPIN, HIGH);
}

void RS_74HC595_SetChar(char c) {
	byte data = 0;
	if (c == ' ') {
		data = RS_74HC595_ClearDigit;
	}
	else if (c == 'R') {
		data = RS_74HC595_ReverseDigit;
	}
	else if (c == 'N') {
		data = RS_74HC595_NeutralDigit;
	}
	else {
		int value = c - '0';
		if (value >= 0 && value < 10) {
			data = RS_74HC595_dec_digits[value];
		}
	}

	if (RS_74HC595_INVERT == 1) {
		data = data ^ 0xFF;
	}
	RS_74HC595_SendData(data);
}

void RS_74HC595_Init() {
	//set pins to output so you can control the shift register
	pinMode(RS_74HC595_DATAPIN, OUTPUT);
	pinMode(RS_74HC595_LATCHPIN, OUTPUT);
	pinMode(RS_74HC595_CLOCKPIN, OUTPUT);
	RS_74HC595_SetChar(' ');
}
#endif // INCLUDE_74HC595_GEAR_DISPLAY

#ifdef INCLUDE_6c595_GEAR_DISPLAY
void RS_6c595_SetChar(char c) {
	byte data = 0;
	if (c == ' ') {
		data = g_6c595fontArray[10];
	}
	else if (c == 'R') {
		data = g_6c595fontArray[11];
	}
	else if (c == 'N') {
		data = g_6c595fontArray[0];
	}
	else {
		int value = c - '0';
		if (value >= 0 && value < 10) {
			data = g_6c595fontArray[value];
		}
	}
	digitalWrite(RS_6c595_SLAVEPIN, LOW); // << RCLK line goes low
	SPI.transfer(data);  //  << SRCLK goes  high-low 8 times to output 8 bits of data
	digitalWrite(RS_6c595_SLAVEPIN, HIGH); // data outputs change on this rising edge << RCLK line goes high to move data into output register
}
#endif //INCLUDE_6c595_GEAR_DISPLAY

#ifdef INCLUDE_GAMEPAD

//initialize an Joystick with 34 buttons;
Joystick_ Joystick(JOYSTICK_DEFAULT_REPORT_ID,
	JOYSTICK_TYPE_JOYSTICK, 128, 0,
	false, false, false, false, false, false,
	false, GAMEPAD_AXIS_01_ENABLED, GAMEPAD_AXIS_02_ENABLED, GAMEPAD_AXIS_03_ENABLED, false);

#endif

#include "SHCustomProtocol.h"
SHCustomProtocol shCustomProtocol;
#include "SHCommands.h"
#include "SHCommandsGlcd.h"
unsigned long lastMatrixRefresh = 0;

void idle(bool critical) {

#if(GAMEPAD_AXIS_01_ENABLED == 1)
	SHGAMEPADAXIS01.read();
#endif
#if(GAMEPAD_AXIS_02_ENABLED == 1)
	SHGAMEPADAXIS02.read();
#endif
#if(GAMEPAD_AXIS_03_ENABLED == 1)
	SHGAMEPADAXIS03.read();
#endif
#ifdef  INCLUDE_ENCODERS
	for (int i = 0; i < ENABLED_ENCODERS_COUNT; i++) {
		SHRotaryEncoders[i]->read();
	}
#endif

#ifdef  INCLUDE_BUTTONMATRIX
	shButtonMatrix.read();
#endif

	if (ButtonsDebouncer.Debounce()) {
		bool changed = false;
#ifdef INCLUDE_BUTTONS
		for (int btnIdx = 0; btnIdx < ENABLED_BUTTONS_COUNT; btnIdx++) {
			BUTTONS[btnIdx]->read();
		}
#endif
#ifdef INCLUDE_TM1638
		for (int i = 0; i < TM1638_ENABLEDMODULES; i++) {
			TM1638_screens[i]->Buttons = TM1638_screens[i]->Screen->getButtons();

			if (TM1638_screens[i]->Buttons != TM1638_screens[i]->Oldbuttons) {
				changed = true;
				byte mask = 0;
				for (int b = 0; b < 8; b++) {
					mask = 0b1 << b;
					if ((TM1638_screens[i]->Buttons & mask) != (TM1638_screens[i]->Oldbuttons & mask)) {
#ifdef INCLUDE_GAMEPAD

#else
						arqserial.CustomPacketStart(0x04, 3);
						arqserial.CustomPacketSendByte(i + 1);
						arqserial.CustomPacketSendByte(b + 1);
						arqserial.CustomPacketSendByte((TM1638_screens[i]->Oldbuttons & mask) > 0 ? 0 : 1);
						arqserial.CustomPacketEnd();
#endif

					}
				}
			}
			TM1638_screens[i]->Oldbuttons = TM1638_screens[i]->Buttons;
		}
#endif
#ifdef INCLUDE_GAMEPAD
		if (changed) {
			UpdateGamepadState();
		}
#endif
		shCustomProtocol.idle();
	}
}

#ifdef  INCLUDE_ENCODERS
void EncoderPositionChanged(int encoderId, int position, byte direction) {
#ifdef INCLUDE_GAMEPAD
	UpdateGamepadEncodersState(true);
#else
	if (direction < 2) {
		arqserial.CustomPacketStart(0x01, 3);
		arqserial.CustomPacketSendByte(encoderId);
		arqserial.CustomPacketSendByte(direction);
		arqserial.CustomPacketSendByte(position);
		arqserial.CustomPacketEnd();
	}
	else {
		arqserial.CustomPacketStart(0x02, 2);
		arqserial.CustomPacketSendByte(encoderId);
		arqserial.CustomPacketSendByte(direction - 2);
		arqserial.CustomPacketEnd();
	}
#endif
}
#endif

void buttonStatusChanged(int buttonId, byte Status) {
#ifdef INCLUDE_GAMEPAD
	Joystick.setButton(TM1638_ENABLEDMODULES * 8 + buttonId - 1, Status);
	Joystick.sendState();
#else
	arqserial.CustomPacketStart(0x03, 2);
	arqserial.CustomPacketSendByte(buttonId);
	arqserial.CustomPacketSendByte(Status);
	arqserial.CustomPacketEnd();
#endif
}

#ifdef  INCLUDE_BUTTONMATRIX
void buttonMatrixStatusChanged(int buttonId, byte Status) {
#ifdef INCLUDE_GAMEPAD
	Joystick.setButton(TM1638_ENABLEDMODULES * 8 + ENABLED_BUTTONS_COUNT + buttonId - 1, Status);
	Joystick.sendState();
#else
	arqserial.CustomPacketStart(0x03, 2);
	arqserial.CustomPacketSendByte(ENABLED_BUTTONS_COUNT + buttonId);
	arqserial.CustomPacketSendByte(Status);
	arqserial.CustomPacketEnd();
#endif
}
#endif

void setup()
{
	//#ifdef INCLUDE_TEMPGAUGE
	//	shTEMPPIN.SetValue((int)80);
	//#endif

#ifdef INCLUDE_FUELGAUGE
	shFUELPIN.SetValue((int)80);
#endif

	FlowSerialBegin(19200);

#ifdef INCLUDE_GAMEPAD
	Joystick.begin(false);
#endif

#ifdef INCLUDE_TM1638
	TM1638_Init();
#endif

#ifdef INCLUDE_TM1637
	TM1637_Init();
#endif

#ifdef INCLUDE_TM1637_6D
	TM1637_6D_Init();
#endif

#ifdef INCLUDE_WS2812B

#if(WS2812B_USEADAFRUITLIBRARY == 0)
#include "SHRGBLedsNeoPixelFastLed.h"
	shRGBLedsWS2812B.begin(WS2812B_RGBLEDCOUNT, WS2812B_RIGHTTOLEFT, WS2812B_TESTMODE);
#else
#include "SHRGBLedsNeoPixel.h"
	shRGBLedsWS2812B.begin(&WS2812B_strip, WS2812B_RGBLEDCOUNT, WS2812B_RIGHTTOLEFT, WS2812B_TESTMODE);
#endif
#endif
#ifdef INCLUDE_PL9823
	shRGBLedsPL9823.begin(&PL9823_strip, PL9823_RGBLEDCOUNT, PL9823_RIGHTTOLEFT, PL9823_TESTMODE);
#endif

#ifdef INCLUDE_WS2812B_MATRIX
	if (WS2812B_MATRIX_ENABLED > 0) {
		shRGBMatrixWS2812B.begin(64, WS2812B_MATRIX_LEFTRIGHTMIRROR, WS2812B_MATRIX_SERPENTINELAYOUT, WS2812B_MATRIX_SERPENTINELAYOUTREVERSE, false);
	}
#endif
#ifdef INCLUDE_DM163_MATRIX
	if (DM163_MATRIX_ENABLED > 0) {
		shRGBLedsDM163.begin(64, false, false);
	}
#endif
#ifdef INCLUDE_SUNFOUNDERSH104P_MATRIX
	if (SUNFOUNDERSH104P_MATRIX_ENABLED > 0) {
		shRGBMatrixSunfounderSH104P.begin(false);
	}
#endif
#ifdef INCLUDE_WS2801
	shRGBLedsWS2801.begin(&WS2801_strip, WS2801_RGBLEDCOUNT, WS2801_RIGHTTOLEFT, WS2801_TESTMODE);
#endif

#ifdef INCLUDE_MAX7221_MODULES
	shMAX72217Segment.begin(MAX7221_ENABLEDMODULES, MAX7221_DATA, MAX7221_CLK, MAX7221_LOAD);
#endif

#ifdef INCLUDE_MAX7221MATRIX
	shMatrixMAX7219.begin(MAX7221_MATRIX_DATA, MAX7221_MATRIX_CLK, MAX7221_MATRIX_LOAD);
#endif

	// 74HC595 INIT
#ifdef INCLUDE_74HC595_GEAR_DISPLAY
	if (ENABLE_74HC595_GEAR_DISPLAY == 1)
	{
		RS_74HC595_Init();
	}
#endif

#ifdef INCLUDE_TACHOMETER
	rpmTonePin.begin(TACHOMETER_PIN);
#endif

#ifdef INCLUDE_SPEEDOGAUGE
	speedoTonePin.begin(SPEEDO_PIN);
#endif

#ifdef INCLUDE_6c595_GEAR_DISPLAY
	if (ENABLE_6C595_GEAR_DISPLAY == 1) {
		pinMode(RS_6c595_DATAPIN, OUTPUT);
		pinMode(RS_6c595_LATCHPIN, OUTPUT);
		pinMode(RS_6c595_SLAVEPIN, OUTPUT);
		SPI.begin();
		digitalWrite(RS_6c595_SLAVEPIN, LOW); // << RCLK line goes low
		SPI.transfer(g_6c595fontArray[8]);  //  << SRCLK goes  high-low 8 times to output 8 bits of data
		digitalWrite(RS_6c595_SLAVEPIN, HIGH); // data outputs change on this rising edge << RCLK line goes high to move data into output register
	}
#endif

	// LCD INIT
#ifdef INCLUDE_I2CLCD
	shI2CLcd.begin(&I2CLCD, I2CLCD_WIDTH, I2CLCD_HEIGHT, I2CLCD_TEST);
#endif

#ifdef INCLUDE_LEDBACKPACK
	// ADA_HT16K33_7SEGMENTS INIT
	if (ENABLE_ADA_HT16K33_7SEGMENTS == 1) {
		ADA_HT16K33_7SEGMENTS.begin(ADA_HT16K33_7SEGMENTS_I2CADDRESS);
	}

	// ADA_HT16K33_MATRIX INIT
	if (ENABLE_ADA_HT16K33_BiColorMatrix == 1) {
		ADA_HT16K33_MATRIX.begin(ADA_HT16K33_BICOLORMATRIX_I2CADDRESS);
	}
#endif
#ifdef INCLUDE_HT16K33_SINGLECOLORMATRIX
	shMatrixHT16H33SingleColor.begin(ADA_HT16K33_SINGLECOLORMATRIX_I2CADDRESS);
#endif

#ifdef INCLUDE_OLED
	shGLCD.Init();
#endif

#ifdef INCLUDE_NOKIALCD
	shNOKIA.Init();
#endif

#ifdef INCLUDE_BUTTONS
	// EXTERNAL BUTTONS INIT
	for (int btnIdx = 0; btnIdx < ENABLED_BUTTONS_COUNT; btnIdx++) {
		BUTTONS[btnIdx]->begin(btnIdx + 1, BUTTON_PINS[btnIdx], buttonStatusChanged, BUTTON_WIRING_MODES[btnIdx], BUTTON_LOGIC_MODES[btnIdx]);
	}
#endif

#ifdef  INCLUDE_BUTTONMATRIX
	shButtonMatrix.begin(BMATRIX_COLS, BMATRIX_ROWS, BMATRIX_COLSDEF, BMATRIX_ROWSDEF, buttonMatrixStatusChanged);
#endif

#ifdef INCLUDE_SHAKEITDKSHIELD
	if (DKMOTOR_SHIELDSCOUNT > 0) shShakeitDKMotorShield.begin(DKMOTOR_USEHUMMINGREDUCING);
#endif
#ifdef INCLUDE_SHAKEITADASHIELD
	shShakeitAdaMotorShieldV2.begin(ADAMOTORS_SHIELDSCOUNT, ADAMOTORS_FREQ);
#endif
#ifdef  INCLUDE_SHAKEITL298N
	shShakeitL298N.begin(L98N_enA, L98N_enB, L98N_in1, L98N_in2, L98N_in3, L98N_in4);
#endif
#ifdef INCLUDE_SHAKEITMOTOMONSTER
	shShakeitMotoMonster.begin(MOTOMONSTER_REVERSEDIRECTION);
#endif
#ifdef INCLUDE_SHAKEIDUALVNH5019
	shShakeitDualVNH5019.begin(DUALVNH5019_REVERSEDIRECTION);
#endif

#ifdef INCLUDE_SHAKEITPWM
	shShakeitPWM.begin(SHAKEITPWM_ENABLED_MOTORS, SHAKEITPWM_O1, SHAKEITPWM_O2, SHAKEITPWM_O3, SHAKEITPWM_O4);
	shShakeitPWM.setMin(SHAKEITPWM_MIN_OUTPUT_O1, SHAKEITPWM_MIN_OUTPUT_O2, SHAKEITPWM_MIN_OUTPUT_O3, SHAKEITPWM_MIN_OUTPUT_O4);
	shShakeitPWM.setMax(SHAKEITPWM_MAX_OUTPUT_O1, SHAKEITPWM_MAX_OUTPUT_O2, SHAKEITPWM_MAX_OUTPUT_O3, SHAKEITPWM_MAX_OUTPUT_O4);
#endif

#ifdef INCLUDE_SHAKEITPWMFANS
	shShakeitPWMFans.begin(SHAKEITPWMFANS_ENABLED_MOTORS, SHAKEITPWMFANS_O1, SHAKEITPWMFANS_O2, SHAKEITPWMFANS_O3, SHAKEITPWMFANS_O4);
	shShakeitPWMFans.setMin(SHAKEITPWMFANS_MIN_OUTPUT_O1, SHAKEITPWMFANS_MIN_OUTPUT_O2, SHAKEITPWMFANS_MIN_OUTPUT_O3, SHAKEITPWMFANS_MIN_OUTPUT_O4);
	shShakeitPWMFans.setMax(SHAKEITPWMFANS_MAX_OUTPUT_O1, SHAKEITPWMFANS_MAX_OUTPUT_O2, SHAKEITPWMFANS_MAX_OUTPUT_O3, SHAKEITPWMFANS_MAX_OUTPUT_O4);
	shShakeitPWMFans.setRelays(SHAKEITPWMFANS_RELAY_PIN_01, SHAKEITPWMFANS_RELAY_PIN_02, SHAKEITPWMFANS_RELAY_PIN_03, SHAKEITPWMFANS_RELAY_PIN_04,
		SHAKEITPWMFANS_RELAY_DELAY_01, SHAKEITPWMFANS_RELAY_DELAY_02, SHAKEITPWMFANS_RELAY_DELAY_03, SHAKEITPWMFANS_RELAY_DELAY_04,
		SHAKEITPWMFANS_RELAY_REVERSELOGIC_01, SHAKEITPWMFANS_RELAY_REVERSELOGIC_02, SHAKEITPWMFANS_RELAY_REVERSELOGIC_03, SHAKEITPWMFANS_RELAY_REVERSELOGIC_04
	);
#endif

#ifdef  INCLUDE_ENCODERS
	InitEncoders();
#endif

	shCustomProtocol.setup();
	arqserial.setIdleFunction(idle);

#if(GAMEPAD_AXIS_01_ENABLED == 1)
	SHGAMEPADAXIS01.SetJoystick(&Joystick);
#endif
#if(GAMEPAD_AXIS_02_ENABLED == 1)
	SHGAMEPADAXIS02.SetJoystick(&Joystick);
#endif
#if(GAMEPAD_AXIS_03_ENABLED == 1)
	SHGAMEPADAXIS03.SetJoystick(&Joystick);
#endif
#ifdef INCLUDE_GAMEPAD
	Joystick.sendState();
#endif
}

#ifdef  INCLUDE_ENCODERS
void InitEncoders() {
	if (ENABLED_ENCODERS_COUNT > 0) encoder1.begin(ENCODER1_CLK_PIN, ENCODER1_DT_PIN, ENCODER1_BUTTON_PIN, ENCODER1_REVERSE_DIRECTION, ENCODER1_ENABLE_PULLUP, 1, ENCODER1_ENABLE_HALFSTEPS, EncoderPositionChanged);
	if (ENABLED_ENCODERS_COUNT > 1) encoder2.begin(ENCODER2_CLK_PIN, ENCODER2_DT_PIN, ENCODER2_BUTTON_PIN, ENCODER2_REVERSE_DIRECTION, ENCODER2_ENABLE_PULLUP, 2, ENCODER2_ENABLE_HALFSTEPS, EncoderPositionChanged);
	if (ENABLED_ENCODERS_COUNT > 2) encoder3.begin(ENCODER3_CLK_PIN, ENCODER3_DT_PIN, ENCODER3_BUTTON_PIN, ENCODER3_REVERSE_DIRECTION, ENCODER3_ENABLE_PULLUP, 3, ENCODER3_ENABLE_HALFSTEPS, EncoderPositionChanged);
	if (ENABLED_ENCODERS_COUNT > 3) encoder4.begin(ENCODER4_CLK_PIN, ENCODER4_DT_PIN, ENCODER4_BUTTON_PIN, ENCODER4_REVERSE_DIRECTION, ENCODER4_ENABLE_PULLUP, 4, ENCODER4_ENABLE_HALFSTEPS, EncoderPositionChanged);
	if (ENABLED_ENCODERS_COUNT > 4) encoder5.begin(ENCODER5_CLK_PIN, ENCODER5_DT_PIN, ENCODER5_BUTTON_PIN, ENCODER5_REVERSE_DIRECTION, ENCODER5_ENABLE_PULLUP, 5, ENCODER5_ENABLE_HALFSTEPS, EncoderPositionChanged);
	if (ENABLED_ENCODERS_COUNT > 5) encoder6.begin(ENCODER6_CLK_PIN, ENCODER6_DT_PIN, ENCODER6_BUTTON_PIN, ENCODER6_REVERSE_DIRECTION, ENCODER6_ENABLE_PULLUP, 6, ENCODER6_ENABLE_HALFSTEPS, EncoderPositionChanged);
	if (ENABLED_ENCODERS_COUNT > 6) encoder7.begin(ENCODER7_CLK_PIN, ENCODER7_DT_PIN, ENCODER7_BUTTON_PIN, ENCODER7_REVERSE_DIRECTION, ENCODER7_ENABLE_PULLUP, 7, ENCODER7_ENABLE_HALFSTEPS, EncoderPositionChanged);
	if (ENABLED_ENCODERS_COUNT > 7) encoder8.begin(ENCODER8_CLK_PIN, ENCODER8_DT_PIN, ENCODER8_BUTTON_PIN, ENCODER8_REVERSE_DIRECTION, ENCODER8_ENABLE_PULLUP, 8, ENCODER8_ENABLE_HALFSTEPS, EncoderPositionChanged);
}
#endif

#ifdef INCLUDE_GAMEPAD
void UpdateGamepadState() {
	int btnidx = 0;

#ifdef INCLUDE_TM1638
	for (int i = 0; i < TM1638_ENABLEDMODULES; i++) {
		byte buttonsState = TM1638_screens[i]->Buttons;

		for (int i = 0; i < 8; i++) {
			Joystick.setButton(btnidx, buttonsState & (1 << i));
			btnidx++;
		}
	}
#endif

#ifdef INCLUDE_ENCODERS
	UpdateGamepadEncodersState(false);
#endif

	Joystick.sendState();
}

#ifdef INCLUDE_ENCODERS
void UpdateGamepadEncodersState(bool sendState) {
	int btnidx = TM1638_ENABLEDMODULES * 8 + ENABLED_BUTTONS_COUNT + ENABLED_BUTTONMATRIX * (BMATRIX_COLS * BMATRIX_ROWS);
	unsigned long refTime = millis();
	for (int i = 0; i < ENABLED_ENCODERS_COUNT; i++) {
		uint8_t dir = SHRotaryEncoders[i]->getDirection(MICRO_GAMEPAD_ENCODERPRESSTIME, refTime);
		Joystick.setButton(btnidx, dir == 0);
		Joystick.setButton(btnidx + 1, dir == 1);
		Joystick.setButton(btnidx + 2, SHRotaryEncoders[i]->getPressed());

		btnidx += 3;
	}

	if (sendState)
		Joystick.sendState();
}
#endif

#endif

char loop_opt;
unsigned long lastSerialActivity = 0;

void loop() {
#ifdef INCLUDE_SHAKEITL298N
	shShakeitL298N.safetyCheck();
#endif
#ifdef INCLUDE_SHAKEITMOTOMONSTER
	shShakeitMotoMonster.safetyCheck();
#endif
#ifdef INCLUDE_SHAKEIDUALVNH5019
	shShakeitDualVNH5019.safetyCheck();
#endif
#ifdef INCLUDE_SHAKEITADASHIELD
	shShakeitAdaMotorShieldV2.safetyCheck();
#endif
#ifdef INCLUDE_SHAKEITDKSHIELD
	shShakeitDKMotorShield.safetyCheck();
#endif
#ifdef INCLUDE_SHAKEITPWM
	shShakeitPWM.safetyCheck();
#endif
#ifdef INCLUDE_SHAKEITPWMFANS
	shShakeitPWMFans.safetyCheck();
#endif
#ifdef INCLUDE_GAMEPAD
	UpdateGamepadState();
#endif

	shCustomProtocol.loop();

	// Wait for data
	if (FlowSerialAvailable() > 0) {
		if (FlowSerialTimedRead() == MESSAGE_HEADER)
		{
			lastSerialActivity = millis();
			// Read command
			loop_opt = FlowSerialTimedRead();

			if (loop_opt == '1') Command_Hello();
			else if (loop_opt == '8') Command_SetBaudrate();
			else if (loop_opt == 'J') Command_ButtonsCount();
			else if (loop_opt == '2') Command_TM1638Count();
			else if (loop_opt == 'B') Command_SimpleModulesCount();
			else if (loop_opt == 'A') Command_Acq();
			else if (loop_opt == 'N') Command_DeviceName();
			else if (loop_opt == 'I') Command_UniqueId();
			else if (loop_opt == '0') Command_Features();
			else if (loop_opt == '3') Command_TM1638Data();
			else if (loop_opt == 'V') Command_Motors();
			else if (loop_opt == 'S') Command_7SegmentsData();
			else if (loop_opt == '4') Command_RGBLEDSCount();
			else if (loop_opt == '6') Command_RGBLEDSData();
			else if (loop_opt == 'R') Command_RGBMatrixData();
			else if (loop_opt == 'M') Command_MatrixData();
			else if (loop_opt == 'G') Command_GearData();
			else if (loop_opt == 'L') Command_I2CLCDData();
			else if (loop_opt == 'K') Command_GLCDData(); // Nokia | OLEDS
			else if (loop_opt == 'P') Command_CustomProtocolData();
			else if (loop_opt == 'X')
			{
				String xaction = FlowSerialReadStringUntil(' ', '\n');
				if (xaction == F("list")) Command_ExpandedCommandsList();
				else if (xaction == F("mcutype")) Command_MCUType();
				else if (xaction == F("tach")) Command_TachData();
				else if (xaction == F("speedo")) Command_SpeedoData();
				else if (xaction == F("boost")) Command_BoostData();
				else if (xaction == F("temp")) Command_TempData();
				else if (xaction == F("fuel")) Command_FuelData();
				else if (xaction == F("cons")) Command_ConsData();
				else if (xaction == F("encoderscount")) Command_EncodersCount();
			}
		}
	}

	if (millis() - lastSerialActivity > 5000) {
		Command_Shutdown();
	}
}

weiß nicht ob man damit was anfangen kann...

wenn ich es auf den arduino packen will nachdem ich es kontrolliert habe ober den clientv2 kommt beim hochladen das

Nee, das kann man nicht lesen.
Kopiere das als Text rein, nicht als Screenshot.

Der Sketch verwendet 9.220 Bytes (28%) des Programmspeicherplatzes. Das Maximum sind 32.256 Bytes.
Globale Variablen verwenden 950 Bytes (46%) des dynamischen Speichers, 1.098 Bytes für lokale Variablen verbleiben. Das Maximum sind 2.048 Bytes.
avrdude: ser_open(): can't open device "\.\COM1": Das System kann die angegebene Datei nicht finden.

Problem beim Hochladen auf das Board. Hilfestellung dazu unter http://www.arduino.cc/en/Guide/Troubleshooting#upload.

Du hast den falschen USB Port gewählt. Com1 wird das sicher nicht sein.
Hast du denn auch das Programm angepasst ?
Sonst vorsicht wenn du was falsches draufspielst.

DAS IST GEIEIIEIEIEILLLLL!

Ein echt schönes Beispiel wie man Unsinn bauen kann.

(Ein einfaches Struct hätte es auch getan)

@chucnight sind denn die Pins und Encoder alle richtig zugeordnet?

#define ENCODER1_CLK_PIN 4           //{"Name":"ENCODER1_CLK_PIN","Title":"Encoder 1 output A (CLK) pin","DefaultValue":"7","Type":"pin;Encoder 1 CLK","Condition":"ENABLED_ENCODERS_COUNT>0"}
#define ENCODER1_DT_PIN 5            //{"Name":"ENCODER1_DT_PIN","Title":"Encoder 1 output B (DT) pin","DefaultValue":"8","Type":"pin;Encoder 1 DT","Condition":"ENABLED_ENCODERS_COUNT>0"}
#define ENCODER1_BUTTON_PIN 21       //{"Name":"ENCODER1_BUTTON_PIN","Title":"Encoder 1 button (SW) pin","DefaultValue":"9","Type":"pin;Encoder 1 SWITCH","Condition":"ENABLED_ENCODERS_COUNT>0","Min":-1}
#define ENCODER1_ENABLE_PULLUP 1     //{"Name":"ENCODER1_ENABLE_PULLUP","Title":"Encoder 1 enable pullup resistor","DefaultValue":"0","Type":"bool","Condition":"ENABLED_ENCODERS_COUNT>0"}
#define ENCODER1_REVERSE_DIRECTION 1 //{"Name":"ENCODER1_REVERSE_DIRECTION","Title":"Encoder 1 reverse direction","DefaultValue":"0","Type":"bool","Condition":"ENABLED_ENCODERS_COUNT>0"}
#define ENCODER1_ENABLE_HALFSTEPS 0  //{"Name":"ENCODER1_ENABLE_HALFSTEPS","Title":"Encoder 1 steps mode","DefaultValue":"0","Type":"list","Condition":"ENABLED_ENCODERS_COUNT>=1","ListValues":"0,Full steps;1,Half steps"}

#define ENCODER2_CLK_PIN 2           //{"Name":"ENCODER2_CLK_PIN","Title":"Encoder 2 output A (CLK) pin","DefaultValue":"11","Type":"pin;Encoder 2 CLK","Condition":"ENABLED_ENCODERS_COUNT>1"}
#define ENCODER2_DT_PIN 3            //{"Name":"ENCODER2_DT_PIN","Title":"Encoder 2 output B (DT) pin","DefaultValue":"12","Type":"pin;Encoder 2 DT","Condition":"ENABLED_ENCODERS_COUNT>1"}
#define ENCODER2_BUTTON_PIN -1       //{"Name":"ENCODER2_BUTTON_PIN","Title":"Encoder 2 button (SW) pin","DefaultValue":"13","Type":"pin;Encoder 2 SWITCH","Condition":"ENABLED_ENCODERS_COUNT>1","Min":-1}
#define ENCODER2_ENABLE_PULLUP 1     //{"Name":"ENCODER2_ENABLE_PULLUP","Title":"Encoder 2 enable pullup resistor","DefaultValue":"0","Type":"bool","Condition":"ENABLED_ENCODERS_COUNT>1"}
#define ENCODER2_REVERSE_DIRECTION 1 //{"Name":"ENCODER2_REVERSE_DIRECTION","Title":"Encoder 2 reverse direction","DefaultValue":"0","Type":"bool","Condition":"ENABLED_ENCODERS_COUNT>1"}
#define ENCODER2_ENABLE_HALFSTEPS 0  //{"Name":"ENCODER2_ENABLE_HALFSTEPS","Title":"Encoder 2 steps mode","DefaultValue":"0","Type":"list","Condition":"ENABLED_ENCODERS_COUNT>=2","ListValues":"0,Full steps;1,Half steps"}

#define ENCODER3_CLK_PIN 7           //{"Name":"ENCODER3_CLK_PIN","Title":"Encoder 3 output A (CLK) pin","DefaultValue":"7","Type":"pin;Encoder 3 CLK","Condition":"ENABLED_ENCODERS_COUNT>2"}
#define ENCODER3_DT_PIN 8            //{"Name":"ENCODER3_DT_PIN","Title":"Encoder 3 output B (DT) pin","DefaultValue":"8","Type":"pin;Encoder 3 DT","Condition":"ENABLED_ENCODERS_COUNT>2"}
#define ENCODER3_BUTTON_PIN 9        //{"Name":"ENCODER3_BUTTON_PIN","Title":"Encoder 3 button (SW) pin","DefaultValue":"9","Type":"pin;Encoder 3 SWITCH","Condition":"ENABLED_ENCODERS_COUNT>2","Min":-1}
#define ENCODER3_ENABLE_PULLUP 0     //{"Name":"ENCODER3_ENABLE_PULLUP","Title":"Encoder 3 enable pullup resistor","DefaultValue":"0","Type":"bool","Condition":"ENABLED_ENCODERS_COUNT>2"}
#define ENCODER3_REVERSE_DIRECTION 0 //{"Name":"ENCODER3_REVERSE_DIRECTION","Title":"Encoder 3 reverse direction","DefaultValue":"0","Type":"bool","Condition":"ENABLED_ENCODERS_COUNT>2"}
#define ENCODER3_ENABLE_HALFSTEPS 0  //{"Name":"ENCODER3_ENABLE_HALFSTEPS","Title":"Encoder 3 steps mode","DefaultValue":"0","Type":"list","Condition":"ENABLED_ENCODERS_COUNT>=3","ListValues":"0,Full steps;1,Half steps"}

#define ENCODER4_CLK_PIN 7           //{"Name":"ENCODER4_CLK_PIN","Title":"Encoder 4 output A (CLK) pin","DefaultValue":"7","Type":"pin;Encoder 4 CLK","Condition":"ENABLED_ENCODERS_COUNT>3"}
#define ENCODER4_DT_PIN 8            //{"Name":"ENCODER4_DT_PIN","Title":"Encoder 4 output B (DT) pin","DefaultValue":"8","Type":"pin;Encoder 4 DT","Condition":"ENABLED_ENCODERS_COUNT>3"}
#define ENCODER4_BUTTON_PIN 9        //{"Name":"ENCODER4_BUTTON_PIN","Title":"Encoder 4 button (SW) pin","DefaultValue":"9","Type":"pin;Encoder 4 SWITCH","Condition":"ENABLED_ENCODERS_COUNT>3","Min":-1}
#define ENCODER4_ENABLE_PULLUP 0     //{"Name":"ENCODER4_ENABLE_PULLUP","Title":"Encoder 4 enable pullup resistor","DefaultValue":"0","Type":"bool","Condition":"ENABLED_ENCODERS_COUNT>3"}
#define ENCODER4_REVERSE_DIRECTION 0 //{"Name":"ENCODER4_REVERSE_DIRECTION","Title":"Encoder 4 reverse direction","DefaultValue":"0","Type":"bool","Condition":"ENABLED_ENCODERS_COUNT>3"}
#define ENCODER4_ENABLE_HALFSTEPS 0  //{"Name":"ENCODER4_ENABLE_HALFSTEPS","Title":"Encoder 4 steps mode","DefaultValue":"0","Type":"list","Condition":"ENABLED_ENCODERS_COUNT>=4","ListValues":"0,Full steps;1,Half steps"}

#define ENCODER5_CLK_PIN 7           //{"Name":"ENCODER5_CLK_PIN","Title":"Encoder 5 output A (CLK) pin","DefaultValue":"7","Type":"pin;Encoder 5 CLK","Condition":"ENABLED_ENCODERS_COUNT>4"}
#define ENCODER5_DT_PIN 8            //{"Name":"ENCODER5_DT_PIN","Title":"Encoder 5 output B (DT) pin","DefaultValue":"8","Type":"pin;Encoder 5 DT","Condition":"ENABLED_ENCODERS_COUNT>4"}
#define ENCODER5_BUTTON_PIN 9        //{"Name":"ENCODER5_BUTTON_PIN","Title":"Encoder 5 button (SW) pin","DefaultValue":"9","Type":"pin;Encoder 5 SWITCH","Condition":"ENABLED_ENCODERS_COUNT>4","Min":-1}
#define ENCODER5_ENABLE_PULLUP 0     //{"Name":"ENCODER5_ENABLE_PULLUP","Title":"Encoder 5 enable pullup resistor","DefaultValue":"0","Type":"bool","Condition":"ENABLED_ENCODERS_COUNT>4"}
#define ENCODER5_REVERSE_DIRECTION 0 //{"Name":"ENCODER5_REVERSE_DIRECTION","Title":"Encoder 5 reverse direction","DefaultValue":"0","Type":"bool","Condition":"ENABLED_ENCODERS_COUNT>4"}
#define ENCODER5_ENABLE_HALFSTEPS 0  //{"Name":"ENCODER5_ENABLE_HALFSTEPS","Title":"Encoder 5 steps mode","DefaultValue":"0","Type":"list","Condition":"ENABLED_ENCODERS_COUNT>=5","ListValues":"0,Full steps;1,Half steps"}

#define ENCODER6_CLK_PIN 7           //{"Name":"ENCODER6_CLK_PIN","Title":"Encoder 6 output A (CLK) pin","DefaultValue":"7","Type":"pin;Encoder 6 CLK","Condition":"ENABLED_ENCODERS_COUNT>5"}
#define ENCODER6_DT_PIN 8            //{"Name":"ENCODER6_DT_PIN","Title":"Encoder 6 output B (DT) pin","DefaultValue":"8","Type":"pin;Encoder 6 DT","Condition":"ENABLED_ENCODERS_COUNT>5"}
#define ENCODER6_BUTTON_PIN 9        //{"Name":"ENCODER6_BUTTON_PIN","Title":"Encoder 6 button (SW) pin","DefaultValue":"9","Type":"pin;Encoder 6 SWITCH","Condition":"ENABLED_ENCODERS_COUNT>5","Min":-1}
#define ENCODER6_ENABLE_PULLUP 0     //{"Name":"ENCODER6_ENABLE_PULLUP","Title":"Encoder 6 enable pullup resistor","DefaultValue":"0","Type":"bool","Condition":"ENABLED_ENCODERS_COUNT>5"}
#define ENCODER6_REVERSE_DIRECTION 0 //{"Name":"ENCODER6_REVERSE_DIRECTION","Title":"Encoder 6 reverse direction","DefaultValue":"0","Type":"bool","Condition":"ENABLED_ENCODERS_COUNT>5"}
#define ENCODER6_ENABLE_HALFSTEPS 0  //{"Name":"ENCODER6_ENABLE_HALFSTEPS","Title":"Encoder 6 steps mode","DefaultValue":"0","Type":"list","Condition":"ENABLED_ENCODERS_COUNT>=6","ListValues":"0,Full steps;1,Half steps"}

#define ENCODER7_CLK_PIN 7           //{"Name":"ENCODER7_CLK_PIN","Title":"Encoder 7 output A (CLK) pin","DefaultValue":"7","Type":"pin;Encoder 7 CLK","Condition":"ENABLED_ENCODERS_COUNT>6"}
#define ENCODER7_DT_PIN 8            //{"Name":"ENCODER7_DT_PIN","Title":"Encoder 7 output B (DT) pin","DefaultValue":"8","Type":"pin;Encoder 7 DT","Condition":"ENABLED_ENCODERS_COUNT>6"}
#define ENCODER7_BUTTON_PIN 9        //{"Name":"ENCODER7_BUTTON_PIN","Title":"Encoder 7 button (SW) pin","DefaultValue":"9","Type":"pin;Encoder 7 SWITCH","Condition":"ENABLED_ENCODERS_COUNT>6","Min":-1}
#define ENCODER7_ENABLE_PULLUP 0     //{"Name":"ENCODER7_ENABLE_PULLUP","Title":"Encoder 7 enable pullup resistor","DefaultValue":"0","Type":"bool","Condition":"ENABLED_ENCODERS_COUNT>6"}
#define ENCODER7_REVERSE_DIRECTION 0 //{"Name":"ENCODER7_REVERSE_DIRECTION","Title":"Encoder 7 reverse direction","DefaultValue":"0","Type":"bool","Condition":"ENABLED_ENCODERS_COUNT>6"}
#define ENCODER7_ENABLE_HALFSTEPS 0  //{"Name":"ENCODER7_ENABLE_HALFSTEPS","Title":"Encoder 7 steps mode","DefaultValue":"0","Type":"list","Condition":"ENABLED_ENCODERS_COUNT>=7","ListValues":"0,Full steps;1,Half steps"}

#define ENCODER8_CLK_PIN 7           //{"Name":"ENCODER8_CLK_PIN","Title":"Encoder 8 output A (CLK) pin","DefaultValue":"7","Type":"pin;Encoder 8 CLK","Condition":"ENABLED_ENCODERS_COUNT>7"}
#define ENCODER8_DT_PIN 8            //{"Name":"ENCODER8_DT_PIN","Title":"Encoder 8 output B (DT) pin","DefaultValue":"8","Type":"pin;Encoder 8 DT","Condition":"ENABLED_ENCODERS_COUNT>7"}
#define ENCODER8_BUTTON_PIN 9        //{"Name":"ENCODER8_BUTTON_PIN","Title":"Encoder 8 button (SW) pin","DefaultValue":"9","Type":"pin;Encoder 8 SWITCH","Condition":"ENABLED_ENCODERS_COUNT>7","Min":-1}
#define ENCODER8_ENABLE_PULLUP 0     //{"Name":"ENCODER8_ENABLE_PULLUP","Title":"Encoder 8 enable pullup resistor","DefaultValue":"0","Type":"bool","Condition":"ENABLED_ENCODERS_COUNT>7"}
#define ENCODER8_REVERSE_DIRECTION 0 //{"Name":"ENCODER8_REVERSE_DIRECTION","Title":"Encoder 8 reverse direction","DefaultValue":"0","Type":"bool","Condition":"ENABLED_ENCODERS_COUNT>7"}
#define ENCODER8_ENABLE_HALFSTEPS 0  //{"Name":"ENCODER8_ENABLE_HALFSTEPS","Title":"Encoder 8 steps mode","DefaultValue":"0","Type":"list","Condition":"ENABLED_ENCODERS_COUNT>=8","ListValues":"0,Full steps;1,Half steps"}

Ich hab tatsächlich über simhub einfach nur die matrix erstellt und dann kopiert simhub das so auf den arduino... das hat so bei der box geklappt. da funktioniernen alle encoder wie sie sollen.... rechts, links und druck.

Jetzt bei der box geht nur rechts und links drehen aber druck geht nicht

ich hab nicht gerade plan davon...

Dann erzähl mal, wie Deine Pinbelegung aussieht und vergleiche das mit dem ellenlangen Text.
Ich hab dafür die Zeit nicht.
Zumindest nicht heute.

Pullupwiderstände aktiviert?

werden initialisiert:

Die Taster der Encoder sind teil der Tastaturmatrix. Kannst du mal folgendes testen:

  1. Tastaturmatrix von 4x3 auf 5x3 erweitern
  2. In der Encoderkonfiguration die Button deaktivieren

Sehr cool... also es hat nicht direkt so geklappt aber die 5x3 waren super... Danke nochmal an alle für die Hilfe... musste jetzt die 5. Row auch auf den punkt 21 legen der vom switch belegt wurde. alles ander konnte so bleiben.

Kannst du noch eben die beiden Häkchen bei "Encoder x Button (SW) Pin" wegmachen?

:rofl: :+1: