Fluctuating Voltage using regulator

Hello,

I am running into a voltage regulator issue, and I'm not really sure how to resolve it. I would really appreciate some insights from you folks :slight_smile:

General Project Info

I am working on a battery-powered project that takes samples from an accelerometer and reports them via wifi at an interval.

Here is the hardware I'm using:

  • ADXL335 accelerometer (analog input, operates at 3.3v)
  • ESP8266 ESP-12F wifi module
  • CD4051 multiplexer
  • LD33v3 linear regulator connected to the battery
  • 18650 Li-ion battery (rated 3.4-3.7v)

To reduce power consumption, I'm using the ESP as a microcontroller rather than arduino. The ESP-12F has a single onboard ADC, so a multiplexer is used to cycle through the three analog axes from the accelerometer.

The Problem

The problem i'm running into is that the voltage output of the LD33v3 linear regulator appears to fluctuate dramatically. The analog outputs from the accelerometer ends up being very inaccurate as a result!

I've run a few tests to isolate the problem, and here's what I've come up with. Using an arduino uno to test, if I plug the accelerometer directly into the 3.3v output the accelerometer will report stable results. If I plug it into the 5v however, and use the LD33v3 regulator to produce a 3.3v output, the results become unstable. I'm fairly sure that this is the point of failure, but I'm a bit lost on how to resolve it!

Since the ESP12F doesn't have an onboard regulator, I need to pull down the battery's voltage myself and can't use the working output from the Uno in my project. I'm fairly new to electronics so maybe I'm missing something important, so I would really appreciate some help.

Thank you!

Beck

beck:
The problem i'm running into is that the voltage output of the LD33v3 linear regulator appears to fluctuate dramatically.

It seems that the ESP needs serious decoupling on the 3.3volt supply.
A linear regulator is too slow to react.
Watch this from about 2min30sec.

Leo..

I think you're right, thank you for the video - I noticed that the problem is more severe when on my main setup and that there would be dips while the ESP was performing functions.

However, I also see the problem with the simplest setup possible using an Arduino Uno:

Uno 5v -> LD33v3 -> Accel -> GND

This setup produces fluctuating results in the accelerometer, while this setup does not:

Uno 3v3 -> Accel -> GND

Uno 5v -> LD33v3 -> Accel -> GND

How clean the 3.3volt is depends on how you have build and decoupled the circuit.
Don't assume that e.g a breadboard setup with 20cm ground wire between LDO and Arduino is the same as an onboard LP2985 regulator (with a much lower dropout voltage).
Leo..

I see, so excuse my ignorance but do I understand correctly that the issue might be the quality of my regulator? Will a different IC be the answer in this case, or is there something else that I need to do to get a more stable 3.3v out of the battery?

EDIT:
Since it sounds like it might be an important detail, I am indeed using 20cm jumper wires to a breadboard to run these tests.

Hi,
From the LD33v3 datasheet.

: LOW DROPOUT VOLTAGE (1V TYP.)

This is the minimum difference between input and output voltage.

You have 3.7V in and 3,3V out.

3.7 - 3.3 = 0.4V NOT ENOUGH.

Can you please post a copy of your circuit, in CAD or a picture of a hand drawn circuit in jpg, png?

Tom... :slight_smile:

LD1117V33.pdf (979 KB)

I see, I wasn't familiar with dropout voltages but now that I've read up on it it makes a lot of sense. Thank you! I've tried with a 9v battery and I'm getting more consistent results. I'll need to rethink my power supply situation given this but I'm glad to know the problem.

I've got a 2.2uf capacitor in the mail as well so hopefully that solves additional inconsistencies coming from the ESP.

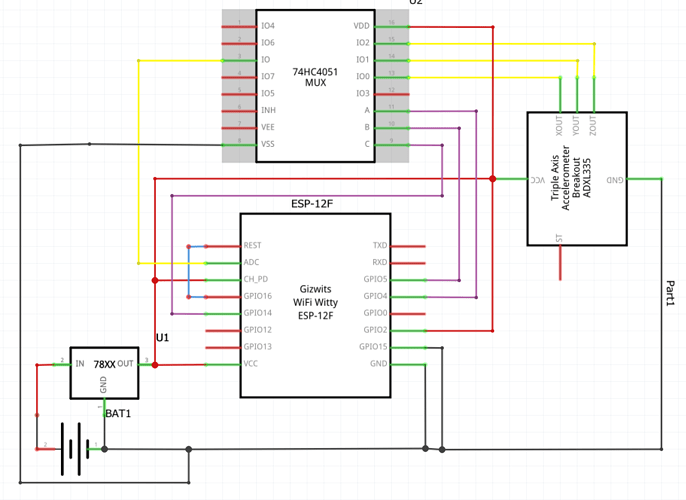
I've attached the current schematic. Doesn't include addition of the capacitor, which I think goes right between the regulator and VCC on the ESP?

Hi,
I see you have used LM7805 symbol in diagram, cos fritzty doesn't have LD33v3, fair enough.


Do you have the associated capacitors around the LD33v3 to keep it stable, they must be mounted close to the regulators pins.

Tom... :slight_smile:

To be honest I'm new to the best practices with capacitors. My only plans right now are to add a capacitor next to the regulator, would you recommend others as well for this setup?

It's also not clear to me which of these is more ideal / will get the job done:

A:

or

B:

Capacitors go from IN to GND and from OUT to GND. Close to the regulator.

Page3/Figure4 has the minimum requirements for stable operation.
A regulator without those decoupling caps could oscillate, and give an unstable output voltage.
leo..