Going mobile with power: Lipo charger/powering integration

Hi everyone,

This is something I always wanted to do, most of my projects are just for fun, they are prototypes and will be used by myself only. I've always use a 9V battery when wanting something to be independent, I know it's bad for the board, it's also rubbish in terms of efficiency and doesn't last long.

I'm looking for some advice and possible help with Lipo batteries. I don't want to have to unplug the battery every time for recharging so I'm looking to integrate the charger to my projects. I've got 2 solutions.

1/ Using a £20 sparkfun charger, 3.7V lipo or 7V lipo and a SPDT switch. This is cool, no hassle but a bit expensive and I would need two switch, one for switching between Charging and Power and another one to switch everything off. My question is where should I put the switch off button? At the battery, on the positive? or at the microcontroller.


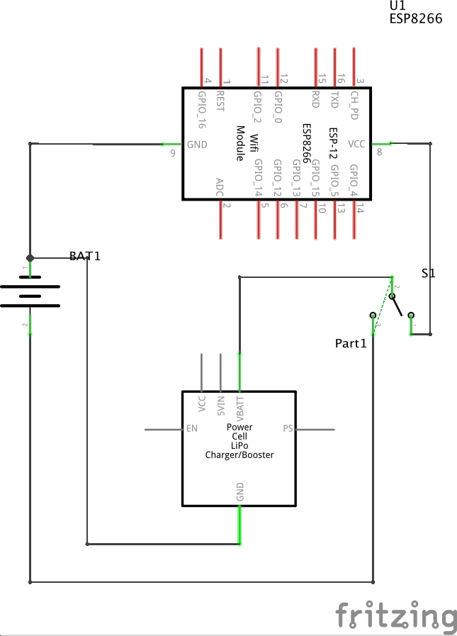
2/ Switching between the Power and Charging, using a cheaper lipo charger from sparkfun (£7), a stepdown and a 7V lipo for the step down to work at 3.3V with the EPS or 5V with an Arduino. This could actually not cost that much less in the end. Would that be as efficient as option 1 but also as secure?


Am I doing all this wrong and will burn down the house?

Thank you

Notes: The images are using ESP but it's for the principle. I've also attached schematics as I know people like those better (got told off once!).

if you are going to turn all power off when charging, then use a power plug that automatically disconnects power when the plug is engaged.

as for the pictures, am I right is thinking you are saying ...here are pictures, but this is not what I am using, they are just here so you have something to look at and confuse any discussion.. what I am really going to use is different and not use any of the parts shown ?

just to make sure
that is not the charger and that is not the board, and the battery may be different.....

Thank you for your reply,

if you are going to turn all power off when charging, then use a power plug that automatically disconnects power when the plug is engaged.

Would you have a more specific reference?

as for the pictures, am I right is thinking you are saying ...here are pictures, but this is not what I am using, they are just here so you have something to look at and confuse any discussion.. what I am really going to use is different and not use any of the parts shown ?

just to make sure
that is not the charger and that is not the board, and the battery may be different.....

Here we go again...

I've haven't said that at all, I have just said there's an ESP-12 in the image but this should also work with an Arduino board. Would need to change the battery to a 7V, and the jumper on the lipo charger changed from 3.3V to 5V.

I can feel some typical "arduino forum" sarcasm here but will ignore it and give you the benefit of the doubt as I would like this tread to move on with some positiveness.

just to make sure
that is not the charger and that is not the board, and the battery may be different.....

On option 2, kind of, I guess I'm wondering if the wiring makes sense on that option. If that's too confusing and too much of a stretch, let's ignore that option for now.

many of the circular power connectors and phono-stereo plugs have a switch in the connector.

Thanks for the link!

That would work, so plugin the wall charger would disconnect the battery.

On the other hand that would mean I could only use the barrel to charge and the not the usb on the lipo charger. To use usb to charge em connector on the charger needs to be disconnected from ground.

Found this useful tutorial on Sparkfun: PowerCell Quickstart Guide - SparkFun Electronics

So here's an updated wiring. When charging, the lipo charger needs EM connected to GND, when not charging the EM should be left floating.

The SDPT switch will connect EM to GND while charging and at the same time disconnected the micro-controller. When flicked the other way, the micro controller should be connected again and the EM left floating.

Apparently the charger will always draw a bit of power and the battery should be unpluged if the system isn't in use. I guess with my limited knowledge there's nothing I can about it.

TM:
Thanks for the link!

That would work, so plugin the wall charger would disconnect the battery.

On the other hand that would mean I could only use the barrel to charge and the not the usb on the lipo charger. To use usb to charge em connector on the charger needs to be disconnected from ground.

That was stupid of me, I don't want to disconnect the battery while plugged to the main. I don't think this solution would work.

Hey TM - did you ever work out a tidy solution to this?

I am hoping to have a similar setup:

Plug into USB, it charges the LiPo Battery. When unplugged from USB, I would like to be able to switch the whole thing Off, without having to remember to switch it back 'On' again to charge the battery (next time the USB is plugged in).

Thanks!