I am looking for a positive edge trigger one shot timer circuit that has one input (i/p A) which when it goes high should give 1 pulse on Pin7 for 30mSec and go back low, delay for 30mSec then it should give 6 high pulses on Pin 6 for 30mSec and stop, i/p A should go low then high again to generate the same 7 pulses in that order. This is a job I will pay for. Please contact me at garnetalbright@yahoo.com
I can do this for you but how much do you want to pay for this.
DM me please. I have sent you an Email.
You specify the time the pulse should be HIGH but not the time it should be LOW between pulses.
Once an edge trigger has started the process i presume it ignores any further transitions on the input until the sequence has finished.
It goes high for on pulse and stays low after that, likewise the other 6 pulses after the last one goes low it will stay low until the input goes low and high again, then it will restart the process.
The pulses are 30mSec high and 30mSec low
A circuit or a program?
What if the input goes low then high during the pulse sequence?
1. What is the source of the external rising edge signal?
2. What is its frequency (how often it will appear)?
3. Is it TTL level?
I got a seller in the USA to do it for me. Thanks all.
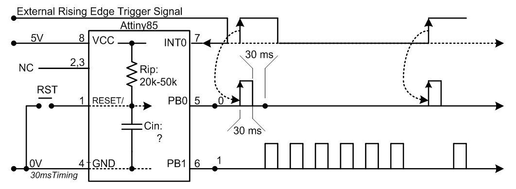
You (being a member of the Forum) can get free solution from this Forum provided you are happy with the following timing diagram (Fig-1) and give answers to the questions of post #7. In return, you just convey "thanks"!
Figure-1:
This topic was automatically closed 180 days after the last reply. New replies are no longer allowed.
