I want to make a soundboard with my Arduino that when I push each different button on the keypad, it will play a sound that I will put on a micro sd card and put it on a mini MP3 player module. But I want the code and how to build it with the Arduino. I am a beginner but I really want to make it. I have been waiting a long time for this opportunity. I have been wanting to make this since I was 9, but could not find anyone or anything online to help me for FREE.
I want to make a soundboard with my Arduino that when I push each different button on the keypad, it will play a sound that I will put on a micro sd card and put it on a mini MP3 player module. But I want the code and how to build it with the Arduino. I am a beginner but I really want to make it. I have been waiting a long time for this opportunity. I have been wanting to make this since I was 9, but could not find anyone or anything online to help me for FREE.
audio for app.zip (995 KB)
If someone gives you to code and instructions you will miss out on the fun and education that comes from creating something yourself. That's going to be much more valuable than the finished device. If this is something you've been wanting to do so long then why would you want to cheapen the experience?
Instead, I would suggest that you spend some time doing research and experimentation.
Start by uploading some simple sketches to your Arduino to make sure that's working and you understand how to use it. You can find some in the Arduino IDE at File > Examples > 01.Basics.
Next, you will want to make sure you can use buttons. You will find information on this here:
If there are things in those programs you don't understand then work until you do understand then. This is a good place to look things up:
You will probably be able to find a library for the control of your MP3 module, which will come with example code. Run some simple test code to be sure the MP3 module is working.
If you get stuck along the way then come back with any specific questions you might have as well as an exact description of what you're doing. "It has the case on top and the pieces on bottom. Each part and case are vertical to each other" is much too vague to be of any use to us.
Save your money and get a module like this
or
or
or some other module with the VS1053B MP3 decoder IC as the Arduino itself will not decode the MP3 files.
These are nice because they also have the audio amp onboard for you.
@jaredm2195, please do not cross-post. Threads merged.
I want to just have the project and just make it if someone can tell me how to make it. I have the two parts and the ARDUINO UNO stater kit but I want to build it and code it from someone else helping me because there is no one on the internet showing how to do it. Also I don’t want to have to get more pieces to build it differently. I have an mp3 audio player and a keypad. How do I make each separate button play a separate audio file? Please can someone help me?!!!!!!
Try this: Search for 'jukebox' in the forum, there have been lots of projects.
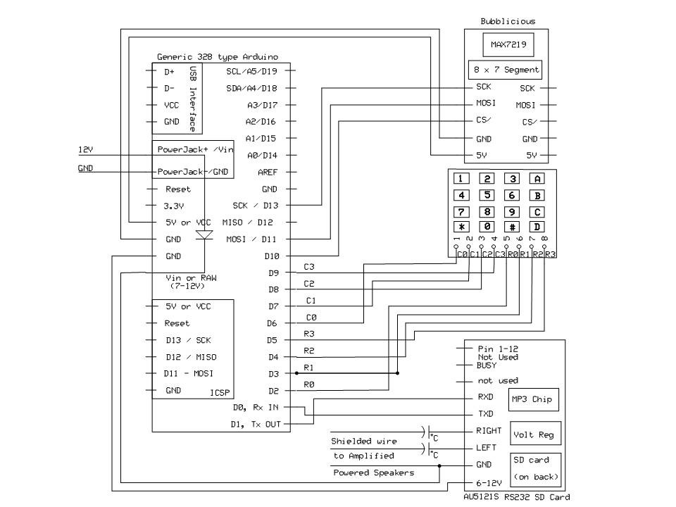
I even tried one myself. The uSD card is on the back of the MP3 module on the left. The display is a "Bubble-Licious" card I offer:
http://www.crossroadsfencing.com/BobuinoRev17/
If you search for "mp3 song player" you might come across the topic I had on this, October-November time frame.
I have a 3 by 4 keypad and I want it to play sounds separately depending on the button that is pressed and I am using an Mp3 thing. I am basically just making a sound board with a keypad. https://www.amazon.co.uk/MP3-Player-Module-dfplayer-Audio-Arduino/dp/B06WGXY55Q
The MP3 module came from this website.
I want to make a soundboard with a 3 by 4 keypad and the MP3 player from this link.I want it to play sounds separately depending on the button that is pressed https://www.amazon.co.uk/MP3-Player-Module-dfplayer-Audio-Arduino/dp/B06WGXY55Q
What additional info do you have on your module besides this:
"Description: MP3 player module dfplayer Mini Audio Voice Sound Arduino is a mini MP3 player that can be used independently or connected to a microcontroller. If use it independently must connect a speaker, battery and some buttons. If you connect to an Arduino or other microcontroller can make use of his communication series. Supports the majority of digital audio formats such as MP3, WMA or WAV. Has support for TF card with FAT16 or FAT32 file system. conectádolo via series can play any audio file housed in the card. Features: Supported Sampling (kHz): 8/11.025/12/16/22.05/24/32/44.1/48 DAC 24 bit holder for TF cards up to 32 GB FAT16 or FAT32 sound volume adjustable to 30 levels of adjustable equalizador 6 levels. Supports up to a maximum of 100 directories with 255 audio files each."
Ooh, here you go DFPlayer Mini Mp3 Player - DFRobot Wiki
Even has wiring and code.
Perfect!! Now I need to connect that with a 3 by 4 keypad. https://www.amazon.com/gp/aw/d/B00QSHPCO8/ref=mp_s_a_1_5?ie=UTF8&qid=1518321926&sr=8-5&pi=AC_SX236_SY340_QL65&keywords=keypad+arduino&dpPl=1&dpID=51PXmWvNsxL&ref=plSrch
Look up the Keypad.h library & integrate that for 3x4 keypad reading.
How do I integrate it with the MP3 player? I am not good at coding and I am a beginner. That’s why I am asking for others help with the code.
Do you have the example code working as is? Get that going first, then we can approach replacing reading the button pushes with reading the keypad.
Yes, some soldering will likely be needed.
I'm going to do the project sometime in march and I will update the status on how I am doing with the project and if I need help with certain things.
What pieces will I need to solder together when I put the pieces together. I have the keypad 3 by 4 matrix and the Arduino and the sound mp3 module. I have the arduino starter kit. I don't know what pieces need to go together and I need a schematic to do it because my Grandpa will help me with it when he comes to my house. I want the code to work before i solder the pieces together so I don't have to un-solder it and redo the code and then solder it back again. Can someone try this before I do and also with the code so when I build/solder it, It will work right.
What do I do?


