Analogen Signalverstärker mit Verstärkungsfaktor 1,2 und negativen Offset ?

Hallo.

Ich sollte ein analoges Signal (0-5V) etwas verändern, indem ich es etwas verstärken sollte und mit einem negativen Offset verändern sollte

Ist so was mit dem Uno möglich ?

Verstärkung 1,2 fach

Offset minus 0,12Volt

Könnt ihr mir da auf die Sprünge helfen, bei Analogverarbeitung habe ich noch garkeinen Plan...

Danke !

Der UNO ist eine digitale Datenverarbeitungsmaschine.

Analoge Summierer und Multiplizierer sind Standardschaltungen.

Hallo,

Da ist dann zunächst mal die Frage wie soll Dein Analogsignal am Ausgang aussehen. UNO macht PWM das ist eigendlich keine richtige Gleichspannung. Dafür würde ein DAC (Digital-Analog Converter) benötigt.

Generell ist das sicher möglich, aber der Eingangsbereich und Ausgangsbereich eines UNO ist 0-5V. Wenn Du deine Spannung von 5V mit 1,2 multiplizierst kommt da 6V raus. geht also eigendlich nicht. Wenn deine Eingangsspannung 0V ist sollten wegen des Offset -0,12 V herauskommen. geht also auch nicht. natürlich kann man jetzt den nutzbaren Eingangsbereich begrenzen von 0,12V-4V damit ergibt sich dann für den Ausgang 0-4,8V das ginge dann. Bei Verwendung eines DAC sieht das anders aus , die gibts auch für 0-10V. Bleibt das Problem mit der kleinen negativen Spannung für 0V Eingang.

Generell sind für Deine Aufgabe OP Verstärker aber besser geeignet. Aber das ist eine ganz andere Technik.

Heinz

Operationsverstärker als Differenz-/Substrahierverstärker:

Es wäre vielleicht auch möglich die Offset-Eingänge zu verwenden, aber trotz des Namens sind die eigentlich nicht für sowas gedacht (sonder um produktionsbedingte Unterschiede zwischen den zwei Eingängen zu kompensieren)

Hallo.

Mit OP_Amps habe ich auch schon Erfahrung gesammelt, und bin aber bei dieser Anwendung garnicht drauf gekommen, das es so einfach sein kann.

Ich werde da mal etwas experimentieren, das ganze liese sich ja gut simulieren und testen.

Nur den negativen Offset, da weiß ich noch nicht wie ich das hinkriegen soll, die Verstärkung ist eher kein Problem

Gruß

Nur den negativen Offset, da weiß ich noch nicht wie ich das hinkriegen soll, die Verstärkung ist eher kein Problem

120mV mit einem Spannungsteiler erzeugen und subtrahieren

Hallo,

na ja wenn Du mit OP arbeitest hast du auch positive und negative Spannungen nötig in der Regel -15V und +15V. mit einem Spannungsteiler zwieschen -15V und 0V bekommst Du eine negative Spannung die Du nun addieren kannst.

Rentner:
na ja wenn Du mit OP arbeitest hast du auch positive und negative Spannungen nötig in der Regel -15V und +15V. mit einem Spannungsteiler zwieschen -15V und 0V bekommst Du eine negative Spannung die Du nun addieren kannst.

Er kann evtl. auch einen Single Supply Rail to Rail OP als Subtrahierer nehmen. Dann ist wird halt alles was <= 120mV ist zu 0V (praktisch vielleicht 5mV je nach Typ)

Wenn alles unterhalb 120mV null würde, wäre das egal.

Der Sensor hat einen Offset von 550mV und die werden am Gerät auch erwartet

Den Offset muss ich halt so einstellen, das die 550mV weiterhin ausgegeben werden, aber die Spannung einfach etwas mehr Verstärkt wird.

Spindeltrimmer für Spannungsteiler usw. habe ich auch da.

Falls mir bitte jemand eine Schaltung zeichnen könne, am liebsten ohne negative Hilfsspannung, wäre das super.

Welche OPV ich dafür nehmen muss wäre auch hilfreich, die üblichen verdächtigen aus den 90ern habe ich da (741, 072, 082 272, 5532)

Vielen Dank

Den Offset muss ich halt so einstellen, das die 550mV weiterhin ausgegeben werden, aber die Spannung einfach etwas mehr Verstärkt wird.

Das hört sich unlogisch an.

Hallo,

wie jetzt? Gibt der Sensor als Minimum 550mV raus oder soll am Ausgang der Verstärkerschaltung Minimum 550mV anliegen wenn der Sensor sein Minimum reingibt? Die eingestellte Verstärkung wirkt auf alles. Welchen Spannungsbereich gibt der Sensor aus? Welcher Spannungsbereich darf der andere Eingang haben? Datenblatt zum Sensor wäre hilfreich. So richtig klar ist mir die Aufgabe noch nicht.

Ja, woher kommen jetzt diese 550mV wenn es vorher 120mV waren? OPs sind Differenzverstärker. Man hat zwei Eingänge. Und die Differenz zwischen diesen wird verstärkt.

Falls mir bitte jemand eine Schaltung zeichnen könne, am liebsten ohne negative Hilfsspannung, wäre das super.

Die Standardschaltungen findest du überall. Das ist nichts exotisches

Für Single Supply mit 5V Versorgungsspannung willst du einen Typ mit Rail-to-Rail sowohl bei den Eingängen als auch Ausgängen (Rail to Rail Input and Output; oder Rail to Rail I/O). Der TLC272 z.B. hat gute Eigenschaften bei den Eingängen und du kommst bis auf 50mV an die negative Betriebsspannung (was nicht gut ist, aber ok sein kann) aber die positive Ausgangsspannung ist nicht R2R. Letzeres gilt auch z.B. für den LM358

Und dann sollte der Typ auch noch gut verfügbar und nicht so teuer sein. Das ist ein zusätzliches Problem, da sehr gute OpAmps oder etwas exotischere schnell mal mehrere Euro kosten

LM7301 oder TLV2370 wären Optionen

Das R2R Problem mit der positiven Versorgungsspannung kann man natürlich auch einfach umgehen wenn man den OpAmp mit z.B. 7,5V oder 12V versorgt (aus denen man dann auch den Arduino versorgen kann). Und schon geht auch ein billiger LM358. Der kommt bis auf 5mV an GND.

Wenn du da wirklich 0V brauchst, kommst du aber um negative Spannungen nicht herum. Mit einem DC/DC-Wandler ist das aber auch kein Problem. Wenn du Single Supply willst, musst du eben auf die R2R Eigenschaften achten. Erstens bei der negativen Versorgungsspannung und wenn du nur 5V hast, auch bei der positiven.

Oh, es sind für mich als gelegeheits-Bastler doch viele Fremdwörter drin, nach denen ich erstmal göögeln muss

Das zu Verstärkende Signal hat schon im Ruhezustand 550mV

Wenn ich einen verstärker mit 1,2fach nehme, muss ich einen negativen Offset mit ca. 110-120mV einbauen, damit ich im Ruhezustand wieder die 550mV erhalte, damit die nachfolgende Elektronik das akzeptiert

Wenn dann der Sensor angesteuert wird, dann soll das Signal dann halt 1,2fach verstärkt weitergegeben werden.

Ist etwas kompliziert zu beschrieben.

Alles nur Positiv, Betriebsspannung 12V, Signalspannung ca. 0,55V bis 8V, also mit der Verstärkung auch im grünen bereich

Aber wie gesagt, im Ruhezustand gibt der Sensor 550mV raus, und die müssen nach der Verstärkung auch anliegen, wenn sich dann das Eingangssignal ändert, dann sollt das Ausgangssignal auch etwas mehr geändert werden.....

Schrauber-Jack:
Alles nur Positiv, Betriebsspannung 12V, Signalspannung ca. 0,55V bis 8V, also mit der Verstärkung auch im grünen bereich

Ok, da ist gut zu wissen. Das Ausgangssignal muss also nicht mal Annäherungsweise 0V sein. Und das Ausgangssignal muss auch nicht die Betriebsspannung erreichen. Man braucht also nicht unbedingt einen Rail-to-Rail Typ. Und man braucht auch keine symmetrische Betriebsspannung

Die zwei Werte die da im Datenblatt wichtig sind "Output Low Voltage VOH" und "Output High Voltage VOL". Seltener ist auch "Output Voltage Swing" o.ä. explizit angegeben.

EDIT:
Gerade gesehen dass es einen gewaltigen Unterschieden zwischen dem TL072 und dem TLC072 gibt. Die Buchstaben sind auch wichtig!

Von den genannten sollte der µ741 wahrscheinlich gehen. Der geht bei 15V bis 14V. Dann sollten bei 12V auch 11V drin sein. TL082 ist ähnlich, aber hat eine höhere Offset Spannung.
Wenn du was neues kaufen willst, ist der LM358 sehr billig zu haben

Hallo,

also. Aus einer Eingangsspannung von 0,55V ... 8V soll eine Ausgangsspanung von 0,55V ... 9,6V gemacht werden?
Darf ich fragen warum die 1,6V mehr so wichtig sind? Was hängt da dran?

Das Drumherum ist eher schwer zu erklären und es wird Diskussionen geben , ob man sowas überhaupt braucht.

Die Auswerte-Elektronik braucht halt die 550mV als "Nullpunkt" aber das Signal sollte etwas größer sein, aber der Sensor liefert nur kleinere Werte

Ich habe mit einem Siemens Logo mit Analogein- und Ausgängen das ganze mal getestet, das funktioniert, aber das gibt es leider ja nur in 24V und ist auch etwas zu groß, deshalb dachte ich anfangs an ein Adruino.

Das trifft die Problembeschreibung ganz gut:
"Aus einer Eingangsspannung von 0,55V ... 8V soll eine Ausgangsspannung von 0,55V ... 9,6V gemacht werden?"

Hallo,

aus Forscherdrang habe ich mir mal die Mühe gemacht. Problem ist, es beinflusst sich gegenseitig. Also Verstärkung und Eingangsoffset. Deswegen muss man mit Ue- und der Verstärkung etwas spielen. In der Simulation kommt es dem Wunsch nahe.

Als weitere Optionen zu erwähnten LM7301 oder TLV2370 wäre noch der OPA196 (OPAx196) von TI zu nennen. Gibts aber nicht im DIP Gehäuse. I/O Rail to Rail und hat als Feature "no phase reversal on output" und ist noch bezahlbar. Billiger wäre ein MC33202 (DIP), ist aber nur bis 12V Ub spezifiert. Mit besagten LM358 sollte das auch funktionieren.

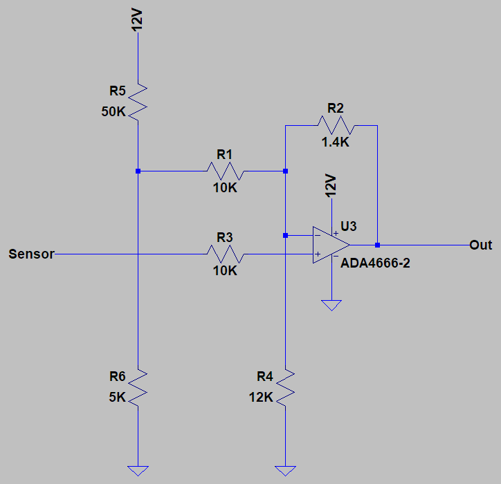
Sensor_OPV_LTspiceXVII.zip (4.07 KB)

Das ist falsch. R4 muss auf den nicht-invertierenden Eingang gehen! Außerdem macht man da der Einfachheit halber R1 = R3 und R2 = R4. Dann hat man nur R2 / R1 für den Verstärkungsfaktor

Rail-to-Rail ist hier nicht unbedingt nötig. Ich dachte er wollte das vielleicht mit 5V versorgen. Deshalb hatte ich erst nach R2R Typen gesucht (außerdem sind die meistens generell besser). Aber erstens muss er nicht bis auf Masse runter und zweitens hat er 12V Versorgungsspannung. Dadurch hat man eine ziemliche große Auswahl und auch viele ältere Typen würden gehen.
Ich würde dann nur darauf achten dass Output Swing so groß wie möglich ist und vielleicht auf eine geringe Offset Spannung (d.h. die Differenz der Eingänge wenn 0V anliegt), falls es auf ein paar mV Genauigkeit ankommt. In dem Fall dann auch besser ein IC mit nur einem OP wählen, da man die Offset Spannung einfach abgleichen kann

Hallo,

solange die Simulation keinen Mist macht würde ich das nicht als falsch bezeichen. Eher als ungewöhnlich anders. Denn das Ergebnis entspricht dem Gewollten. Man könnte auch einen Lehrbuch Differenzverstärker bauen mit nachgeschalteten Addierer. Oder wie du machen würdest fummelt man am Offset rum. Nur egal wie, die Aufgabe bleibt tricky, weil das Minimum Eingangssignal nicht verstärkt werden darf. Jede Stellschraube beeinflusst alles.

Doc_Arduino:
solange die Simulation keinen Mist macht würde ich das nicht als falsch bezeichen.Eher als ungewöhnlich anders. Denn das Ergebnis entspricht dem Gewollten.

Man sollte es schon nach Lehrbuch machen, dann entspricht das Ergebnis auch dem was man erwartet

Oder wie du machen würdest fummelt man am Offset rum.

Ich würde schon einen richtigen Subtrahierer bauen. Wortwörtlich den Offset-Abgleich anzupassen sollte zwar auch gehen, aber ich weiß nicht ob das so intuitiv ist...

weil das Minimum Eingangssignal nicht verstärkt werden darf

Wenn man den Verstärkungsfaktor so anpasst dass das Eingangssignal danach den gleichen Wert hat passt es

Mal vereinfacht mit geraden Werten:
(500mV - 100mV) * 1,25 = 500mV
(8V - 100mV) * 1,25 = 9,875V

Vielleicht verstehe ich es aber auch falsch