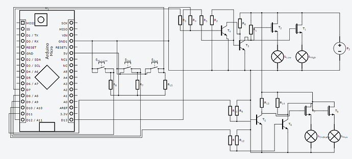
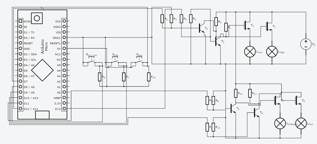
Automotive Light Control

So, a long night, and Im still not 100%$ sure if iv got the right Components on the right side of the lamp. But here is what I have, and the code I have running it so far.

// the setup function runs once when you press reset or power the board
int lhigh = 13;
int llow = 12;
int lind = 11;
int laux = 10;
int ihigh = 9;
int iind = 8;
int iaux = 7;
int bhigh= 0;
int bind = 0;
int baux = 0;
int obhigh= 0;
int obind = 0;
int obaux = 0;
int highstate = 0;
int indstate = 0;
int auxstate = 0;
long lastDebounceTime = 0;  
long debounceDelay = 5;    
int rhigh;
int rind;
int raux;

void setup() {
  // initialize digital pin 13 as an output.
  pinMode(lhigh, OUTPUT);
  pinMode(llow, OUTPUT);
  pinMode(lind, OUTPUT);
  pinMode(laux, OUTPUT);
  pinMode(ihigh, INPUT);
  pinMode(iind, INPUT);
  pinMode(iaux, INPUT);
}

// the loop function runs over and over again forever
void loop() {
  
// High / Low beam light switch  
  rhigh = digitalRead(ihigh);
   if (rhigh != obhigh) {
      lastDebounceTime = millis();
      obhigh = rhigh;
   } 

   if ((millis() - lastDebounceTime) > debounceDelay) {
       if (bhigh != obhigh) {
           bhigh = obhigh;
           if (bhigh == HIGH) {
                 highstate = !highstate;
                 digitalWrite(lhigh, highstate);
                 digitalWrite(llow, !highstate);
           }
       }
   }

// Indicator light switch  
  rind = digitalRead(iind);
   if (rind != obind) {
      lastDebounceTime = millis();
      obind = rind;
   } 

   if ((millis() - lastDebounceTime) > debounceDelay) {
       if (bind != obind) {
           bind = obind;
           if (bind == HIGH) {
                 indstate = !indstate;
                 digitalWrite(lind, indstate);
           }
       }
   }

// Aux Light light switch  
  raux = digitalRead(iaux);
   if (raux != obaux) {
      lastDebounceTime = millis();
      obaux = raux;
   } 

   if ((millis() - lastDebounceTime) > debounceDelay) {
       if (baux != obaux) {
           baux = obaux;
           if (baux == HIGH) {
                 auxstate = !auxstate;
                 digitalWrite(laux, auxstate);
           }
       }
   }
}