Circuito cutoff para baterías LiPo

Hola!

Les comento, estoy armando un pequeño detector de descongelamiento para freezer (ATtiny85).
Teniendo en cuenta que en donde vivo se corta muy seguido la luz, decidí agregarle una batería de litio para poder monitorear todo mientras no hay electricidad.

El problema es que necesito detectar cuándo el voltaje de la batería baja de, por decir algo, 3.3V, y desactivar el circuito para no dañar la batería.
Sé que podría medir la tensión con el ATtiny mismo, y controlar un BJT o MOSFET con algún pin, el tema es que no me queda ninguno disponible :stuck_out_tongue:

Lo que había pensado es que un zener controlara un BJT, cuando hay una tensión mayor que 3.3V, el zener activa el transistor, y cuando baja, no pasa corriente a través del zener y el circuito se desactiva, pero no logro hacerlo funcionar.

Alguna idea?

Es el mismo proyecto que has publicado x problemas de espacio.

Porque no usas otro ATtinyXX que tenga mas pines y espacio de almacenamiento?

Veo dos problemas facilmente solucionables usando otro arduino.

Nope, son dos proyectos diferentes, aunque similares hasta cierto punto. En éste el espacio no es un problema.
Además, el circuito por el que pregunto lo necesito también para ortos proyectos :confused:

Saludos!

Bueno, pensé que eran lo mismo. Veo que eres criterioso para abrir entonces un hilo con otro fundamento. Normalmente no es el caso.
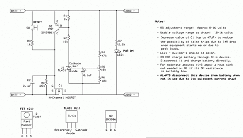
Que te parece algo asi?
Solo mira la idea, los valores habrá que verificarlos.
Mosfet actuando como switch y el TL431 que lo programas a la tensión de cut off que te parezca.

Uhm, voy a tener que esperar un tiempo ya que en donde vivo no consigo el TL431 ni ahí. tengo que traerlo desde buenos aires (viva argentina (?).

El hecho es que me falta algo de teoría de MOSFETs, así que voy a tener que ponerme a leer. ¿será posible reemplazarlo por un BJT? No tengo ningún MOSFET canal P en casa.

El Tl431, ¿se puede reemplazar con un zener?

Saludos!

No. No y no. jaja..
Soy de Argentina tmb y tmb vivo lejos.

TL431 lo encuentras en una vieja fuente de PC si es que tienes alguna. Si buscas ahi lo encuentras en el circuito de control de tensión. En algunas!!

El mosfet Canal P es especial porque tiene bajo Rds y su funcion es de trabajar como un switch.
Me parece que el circuito no es lo que yo pensé que era

Mira de todos modos la pagina 18 de la hoja de datos del TI431. Ahi figura como calcular la tensión Vka

Este esquema es parecido pero aca veo mejor el comportamiento de corte


Parece mas complejo es basicamente lo mismo.
Es ajustable a la tensión de corte que desees.

Ookay, jajajaj

Veré qué puedo hacer, fuentes desarmadas tengo unas cuantas así que me voy a fijar si lo encuentro. Dentro de un tiempo tengo que traer unos componentes, espero que tengan ese MOSFET, de última busco alguno equivalente.

Marco como solucionado, cuando tenga los componentes actualizo el post con el circuito final.

Mil gracias!

PD: Creo que llegado el caso, y si puedo conseguir algún ATtiny5 o alguno de esos (No recuerdo cuál es el que tiene ADC), voy a armarme algo que integre step up (a 5v), corte automático y no sé si algo más..