Hi guys, this is my first post here. After some years (yes, years) I finally decided to come out with a project. I expect to be just the beginning.
First, as like many others here, I don't have a background in electronics. Also, this is my first 'project' and I am here to learn. Sorry in advance by the completely dumb questions. Lets go:
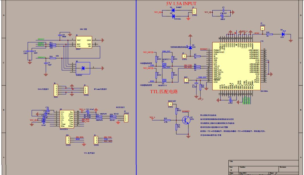
I am looking to reproduce this project here
Its a system to automate irrigation. The schematics is here
I tried to assemble an prototype exactly as the image attached but I have some important questions:
- As I am very new with circuits and wiring, I would like some help to check if my prototype match the schematics in the original project.
- In the original schema, the owner did not use a relay module, and in my case, I decided use an single rely module and wired the Signal wire directly into D11. It's ok?
- In the original schema, the owner used a DIY soil moisture sensor with just VCC and Ground. In my case, using a ready made sensor there is the Signal output which I have any idea where to wire.
- Are there something else I am missing? Specially regarding the power supply? I do not want to burn everything again as I did when was kid!
I think it is just it for a while!
Details regarding my prototype, relay and SIM900A module + datasheet are following.
Once again, I don't have anyone else to help me and I would appreciate every minute of your attention. I also must to improve this project a lot and learn how to deal with it by-myself.
Many thanks in advance and looking for your replies ![]()



