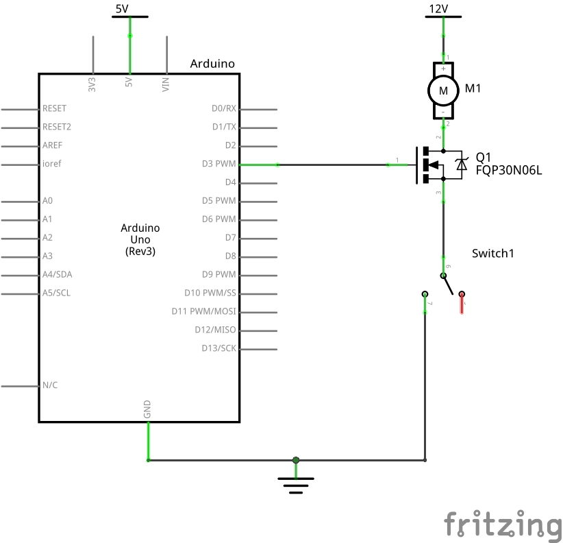
I'm trying to turn a 12V motor on/off using the logic level n-channel mosfet FQP30N06L activated by an Arduino Uno digital out.
However, I'm getting nonsensical results. I thought it would be as simple as wiring the digital pin to the mosfet gate, drain to motor/12v, source of ground. Right? Very basic circuit.
However, this did nothing. And no, it's not the switch. I confirmed by Arduino was outputting either 0V or 5V, and 12V was across the mosfet, but either way the mosfet would not activate.
So I simplified the circuit and removed the Arduino entirely, and even disconnected the gate like:
And now the mosfet activated, but was stuck on active. If I then wired the gate to +5V or ground, it would stay active.
What's going on here? I tried swapping out a new identical mosfet, but found the same results. I did a diode and resistence test on the mosfet to confirm it wasn't burnt out, and it passed, so I think the mosfet it good.
The datasheet for it says it's logic level, so the drain/source path should activate when the gate is 2.5V. Why can't I properly activate this mosfet?
I couldn't easily show it the schematic, but the motor/12v+ side is actually one of these 12v proportional motor controller with manual controls.
The motor and switch are actually directly connected to that and I'm trying to wire in an Arduino to it so it can programmatically turn that controller on or off by cutting the 12V red power cable running between that and the switch. And that works when I manually break the 12V red power cable using a switch, but doesn't work when using the mosfet.
Could that be interferring with the mosfet somehow? Electrically, the one side acts like a +12V line while the other acts like ground, so I don't see why that would be an issue?




