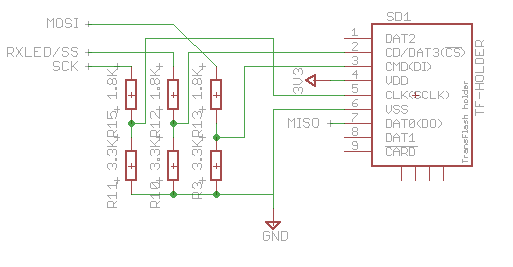
I am working on a project using the Arduino Micro Board as the base. I want to include a Micro SD card slot on my board. I would like a second opinion on the "wiring"
Thanks

I am working on a project using the Arduino Micro Board as the base. I want to include a Micro SD card slot on my board. I would like a second opinion on the "wiring"
Thanks

You will better results with more cards and other SPI devices by: