Multipole switch

Hi all

I'm not sure if this is a standard thing or not, but I'm looking for a switch which will allow any of 3 contacts to join any of the other 3, eg...

A <--> B
A <--> C
B <--> C

I'm actually after a "double pole" version of the above, but I have no idea if it exists or what name it has.

In terms of what I'm trying to acheive, I'm trying to design a board with 2 arduinos on it, but only one header for a single FTDI cable to swap between the two, plus allow the arduinos to talk over the serial connection.

Hope all that makes sense. Thanks in advance!

Olly

I have not come across such a switch. Generally you can get multy pole mulity way switches. So it should be possible to wire one of these to get what you want, if you can define it better than you have in the first post.

You can search for the switches here:-

http://uk.farnell.com/jsp/search/browse.jsp?N=500006+1001619&Ntk=gensearch_001&Ntt=switch+pole&Ntx=mode+matchallpartial

Thanks for the responses.

Essentially what I'm looing to do is have 2 embedded arduinos talk to each other over serial. But they'll need reprogramming in place, so I'd like a header for an FTDI lead on the board. Then, using a switch, I can select one of the 3 options:

  • Arduino A talking to Arduino B over serial
  • Arduino A talking to FTDI over serial
  • Arduino B talking to FTDI over serial

It looks like this is doable with a 4P3T switch, but the ones I've seen seem to be fairly bulky. Guess that's what you get for wanting so many contacts!

It would be best if you could show your usage of such a switch with the circuit they would be used with. However if it's not a switch that needs to be changed often a simple multi-pole single throw DIP switch might work for you. Three of the rocker switches on the dip switch will be called A,B,and C. Wire one side of a,b,c contacts together and the other side of the three rockers will be your a,b,c contacts to wire to whatever you are wiring to. Then just close whichever two rockers you want connected.

Lefty

Hi Lefty

I sketched out a quick diagram of what I want to achieve. It allows each of A, B and C to communicate with each other over the serial pins using a 4P3T switch.

Sorry for messiness!

Hi Olly

You may want to look at implementing this with an electronic switch

Look at the 74HC153 4:1 multiplexor Philips 74HC, HCT153, CNV, 2 datasheet pdf

Your switch would be a simple SPDT center off

Connect the switch to the S0,S1 pins

S0 S1 (S0 and S1 are tied H thru resistors)
Center Off 1 1
Toggle UP 0 1
Toggle Down 1 0

Switch will apply ground or low when toggled to one of the pins. Gives you your 3 options.

The multiplexor is a Dual 4:1 so it will handle TX and RX inputs

The only concern; I have not reviewed is the speed of the serial connection you want to switch.

Regards Bill

P.S. after posting I realized it handled A-B, A-C but does not handle B-C

Hi Bill

Thanks for your input. Even if this doesn't work in this situation, it certainly looks like a useful bit of kit, and I'm sure it'll get integrated at some point!

Cheers

Olly

Typically this multipole multiposition switch is implemented with a "rotary Wafer Switch". No problem getting a "4 pole 3 or 4 position" switch of that type.

Think of the typical pre-digital tape recorder and stereo function selector.

Hi,

When I read this thread, I wondered whether this could be implemented using simple logic... and I came up using with this in LogicSim (well its a start at least)...


Three Way by Harkumbar, on Flickr

My question is this: could the required switch be implemented using simple logic like this? If not, could someone please explain (in simple terms) as to why not?

Obviously the mechanical switch that would be required to switch the inputs has not been included and steps would be needed when wiring it to prevent all three inputs from being HIGH.

Harko

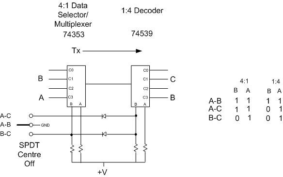
Hi Olly

I revisited my answer

I could not find a quad 2:1 decoder, so stayed with dual 4:1

Here is half the answer, you need to do the same for the RX line. The same 4 address lines can be bussed to the othe multiplexor and decoder.

switch by ferroequinologist-srrl, on Flickr

The diodes keep the lines isolated (lookup diode matrix)

P.S. If the image does not appear, I'll have to see what I am doing wrong. The image is posted here.
Imgur

Many thanks for that Bill! Second arduino is due any day now, so will be giving various ideas a go.

Cheers

Olly