Nano Short Circuits

How would this be fixable? I definitely did not intend to do that.

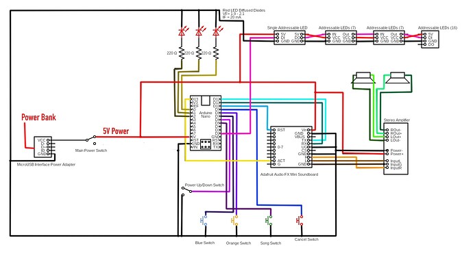
As of for daisy chaining the LEDs, so, have a main power from the power to each one, and then also daisy chain it? Sorry, the wording confused me a bit.

I do believe the Amp has one on board, but it is not listed on the information.

Just don't run the black ground wire to the switch.

for daisy chaining the LEDs, so, have a main power from the power to each one, and then also daisy chain it?

Yeah, words often don't cut it. I believe the Adafruit tut covers that. Basically you don't depend on the on-strip conductors to carry the current from strip to strip. Instead, run a ground and power wire along the strips, power each strip from some tap in point along those wires. Commercial strips already have red/black jumper leads attached for that purpose. It's best to power strips from both ends, using those. However, as you don't have a huge number of LEDs, it's less critical. The physical location of the strips, may suggest a particularly convenient and effective way to distribute the power to them. I only guessed that you would chain them physically, that may not be the case.

I suspect the large cap on the audio amp is a bypass cap, so no worries yet.

Tom... :grinning: :+1: :coffee: :australia:

2 Likes

Thank you!

Ok, that’s an easy enough fix.

That does make more sense. Thank you.

Ok, but if it does become a problem, I will look into it.

Thank you again so much for your help

So I have finished putting it all together, and I have the leds chained together in a daisy chain and having power go to every individual one.

However, when I plugged in my nano to my computer to make a change to the code, it started smoking like the last one did. This time, I was able to pinpoint the culprit. As it turns out, my last one wasn’t dead dead. Tested it and no smoking on that one anymore. But the culprit is this piece.

I am going to let it sit for a few days, see if it comes back alive like the other one did. Otherwise, I am stumped at what to do if this one tiny piece will keep failing

I doubt that that little blob in the center of the component is supposed to be there. And I doubt that it will ever come right.

Although not sure, I think it's D1 in below part of the schematic of an official Nano Rev3

Hi,

What is your computer, if the protection diode smoked like that the computer polyswitch or circuit fuse should have intervened.

Thanks.. Tom.. :grinning: :+1: :coffee: :australia:

Hi,
Can we please have some images of your project?
The schematic you provided does not match the images you have previously posted.

Thanks.. Tom.. :grinning: :+1: :coffee: :australia:

I was using a MacBook Pro at the time.

Here are the images of the newly assembled. It is still a mess, but cleaner and more organized than before.



This topic was automatically closed 180 days after the last reply. New replies are no longer allowed.