Nano Short Circuits

I was working on an Arduino Nano and I managed to get it to work twice, but the third time, the board refused to power up and since won't power up.
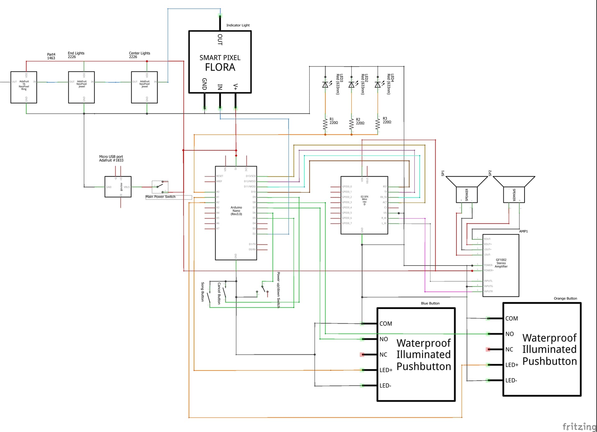
I am following this schematic,


and am using this power bank Portable Charger 36800mAh,3 USB Outputs Power Bank, Dual Input External Battery Pack,USB-C High-Speed Charging Backup Charger Compatible with iPhone 14/13, Samsung Galaxy Android Google LG and More
or a smaller one.
Do I need a smaller power bank, or would a power regulator fix this issue? Any suggestion would be useful.

Is it failing in your circuit, or have you removed it and tested it separately?

Do you have a DMM?

1 Like

If you blow a circuit breaker in your home, do you need a smaller nuclear power station?

Voltage is potential energy. Loads only "sip" what current they need.

I have removed it and tested it separately. No response from it. Even when plugged into computer.

I do have a DMM.

The issue is also that now also happening that when I plug in the power to the Micro USB port, the Audio board does not light up either anymore, so it might by the USB port so I will try to fix that.

Hi,
Can you please post some images of your project?
So we can see your component layout.

Thanks.. Tom.. :smiley: :+1: :coffee: :australia:

1 Like

I see 3 LEDs with 220Ω resistors (40mA total) connected to pin A0,
button LEDs with no current limit resistors connected to A1 and A2. How much current do those LEDs draw?.

Use the DMM on voltage scale to probe the board. With the USB connected, first check the 5V and then the 3.3V pins.

I assume you know that the ground lead must be connected to board ground for those tests.

That isn't the whole thing, but it's where to start.

I have actually switched out those LEDS for non LEDS one for A1 and A2, so the code for those pins have also been disabled.

Are you using a solderless breadboard?

Fascinating.

I did the tests, and on the 20V setting on the DMM,

The board on the 1st GND and 5V pin has .02-.05
Nothing on the other GND or the 3v3.

When I plugged it into the Mini USB, the Micro USB port was putting out a solid 5.07-5.08 without the arduino attached but everything else attached.

I switched from a 2600 mAh battery to a 8000 mAh battery (Both having 5v output) on the Arduino port and something on the Arduino started smoking.

No. I have soldered it together.

My work isn't pretty, but here it was before I removed the arduino. Everything follows the diagram above in the main question (except the usage of A1 and A2 since those are disabled) .

Whole Project
Buttons (loose right now, haven't secured them down)
Lights
Audio

Check the power switch.

1 Like

It's working. Checked with DMM and it is is having the same output as the Micro USB port.

You have probably destroyed the back feed protection diode on the Nano. It conducts power from the USB port to the 5V board power and the 5V I/O pin.

If you look, you may even be able to see the damage visually, it may be burned. Because the diode can not conduct very much current, connecting current demanding loads to the 5V pin, is a recipe for disaster.

I do not see any visible damage to it. But if this is the case, how would I go about preventing this from happening again?

Do not use USB power that way. Power all your devices on 5V from a different supply or USB tap, and treat the 5V pin as a power input rather than a power output.

If you like "living on the edge", you can put a jumper short across the diode, now all the USB current can safely bypass the Nano. But then there is no input protection for your USB source, you can harm your PC's USB ports if you overload it that way. Also that removes the backfeed protection, when the PC is off and the Arduino is on, it can also harm the computer. The UNO has a resettable fuse to deal with that kind of problem, which the Nano lacks.

In a kind of perverse way, the diode is a fuse in these situations. :slight_smile: It may have sacrificed a Nano to save your PC.

In fact, it would be a good test, to apply 5V to the 5V pin and see if the unit comes alive (with the USB unplugged).

According to the diagram I was using, it was used as an input for the power from the USB. The power in the diagram was wired to the 5V from the switch which the switch was connected to the USB. So I am likely misunderstanding what you are saying, but if I am understanding, it was wired that way.

Not sure I really understood that.

1 Like