Quelques conseils pour réaliser un projet

salut tout le monde,

je suis en train de réaliser un projet et pour ce projet j'ai besoin d'émettre un son relativement fort et les émetteurs sonores dispo pour arduino (de ce type: https://www.amazon.fr/WINGONEER-3-3-5V-Trigger-Buzzer-Sounder/dp/B01DCYS2GE/ref=sr_1_14?ie=UTF8&qid=1466600551&sr=8-14&keywords=sonore+arduino ) n'envoient pas assez de patate, enfin, je crois (dites moi si je me trompe) ^^

Du coup un ami a pensé à mettre un klaxon de véhicule (genre celui là: Cdiscount) et je me demande si c'est possible de l'utiliser avec une carte arduino.

Puis tant que je suis là, quel type de batterie je devrais utiliser pour faire fonctionner l'arduino en autonomie (sachant qu'il y a 2 boutons/switch, 4 led, un écran lcd 4x20, un pad numérique, plus le klaxon ou émetteur sonore)?

Merci d'avance. :slight_smile:

Bonjour,

Une possibilité:

Batterie d'auto 12v
Klaxon auto 12v
Relais 12v pour la commande du klaxon (l'ampérage dépendra du klaxon).
Un transistor NPN ou un Mosfet pour commander le relais à partir d'une sortie digitale de l'Arduino à travers une résistance.
Une diode de roue libre montée sur la bobine du relais.

Tu trouvera des schémas en cherchant un peu sur le net.

Ou bien un module relais tout fait.
Si tu alimente l'Arduino avec la batterie, il faudra prévoir un régulateur, la tension d'une batterie auto peut dépasser les 14v en charge et Arduino n'aime pas.

Bonjour,

Regardes "Askari buzzer" sur ton moteur de recherche préféré.

J'en ai utilisé un pour un projet et le son était insupportable.

Par contre il doit être alimenté entre 9-24V donc il faudra passer par un relayage pour l'alimenter.

Pour l'alimentation de ton arduino tu n'as pas trop le choix :regardes les caractéristiques ici

le problème, c'est que je comte mettre tout le bazar dans une mallette (qui soit transportable partout) du coup la batterie au plomb de voiture de 10 kg c'est un peu chiant ^^ en plus de pas pouvoir entrer dans la mallette.
Du coup je pensait plus à une batterie au lithium ou un truc du genre. (si c'est possible)
Et le Askari buzzer a l'air pas mal avec son 95 dB :slight_smile:

Il existe un buzzer qui émet a 90dB pour seulement 1.5V, d'ailleurs ce sont ceux qui sont utilisé dans les fameuse alarmes "Lipo".

-Standby:
Il existe un buzzer qui émet a 90dB pour seulement 1.5V, d'ailleurs ce sont ceux qui sont utilisé dans les fameuse alarmes "Lipo".

Ce type de buzzer possède plusieurs tonalités ? Si oui sa serai génial parce que sa me permettrai de le brancher direct sur l'arduino sans passer par autre chose ou avec une batterie supplémentaire(enfin je pense).

Edit : je viens d'aller voir et ce type de buzzer et ce sont des buzzers pour tester des batteries (un voltmètre avec alarme quoi). Du coup, je vois pas trop comment m'en servir =/

Non, je parle seulement des buzzer (machins noir).

Ah ok autant pour moi ^^, il me reste plus qu'a en trouver

Norphirion:
Ah ok autant pour moi ^^, il me reste plus qu'a en trouver

Bonne chance, ils sont quasiment introuvable, je te conseil d'acheter des alarme lipo et de les dessouder.

Re, j'ai reçu tout le matos pour mon projet (y compris l'alarme lippo) et y'a pas beaucoup d'infos sur les buzzers, sans doute car ils sont pas faits pour être démontés ^^. Du coup je me demandait comment je pourrais le faire fonctionner tout seul et je pense (a moins que je dise des conneries) qu'il faut foutre du 5V aux bornes en alternatif sauf que la sortie de l'arduino est en continu (je crois) du coup pour le passer en alternatif je suis un peu pommé =/
les seuls trucs que j'ai vu ce sont des montages qui prennent la taille d'une table sur des fofos anglais du coup je trouve pas ça ouf pour faire du compact ^^
Y'aurait pas un moyen un peu plus facile pour passer du DC en AC ?
Encore une fois merci d'avance

j'ai reçu tout le matos pour mon projet (y compris l'alarme lippo) et y'a pas beaucoup d'infos sur les buzzers, sans doute car ils sont pas faits pour être démontés ^^. Du coup je me demandait comment je pourrais le faire fonctionner tout seul et je pense (a moins que je dise des conneries) qu'il faut foutre du 5V aux bornes en alternatif sauf que la sortie de l'arduino est en continu (je crois) du coup pour le passer en alternatif je suis un peu pommé =/
les seuls trucs que j'ai vu ce sont des montages qui prennent la taille d'une table sur des fofos anglais du coup je trouve pas ça ouf pour faire du compact ^^
Y'aurait pas un moyen un peu plus facile pour passer du DC en AC ?

Bonjour,

J'utilise régulièrement ces petites alarmes destinées à alerter une baisse de tension sur une batterie lithium.
(Ils sont connectés sur la prise d'équilibrage de la batterie)

Ce que j'en pense :

  • Le son est très puissant et audible à bonne distance
  • la conso est très modeste (quelques dz de mA)
  • Le seuil de tension pour déclencher l'alarme est réglable par BP
  • Le prix et la masse sont sans équivalent et ils sont très robustes.

Je pense aussi qu'il est très facile de prévoir une utilisation détournée sans charcuter la bestiole .... à condition d'avoir un minimum de connaissances et quelques composants.

je donne quelques infos que j'ai recueillies en faisant des manips sur un exemplaire. (Je souhaitais concevoir une utilisation détournée pour faire un déchargeur automatique de batterie.)

Le fonctionnement le plus basique est obtenu avec une batterie 2 éléments (2x3,7V lipo)

l'alarme se déclenche quand l'un des éléments voit sa tension descendre en dessous d'un certain seuil réglable (de mémoire entre 3 et3,8V)
Le signal envoyé alors sur les puissants Buzzers est un signal rectangulaire de fréquence 3kHz et de valeur crête à crête 3V. (j'ai mis un oscillo pour savoir)

je pense que l'adaptation à l'alimentation et le déclenchement dans un environnement Arduino ne sera pas bien difficile ...

Serge .D

bah je vais essayer de me renseigner mais je suis un tout nouveau, surtout en électronique du coup je vais galérer un peu mais je vais essayer de trouver un moyen de l'adapter.

Autrement j'aurait peut-être une idée faite à l'arrache ^^, sa serait de mettre une toute petite batterie lipo (pour que l'alarme soit tout simplement alimentée) et je bidouille le BP de réglage de la valeur vu qu'il fait un bip a chaque appui.
Mais du coup il me faudrait la plus petite batterie possible et je saurait pas laquelle prendre.

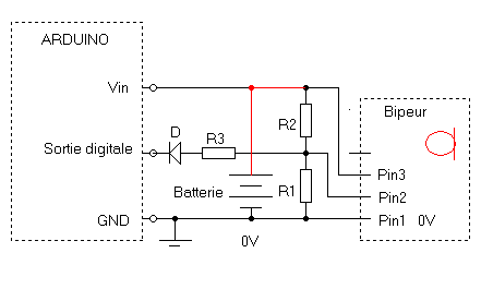
Tant qu'a mettre une batterie lipo, je verrais bien une petite batterie 2 éléments pour alimenter l'arduino sur Vin et le bipeur : (Bipeur pin 1 pour le - et pin 3 pour le +)
Il reste à organiser quelques résistances connectées à une sortie digitale de l'arduino pour déclencher l'alarme du bipeur (pin 2 du bipeur ) par l'arduino.

Par précaution, prévoir des essais " à blanc" avant de connecter les résistances de l'Arduino à la pin 2 du bipeur ...

Serge .D

Voila quelque chose à tenter :

Essayer par exemple :

R1=R2=R3= 2 à 4 kOhms
D :" diode basique" silicium 1N4007 ou 1N4148 ou etc ...
Batterie 2S Lipo, capacité selon l'autonomie recherchée.

Serge .D

Circuit.PNG

Jetez un oeil sur Ebay pour 95DB Alarme Arduino Haute décibel DC 3-24V
Ca ne vous convient pas? Éventuellement en rajoutant un boost converter devant