Hi,
I'm a hobbyist started last year.
I just build a small fun sound device that plays different christmas bells when detecting movement through a PIR.
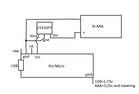
It's a Pro Micro 5v with j1 closed (was open before, no difference to story below).
It's working great when powered by USB but not when using battery power.
I'm using a 3x AAA holder with a Pololu 5V step-up voltage regulator (U1V10F5). The Vout is connected to the VCC pin (thus not raw) on the Pro Micro. I'm outputting my sound to pin9.
When I check the voltage on pin9, on USB this is about 1,73v.
When disconnected from USB and turning on my batts, this pin gives 3,25v and rapidly declining when checking.
Also, if it helps, my speaker is working fine when on USB and 'screeching' (and tuning up the pitch) on battery power.
Does this make any sense to anyone...?
Thanks!
Regards,
Tri.
