[SOLVED] Relay 1 and 2 turn on and off very loud

hello and good day,
I`m using 4 relay and 4 push button to control my motor and the operation are as follows

the purpose of relay 1 and 2 is to turn on and off the motor and relay 3 and 4 is the upper limit and lower limit of the sensor the push button are actually sensor.

when push button on relay 1 pressed, the motor will on and until push button on relay 3 is pressed only then the motor stop.

if push button on relay 2 is pressed, the motor will be in reverse until pushbutton on relay 4 is pressed, then the motor stop.

I am having some trouble with my schematic as the relay acting like having short when I connect the motor but once I disconnect the motor, it behave as expected, can I know where I done it wrong.

What relay? What VCC? What motor?

i`m using a single single pole single throw relay with 12V VCC and common dc motor that I found on tamiya motor that I found lying around

That dosn't make much sense, the bit " but once I disconnect the motor, it behave as expected," if you remove the motor the expectation is that the motor will not run at all.

If you remove the motor an replace it with a short circuit then yes you will short out the power supply.

Your schematic has not got any labels on the relay switch contacts and I am making the big assumption that they are being drawn in the normally closed position (Nc). Is it possible in your wiring you have mixed up the Nc with the normally open (No)?

Hello cookie95

Post a picture of the hardware setup showing all connection for the relays in detail.

I mixed up my relay contact and I just fix it according to the schematic that i draw. thanks for reminding me

im using this diagram and make adjustment based on this one for me to control the motor to run it forward or reverse depending on which button is pressed

Relays are not the best way to do this...
Motors will cause sparks and very high currents...
You miss a small capacitor over the motor.
And some diodes to take away the sparks.
A mosfet h-bridge module will be much better.
Do you have any idea of the stall current of your motor? Is it a hobby car motor ar a wheel chair motor...

Limit switches are usually not done with a relay, but with two NC (roller) micro switches with diodes across. The right polarity of each diode stops the motor going in the wrong direction.
The right-hand side of this daigram shows how to wire the diodes.
Leo..

2 Likes

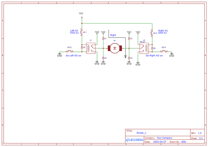
based on your and @build_1971 comment this is the updated drawing

Im using a 472K ceramic capacitor with diode and Im using to drive my car power window. imma try it right now. please let me know if there are anything I missed

thank you

edit: I tried this diagram, with the diode but when relay 3 trigger, the motor do not stop. what I`m trying to do is either one of the relay 3 or 4 trigger, the motor stop. but so far if I disconnect the diode, the motor behave exactly as expected. how do I make the motor stop?

You cannot have the diodes where they are now. They should go to plus and ground.

That is a good trick a capacitor normally has its value in micro or nano farads. Resistors are measured in K.

Diodes D6 and D5 are wrong. To correctly apply flyback diodes to bidirection motors you need:-

2 Likes

can I know what would happened if I did not use D5 and D6, instead I just directly connect it to my motor?

I tried it and the motor still runs, does it have an effect on the long run?

Hi.

It sounds like you shorted the limit switches out, so they would not stop the motor.

The reason for the diodes is;
When you hit the limit the switch OPENS.
This cuts the current to the motor.
The diode is then in circuit, so when you reverse the current the diode conducts and the motor moves OFF the limit switch.

You have to have the diodes in the correct orientation for this to work.

Do you know the basic function of a diode?

This may help;

Thanks.. Tom.. :smiley: :+1: :coffee: :australia:

1 Like

good day, i just update my drawing and here is what i come up with

imma try it in a bit and let this thread know. thank you kind sir

One more:

1 Like

Hi,
How do you get the motor OFF the limit switch with your circuit?

When the limit is hit, there is no power to operate motor relays fwd or rev.
By the way your limits should be normally closed, not normally open.

Tom.. :smiley: :+1: :coffee: :australia:

Yes, I can't find the symbol for NC switch.

This should work