Hi folks,
Should the Vin pin of the Arduino Uno have the voltage of the external source, or 0.7 V below due to protection diode?
My board works fine but a multimeter at Vin reads zero volts. Is it defective? All other power pins present the expected voltages.
I'd like to route this voltage to an analog input thru a voltage divider to show a battery level on the display.
It should be 0.7V lower due to 'D1' diode.
Show us how you are measuring this voltage.
Arduino_Uno_Rev3-schematic.pdf (81.4 KB)
Here is the schematic.
Sure! With a multimeter placed on Ground and Vin pins directly at the board. Same measure on all other Power pins shows correct voltages.
I also took off those zip ties to check continuity between Vin and all 3 NCP1117ST50TG3 5V regulator pins. None is conected.
Trace the Vin pin back to its origin, visually then with the resistance range on the DVM.
Confirm Vin has continuity to the cathode of the Vin diode.
Ah, put the probes down and step away from the Uno... the obvious answer is usually the correct answer.
While it cannot be verified by the photo, 0.00 is the correct voltage when the board is powered by the USB jack.
Only when powered by the barrel jack, Vin will be approximately 0.7 volts less than the input voltage.
Yes, that can be done but you’ll need a voltage divider to measure anything above 5 volts.
Why? Because any pin (analog or digital) can never be allowed to exceed the processor supply voltage plus 0.3 volts. The same is true on the other end, the voltage cannot go below zero minus 0.3 volts.
Bad things happen if you exceed those limits.
It appears the Arduino is powered by the power jack here.
Assuming the wall wart is plugged into the AC mains, the jack is plugged into the socket.
Thanks for the clarification, @WattsThat. However, if you pay close attention to the picture you'll see the board is indeed powered thru the Barrel jack, and it comes from a 2S 18650 battery pack. So I presumed it should show something around 7.5V for a rather charged battery.
Yes, the jack is plugged and, since there is no continuity from pin 3 of 5V regulator to Vin point at power bus, I am wondering if is it worth to jump them together. Apparently that point is not connected to anything.
This is not an original Arduino Uno, it is a copy. It does not surprise me to have such a flaw.
Can you physically trace (by eye) the trace path going from Vin ?
Confirm as you go with the ohm meter.
Neither by eye nor with ohm meter I found any continuity with this Vin eyelet. And from schematic sent by @missdrew (upper left) it should also read 20K between Vin and ground, wich I find open at the eyelet and 1.56k between ground and pin 3 of 5V regulator.
All bets are off re attaching Vin to the regulator with a wire.
The manufacturer obviously is in question ![]()
Maybe place an ohmmeter lead on the Vin pad and probe around to see where it might go.
For example the power jack leads, diode anode/cathode, capacitor leads etc.
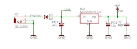
Uno Input section:

If you know your meter is working then I suspect you are not making good connection to the board. I realize you are holding the probes there but I've had similar experiences and found the measurement connection to be the cause.
Do you have a few duPont jumpers? Put them in the header and measure at the ends.
I guess it is possible the Vin clad is broken (I think unlikely) but if you can find D1 or IC2, measure there.
I never assume. The photo does not clearly show how the board is powered and you did not state the source.
For that particular clone board, the pad that you have the red probe on is connected to the cathode of D1 with a short (~2mm) trace on the top side of the board - that connects to the Vin pad of the female connector. If the connection between those two Vin pins is open, yes, you can jumper them together with a thin wire on the back side of the pc board.
It could be that the trace was damaged when the female connector was installed. The plate-thru via could have been damaged or faulty although most of the boards are tested for continuity as part of the post fab QC of the bare board. For $5, the quality is typically quite impressive IMO.
You do NOT have an Arduino product. You have an off brand clone/copy/fake. Without their schematic, all information I supplied is void.
Thank you all for your help. I tried each and every clue suggested to no avail. My conclusion is the clad is indeed isolated so I'll add the jumper. This clone has not even the reverse polarity protection diode, power goes direct to 5V regulator input.
This is the problem with clones, the only advantage is their prompt availability in Brazil. To import a genuine Arduino costs about 100% more and takes a couple months to clear customs. Price is not an issue since they are very accessible, but the wait is.
I take this troubleshooting as part of the hobby.
This topic was automatically closed 120 days after the last reply. New replies are no longer allowed.

