Hi
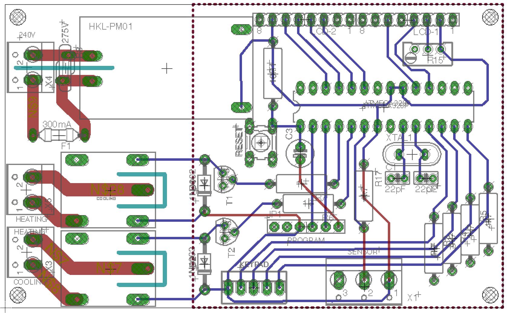
I'm about to build an Arduino circuit for switching 240v relays. I would also like to use 240v to power the Arduino circuit itself. I have ordered an AC-DC converter (HLK-PM01) for this purpose - the information I have read indicates this is a pretty good device. I only need 100-200mA in my circuit.
Because I am using 240v I am keen to ensure I take as many safety precautions as possible. With this in mind I have designed the board with a few extra safety features, namely:
-
included a slot in the board between the 240v pins of the HLK-PM01. The pins are only 5mm apart, and the pads themselves are more like 3mm.
-
included a 275v varistor in the circuit to effectively short circuit on the 240v in the event of a large power spike.
-
include a 300mA fuse on the 240v side. This will protect things in the event that the HLK-PM01 short-circuits (fails) or the varistor short circuits.
-
include slots around the common pin of the relay, to keep effective distance from the low voltage side.
-
keep the 240v circuit as far away as possible from the 5v circuit.
Keen to get some feed back on this design, or/and suggestions to make this circuit as safe as possible.
Thanks


