3.3V and 5V Power Rail circuit - Does this reverse voltage protection work?

I have an power rail circuit that i will use for powering my breadboard projects with 3.3V and 5V + an direct DC channel that gives the same voltage out as in.

I have looked around for reverse polarity solutions that is bullet proof and found this schematic.

But i do not know if i have managed to draw it right in my own schematic, and need some feedback to that.

here is my schematic:

I think i see an error in my drawing. I think i should connect the Lead that goes to the gate on the two mosfets before the switches in circuit.

But will it work if i do that?

Someone?

They don't look right to me, You need to switch the high side. Plus you need to stop the reverse voltage getting to the stepdown converters
I use this simple circuit below working with a 3.7V battery, you could use logic mosfet if it's only 5V input and this makes an interesting read.
https://www.infineon.com/dgdl/Reverse-Batery-Protection-Rev2.pdf?fileId=db3a304412b407950112b41887722615

If you carry out a google search you will find plenty of information.
reverse

Thanks :slight_smile:

I have search alot, and i'm still some confusing. The one circuit i posted suppose to work and are not made by me. I want to use that circuit (if it works) and the mosfets i have in hand is IRFL3705, IRF3708 and IRLML2502. All N-channel Logic Level Mosfets.

If that's the case then the only way is to try it and see if it works, The worse that can happen is the release of magic smoke and a little bang if it dont work :grinning:

Okay. I just wanted to know if my circuit regards to the polarity protection was made right.

It dose'nt help me when you draw a chematic that nor even has two mosfets.

You don't need 2 mosfets and you don't have to use the mosfet in the shcematic I showed you, That circuit works perfectly wel.
How the circuit works.
The PMOS is used as a power switch that connects or disconnects the load from the power supply. During the proper connection of the power supply, the MOSFET turns on due to the proper VGS (Gate to Source Voltage). But during the Reverse polarity situation, the Gate to Source voltage is too low to turn on the MOSFET and disconnects the load from the input power supply.

The 100R resistor is the MOSFET gate resistor connected with the Zener diode. The Zener diode protects the gate from overvoltage.

In your schematic you've drawn is wrong because the VCC can be supplied to the stepdown converters before the mosfet's .
Have you got a link to that original shcematic to see if I can get my head around how it should work ?

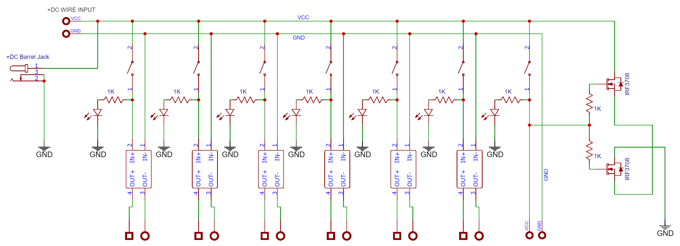
I think i know what you mean regards to my schematic. I see that i drawed it wrong and i will post a new one.

Remember that in my schematic i use N-channel mosfets (logic level). With two mosfets like that i do not get any voltage drop.

Is this schematic more right?

Hi,
Can I suggest a fuse in the positive line, and a reverse biased diode across positive and negative.
Then if you have a reverse polarity situation, the diode conducts and the fuse blows.

Tom... :smiley: :+1: :coffee: :australia:

Yes, off course. I know that circuit. This is my backup plan. But i also want to know how i can make an bulletproof reverse voltage protect circuit with N-channel mosfets.

I will use N-channel mosfets because i do not have P-channel mosfets right now. I just need help to make the circuit i posted earlier right, regards to the reverse voltage protection with two n-channel mosfets.

Okay..
I'll let you continue with your N-CH MOSFET obsession. :+1: :smiley: :grinning_face_with_smiling_eyes:
Its one way to learn ...

Tom... :smiley: :+1: :coffee: :australia:

Thanks. Yes, i can learn when trying and in worst case get electrified, or i can learn from you guys. Or somewhere in between.

Your schematic is still wrong, You won't get electrified it will just produce the magic smoke signal. :grinning_face_with_smiling_eyes:

Just give up on your N-CH MOSFET obsession and buy some P-CH-MOSFET'S . Has to us your not listening what we are trying to say,
Sorry can't help you know more has you've still not provided a link, I did a quick search and found your schematic that was posted over 8-10 years ago but with no information on another forum

Here is the link:

Why give up? I know it is a simple circuit. I just have to see how i can connect it right to understand it.

I will test myself, but it's time consuming and time is my big issue. Bit no worries. I will find it out, with or without any help.

I've had a quick look at that post and all I can say is WHOW, You must trust others more than some other people and rely on a posted picture which was posted 10 years ago with little or no information about it and only one person say's I've built and it works,
The idea is there's one for high side and one for low side.

Your trying to use the LOW side in HIGH side you need move it to low side so that no ground (-) get's fed into the board if connected wrong. The OP could not even be bothered to reply to that thread. And I'm not sure why his using to mosfet's in series for either pointless.

Why don't you just use a signal P channel Mosfet it's doing the same job with no voltage loss like the one I posted. If you are getting voltage drop then your not fully turning the mosfet on.

Witch P-channel mosfet do you prefer for that use?

This all depends on the input voltage and current draw in total.

I used AO3413 because I'm running an 3.3V Pro mini of a 3.7V lipo battery using LM3671 LDO converter along with auto switch off after a set time.

Something like this
https://www.digikey.com/en/products/detail/NDP6020P/NDP6020P-ND/1055922
or like this
http://yourduino.com/sunshop//index.php?l=product_detail&p=413

I use Rapid electronics or RS components mostly for my parts unless there is already built module of E-bay
This guy explains it all in detail if you wanted to learn
https://www.youtube.com/watch?v=eS4_6XQi74c

I will look at that video :slight_smile:

In my case i need an P-channel mosfet that can turns on when input voltage is from 3V to 24V and the absolute max current in my case is around 8 amps.

So i need an absolute max output from the board that can give 24V and 8 amps. But for the most of the time the current will nok exceed 1 amp and 5V.