Arduino nano with multiple vibration motors

Hee!

I had a question regarding multiple vibration motors connected to an Arduino NANO. I made the following circuit, but before I want to solder the board, I was wondering if the circuit is correct when using the following components:

  • Resistor: 1k ohms
  • Transistor: 2N2222
  • Diode: 1N4001
  • Capacitor: 0.1uF
  • Vibration motors: 70 mA at 3V
  • Coin battery: 3V

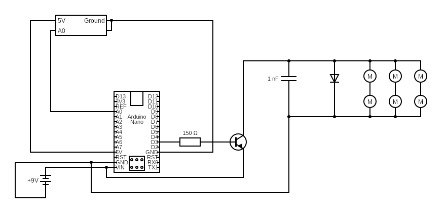
Your transistor is connected backwards: emitter must go to ground, collector to the load.

Your diode is connected backwards: cathode must go to +ve supply.

The base resistor should be 150 ohms.

The capacitors should be more like 1nF and ceramic and soldered onto each motor's terminals directly, otherwise they won't be doing much to suppress radio interference.

The total current the 2N2222 can handle is 0.8A, this has to be larger than the total stall currents of the motors, not just their run currents.

You will power 6 motors with 60 mA each with 1 coin battery? I do not think so.

Ooops, yes I missed that - no chance at all to drive 6 motors with a coin battery... Motors take lots of power (I've pretty confident the stall currents will be more like 0.8A each anyway, so multiple from one 2N2222 could be a problem anyway).

Small LiPo might be a battery possibility.

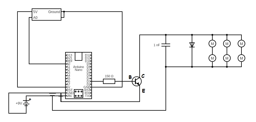
Thanks for your feedback! I now changed my circuit to the following circuit, and this way, I try to power my circuit with a 9V battery soldered onto the Vin-pin.

Hi,

If it is a 9V smokealarm battery it may work, for a little while, they are not designed to power the sort of circuit you have.
You also have the motor and BJT connected to the battery the wrong way around.
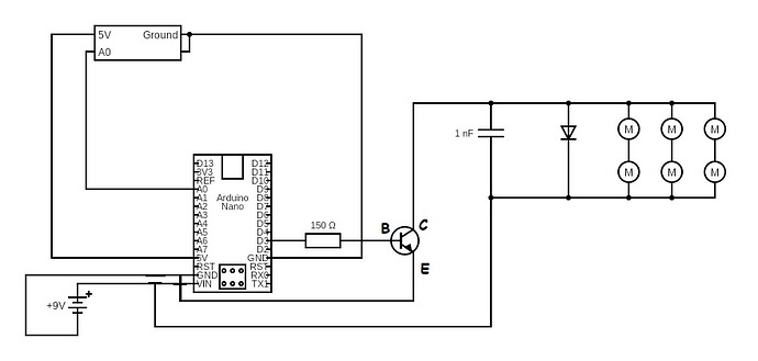
This circuit is corrected.


It helps a lot to label pinouts.
Tom... :smiley: :+1: :coffee: :australia:

And you've made more fundamental polarity mistakes again. The +ve side of the battery goes to the motors, the -ve side of the battery to the transistor emitter. It gets expensive in fried components if you are slapdash about polarity, best to double check (measure twice, cut once philosophy)...

This topic was automatically closed 180 days after the last reply. New replies are no longer allowed.