Bi-directional switch with N-FET’s and photovoltaic driver

Hi

Background: I’m looking to build a module that acts as a bi-directional switch based on mosfets. Call it solid state relay (SSR) if you like. I will have the module made by a PCB manufactory to then be able to use the module in my other designs by soldering it on top, sandwich style. Very modular. :hugs: The steering voltage is +3.3-5V and the switched voltage is +/-15V.

To the subject: I’m looking at building it with two N-channel MOSFETS in a back to back configuration, driven by the photovoltaic MOSFET driver technology. The reason I look at this option is that I cannot for my life find a traditional suitable high side mosfet driver that is reasonably priced (sub $2) and in stock. If you know one, please post a link! =)

The switch will be turned on 90% of the time, in a battery powered application. This leads me to think about the current consumption of the LED in the driver. The datasheets tend to assume 10mA driving current when they draw up the specs. However I see as low as 0.5 mA mentioned in the specs as well.

How low is it possible to go, and still have the MOSFET guaranteed to be fully on?

Thanks in advance! :smiling_face_with_three_hearts:

Example components:
APV2111VY (datasheet)
HYG011N04LS1TA (datasheet)

bild

EDIT: Added voltages.

Can you please provide a complete circuit diagram including the load and all power sources? Use relays instead of any other switch types for clarity.

I'd guess that you want a single MOSFET and an optocoupler for your DC SSR.

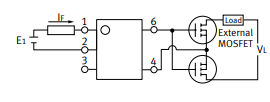
Thank you for reply. Here is a crude schematics. Please ignore that the driver part is illustrated with an inbuilt mosfet, it was the only eagle part I could find. The load will be between PAD1 and PAD2 with a power source in series.

You did not draw what I need :frowning:
A hand drawn sketch were sufficient.

I can see no reason for 2 MOSFETs.

That sentence doesn't make much sense to me. Is this an AC power supply?

Post a schematic showing power supply, load and switch.

I have trouble imagining what you are trying to do with that circuit, and how you think it would work.

I'll try again! =)

The goal i a bi-directional switch. Sometimes the supply is one side, and the load on the other. Sometimes the other way around. Please see here:

And how does THAT work?

On a separate issue, are you comfortable with the very slow switching times of photovoltaic MOSFET drivers?

Lets say a battery that is being charged and being discharged. To be able to control that.

I'm not going to PWM the MOSFETs. They turn on, and stay on for an hour up to a couple of days. Then they are turned off.

Now it becomes clear :slight_smile:

It should work provided that the diodes permanently support the switched current and are cooled sufficiently - see the Diode Forward Voltage in the data sheet. And you provide a voltage source (or Gnd) to the Driver IC.

Thanks! The question is then, how much current is needed to keep the MOSFET's turned on?

The data sheet says >0.75mA.

But it must also be dependent on the MOSFET characteristics? I cant get my head around how to calculate it.

Suggest you use an Opto Fet.

H11F1M/H11F2M/H11F3M

images

https://www.mouser.com/datasheet/2/149/H11F3M-189245.pdf

Look at LiPo charging boards with protection, and protection boards build into battery packs.
Almost all use the FS8205A.
Leo..

Draw the driving circuit and you'll see (I did too late) that you build a high side switch and consequently need P channel MOSFETS which can be turned on by a negative voltage (Gnd). Then have a pullup resistor between the gates and drain (to turn off) and insert the optocoupler from gates to Gnd.

Thank you for your suggestion. These IC's has inbuilt MOSFET which means we are constricted to their limits. We need higher currents than what an inbuilt MOSFET can handle.

This looks like a treat! But we need higher currents in this project. But I will keep an bookmark on that one for future needs. Thank you.

But it is a N-chan MOSFET based high side switch I'm trying to build. Not a P-chan MOSFET based one. N-chan has lower resistance vs price/footprint/availability. Thats why I need a driver IC, either with a charge pump or by other means rise the voltage, such a photovoltaic IC.

The circuit is drawn up here and can be simulated:

Here is a simulation with the gate voltage taken from 0V to 15V and how the N Mosftes start to conduct and transfer current, in a high side configuration.

So the difficult way.
Most battery protection circuits use N-channel fets in the ground line.
Leo..