Board with at328p

Hello every body.

I'm building a project in Arduino.
I used the Arduino UNO R3 and a Board named DFPlayer.

The shield is diy

It works very well

As I use very few features of the Arduino I planed to buy the AT328P from Atmel and make a DIY board, but I don't know if it will work

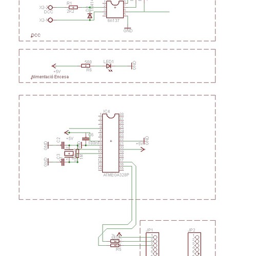
I attach the eagle schematic of my new board. The crystal is a Standard low cost EBAY 16Mhz crystal it will work or I've to put a 1M resistor (R7) through its legs as in Arduiono UNO?

I've to put a capacitor of 100nF through 5V in and GND of the AT328P as near as possible of the PIN number 7 and 8

Thank you very much

What is JP1? Is that an FTDI connector for serial programming? If so, it's connected to the wrong pins, and I can't tell if ground is connected.

I've never put the 1M resistor across the crystal.

Why is the top and bottom of the schematic cut off?

I can upload a EAGLE SCHEME so I print the screen and saved as *.JPG
I can upload to Dropbox

JP1 and JP2 are the PINS from DFPlayer

The crystal is:
http://www.ebay.es/itm/181934544840?_trksid=p2057872.m2749.l2649&ssPageName=STRK%3AMEBIDX%3AIT

Thank you very much