Is there any curcuit diagram to connect 2 joysticks and 4 servos to an arduino uno r3 board? Because i've only seen curcuit diagrams of only a single joystick and 2 servos being attached.
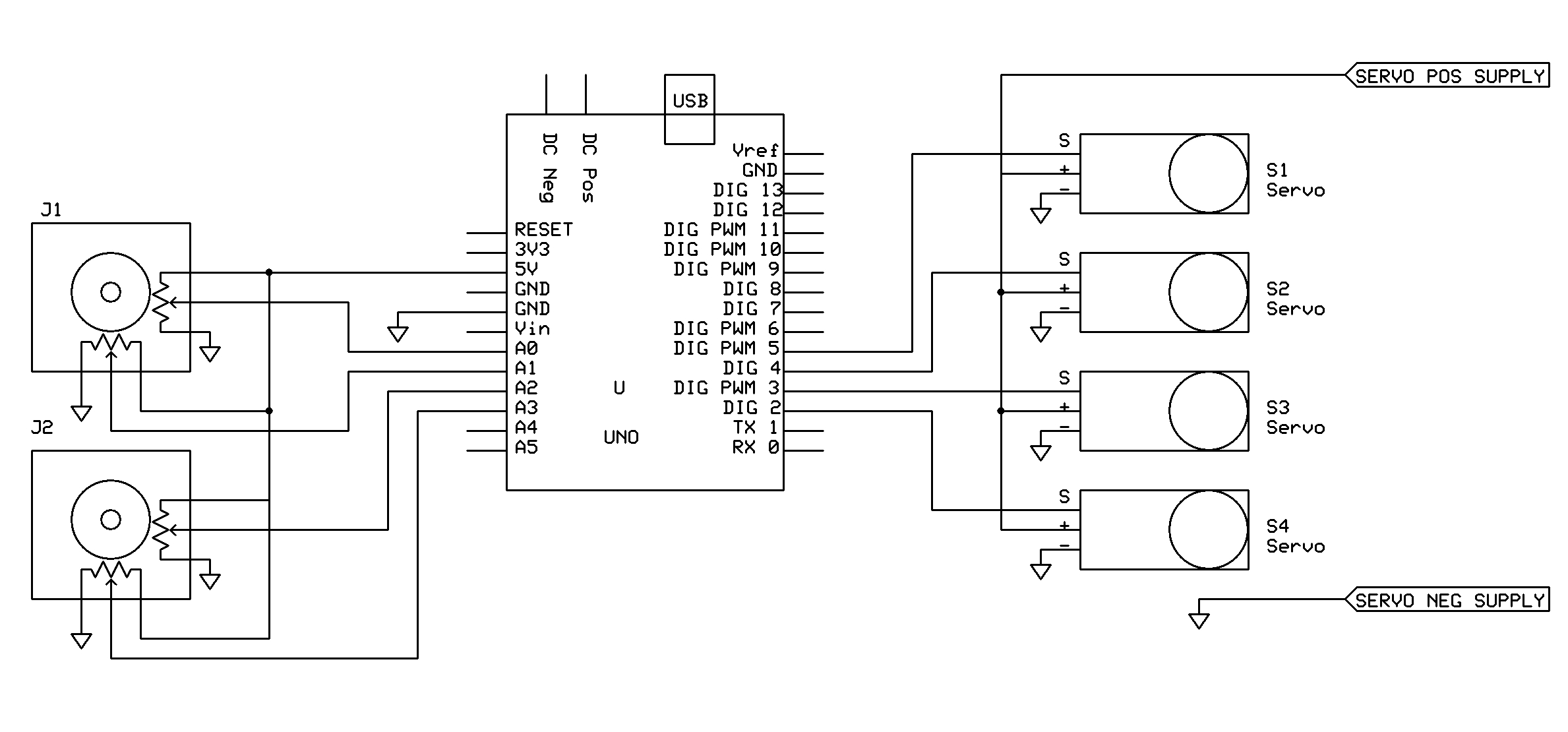
It's literally just a doubling up of what you see for 1 joystick and 2 servos. Choose 2 other pins for the new joystick's x and y, and 2 new pins for the new servos' controls.
Big thing will be to make sure you have a decent power supply for the servos, don't power them from the Arduino, and connect the power supply ground to the Arduino as well as the servos.
wilfredmedlin:
It's literally just a doubling up of what you see for 1 joystick and 2 servos. Choose 2 other pins for the new joystick's x and y, and 2 new pins for the new servos' controls.Big thing will be to make sure you have a decent power supply for the servos, don't power them from the Arduino, and connect the power supply ground to the Arduino as well as the servos.
Hi,
Welcome to the forum.
Please read the first post in any forum entitled how to use this forum.
http://forum.arduino.cc/index.php/topic,148850.0.html
2 Joysticks will need 4 analog inputs, the UNO has 6.
4 servos need 4 digital outputs, the UNO has 11 dedicated outputs that can drive servo.
As @wilfredmedlin has pointed out you will need a supply capable of supplying the current for the servos.
Tom... ![]()
what about for the second joystick's GND and VCC connections? Should i connect both joysticks to the same GND and VCC slots? or should i connect them to the breadboard?
Well the Uno has only 1x 5V output so you will need to rig up some way of doubling it up, and the easiest way to do that is with a breadboard. Take 5V to one rail of the board and Gnd to another, then you have room for expansion with other devices like sensors and whatnot.
