Controllo filamento luci Fiat Panda del 1990

Buon pomeriggio a tutti, voglio esporvi la mia idea come primo approccio all'uso di arduino; voglio tenere sotto controllo i filamenti delle luci di una Fiat Panda che in totale sono 18, vorrei farlo con arduino che al momento dell'accensione del quadro prima dell'avviamento del motore deve eseguire un test di tutte le luci che in totale sono 18, se qualche lampadina risulta interrotta deve dare una descrizione associata alla singola lampadina attraverso un lcd IC2, con un'uscita invece mi deve far suonare un buzzer in modo ciclico cioè si attiva ogni ad 1 Hz per 10 secondi e rimane spento per 5 minuti, è possibile ottenere questo? Io non so da dove cominciare, mi aiutate ? Mi basta che mi indicate un progetto più o meno con lo stesso concetto che poi cercherò di adattarlo alle mie esigenze. Il cablaggio è gia presente da anni e consiste di un filo e un diodo per ciascuna lampadina che a suo tempo accendeva un led se un filamento di una qualsia lampadina risultava interrotto.

Ringrazio di cuore in anticipo tutti quelli che mi aiuteranno e ancora di più quelli che NON lo faranno.

Buonasera e benvenuto, :slight_smile:
essendo il tuo primo post, nel rispetto del regolamento della sezione Italiana del forum (… punto 13, primo capoverso), ti chiedo cortesemente di presentarti IN QUESTO THREAD (spiegando bene quali conoscenze hai di elettronica e di programmazione ... possibilmente evitando di scrivere solo una riga di saluto) e di leggere con molta attenzione tutto il succitato REGOLAMENTO ...

... poi, leggi con MOLTA ATTENZIONE il punto 15 (e tutti i suoi sottopunti) del succitato regolamento perché discussioni che coinvolgono tensioni oltre la bassissima tensione NON sono ammesse ed il thread viene chiuso, quindi ... se hai modo di rilevare la posizione dei tuoi interruttori senza mettere le mani sui cavi a 230V, va bene, altrimenti no ...

... infine, ti segnalo che, nella sezione in lingua Inglese, si può scrivere SOLO in Inglese ... quindi, per favore, la prossima volta presta più attenzione in quale sezione metti i tuoi post; questa volta esso è stato spostato, da un moderatore della sezione di lingua Inglese, nella sezione di lingua Italiana ... la prossima volta potrebbe venire direttamente eliminato.

Grazie.

Guglielmo

P.S.: Ti ricordo che, purtroppo, fino a quando non sarà fatta la presentazione nell’apposito thread, nel rispetto del suddetto regolamento nessuno ti risponderà, quindi ti consiglio di farla al più presto. :wink:

Perdona, non avevo visto il tuo messaggio

L'idea mi piace e ben volentieri ti do qualche indicazione

Spiegami solo come hai cambiato il sistema di controllo, ovvero fammi lo schema di una singola lampadina,

Così mi faccio un'idea

Scusa Standardoil di non averti risposto ma sono stato impegnato all'unisuono per un lavoro che finalmente è stato portato a termine.
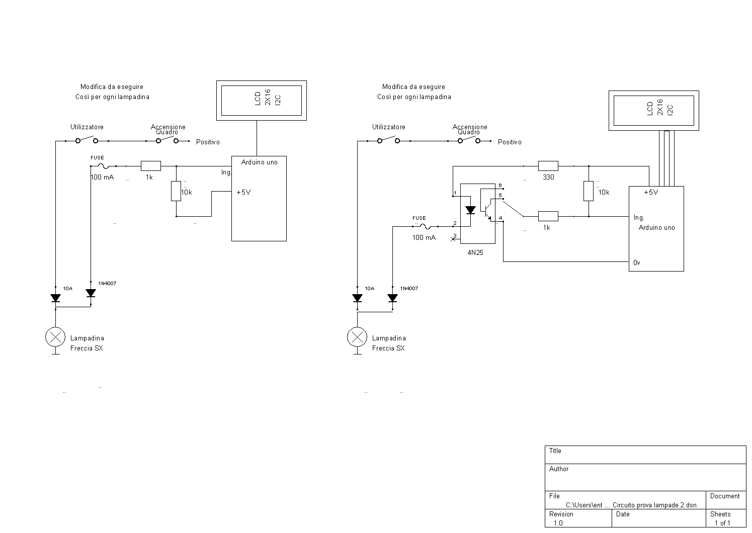
Allego schema di come era prima e la mia intenzione di adesso, in effetti con gli ingressi arduino deve vedere a quadro spento, se i suoi pin sono a negativo (che passa attraverso il filamento della lampadina integra), qualora il negativo manca (filamento interrotto ) deve visualizzare il messaggio associato a quell'ingresso es: "Freccia SX da cambiare" e far suonare il cicalino nella modalità descritta sopra, se le lampade sono più di una, allora le deve visualizzare in elenco scansionato. Per le lampadine dei fari essendo molto potenti per dividerle installai due relè di potenza 50A per evitare la rilevante caduta di tensione indotta dal diodo in serie, questi si autoeccitano con lo stesso positivo inviato ai fari, ovviamente tutto protetto e resinato per evitare incendi in caso di incidenti o surriscaldamento.
Ciao

Scusa gpb01 ma esiste sempre il messaggio che devo presentarmi ma l'ho già fatto utilizzando il link proposto IN QUESTO THREAD non è sufficiente? Se fosse così vi chiedo di nuovo scusa e lo rifaccio

Parli del mio messaggio al post #2? ... se SI, certo che sta li, mica viene cancellato ... tanto se non ti presentavi non potevi ricevere risposte, quindi tranquillo che è tutto a posto :grin:

Guglielmo

Un chiarimento.
Il test delle lampadine bruciate funziona solo quando le lampadine sono spente e non funziona più quando accese, anche se non funzionanti?
Oppure ho capito male io il funzionamento dello schema.

Si è così, il test può avvenire solo prima di avviare il quadro con la chiave, altrimenti se qualche lampada è accesa segnalerebbe che è bruciata

Il tuo schema, postato con arduino, funziona se collechi al diodo sul pin di ingresso una resistenza di 10kohm oppure imposti l'ingresso come INPUT_PULLUP PULL.

Concordo

Aspettavo stasera per buttare giù uno schema

Na sono esattamente della stessa idea

Schemi da poter utilizzare

Cerco aiuto nel fare il codice per poter gestire questo tipo di funzionamento calcolando che devo usare arduino 1 con espansione di ingressi perchè ricalcolandole ne sono ben 26, non sò se sia possibile

Dimenticavo di ringraziare Guglielmo per la sua risposta.
Ciao e grazie ancora

1 Like

No, arduino MEGA2560

Ok ma avrei bisogno di una mano per il software, cioè di una base su cui cominciare almeno un ingresso, uscita cicalino e funzionamento.
Grazie

Ma a cosa serve il diodo da 10A?

Sulimarco, sai che le lampade degli stop, delle frecce, della targa, di posizione , antinebbia, fari, sono tutte in parallelo tra loro per categorie, quindi i diodi da 10A servono appunto a separare le singole lampade per permetterne il controllo ovviamente singolo, altrimenti verrebbe fatto es. per gli stop quando si sono bruciate tutte e due le lampade hai un riscontro, penso di essere stato chiaro nella spiegazione.
Ciao

Capito

Sì ok

Dopo ti do due dritte

Però ricorda che lo sviluppo vero e proprio devi farlo tu, da regolamento

Comincia a pensare ad un modo, anche se ti sembra stupido o sbagliato è comunque un punto di partenza

Se tutto il cablaggio c'e' gia, non ti basta leggerli con una catena di shift register ? (gli shift perche' la UNO non ha abbastanza pin da sola)