Salve ragazzi devo disabilitare il reset automatico che si viene a fare quando la scheda si connette al pc tramite la seriale.
Ho visto che si deve mettere una resistenza da 120 tra il pin del reset e i 5 volt ma nn funziona.
la scheda è arduino mega 2560 , ce qualcuno che puo aiutarmi???
grazie
Ho visto che si deve mettere una resistenza da 120 tra il pin del reset e i 5 volt ma nn funziona.
se non dici dove l'hai visto.
Hai letto il megatopic pag 2
http://forum.arduino.cc/index.php?topic=130621.0
ho visto la foto da qua
http://playground.arduino.cc/Main/DisablingAutoResetOnSerialConnection
cmq ora provo con quello che ce scritto nella guida che mi hai postato grazie
nnt ragazzi la scheda si riavvia sempre
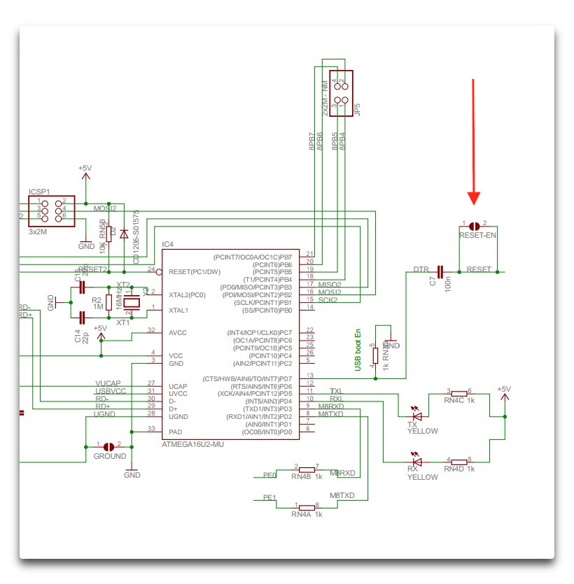
Magari studiando le schema e guardando le fotografie, che si trovano nella pagina di reference, scopri che ...
... c'è un ponticello da poter tagliare e, all'occorrenza risaldare (... ha le apposite piazzole) per abilitare/disabilitare il reset. Si chiama ... Reset-Enable (RESET-EN sulla serigrafia) ... ![]()
Guglielmo
In alternativa al taglio del ponticello, puoi inserire un condensatore elettrolitico da 4.7 / 10 μF tra i +5V e RESET.
