ESP8266-12F cause voltage spikes

I am facing some troubles caused by ESP8266-12F. I have a backlight in my circuit which driven by MSP430FR pwm pin. In normal condition ( ESP connected to the internet) everything works fine. However when ESP lose the internet connection( it still connects to the AP, AP does not have internet connection). My backlight starts to blink. And as i can observe from multimeter supply voltage of circuit (also backlight) changes 3.023V to 3.005V constantly. It is also synchronous with backlight blinks. I supply the circuit from USB connector, i am using LM1117 as a regulator. The interesting thing there is no voltage spike output of regulator.(before D2 from the regulator.jpg) There is a diode at the output of the regulator(D2) and output of diode is the supply voltage that i mention. You can see my backlight,regulator and ESP12F circuits from the attachments.

What have i tried till now ?

i made the C13(Vcc cap of ESP) 100uF. It did not change anything.
i also put another 100uF capacitor near the backlight +3V input. IT did not change anything.

Thanks a lot for reading. Waiting for your comments

backlight.jpg

backlight.jpg


backlight in my circuit which driven by MSP430FR pwm pin.

I don't see the msp430fr in your schematics?

You are feeding +3V to the BLIGHT- pin and BLIGHT+ to the transistor collector, how does that work? Where does P4.0 come from?

PaulRB:
I don't see the msp430fr in your schematics?

FredScuttle:
You are feeding +3V to the BLIGHT- pin and BLIGHT+ to the transistor collector, how does that work? Where does P4.0 come from?

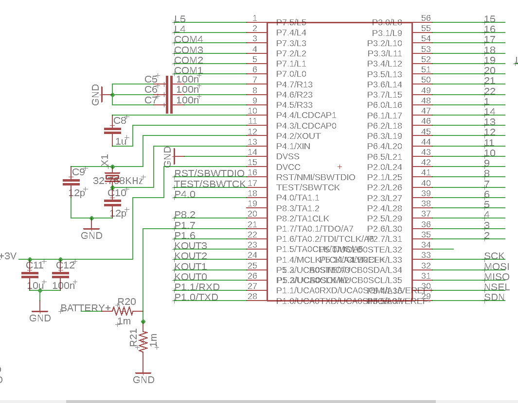
Here you can see my msp430fr4133 circuit.

My guess, knowing so little about your project, is that the esp is pulling more current because it is transmitting continuously while trying to connect to some server over the internet, and failing. The current spikes will be too short to measure with a multimeter, you can only see their true peak value with an oscilloscope. USB only supplies 500mA, perhaps you are close to that when the backlight is on, and the spikes are going over the limit. So maybe try a 1A 5V supply? Or a very large cap like 470uF close to the power pins of the esp.

PaulRB:
My guess, knowing so little about your project, is that the esp is pulling more current because it is transmitting continuously while trying to connect to some server over the internet, and failing. The current spikes will be too short to measure with a multimeter, you can only see their true peak value with an oscilloscope. USB only supplies 500mA, perhaps you are close to that when the backlight is on, and the spikes are going over the limit. So maybe try a 1A 5V supply? Or a very large cap like 470uF close to the power pins of the esp.

I have 1000uF electrolytic capacitor in my inventory. I replace it with C13 and it solved my problem. I will get 470uF on Monday and i will try it. Thanks a lot