Help on Panasonic GD-95 LCD

Hi all!
I dismounted some broken cels and find out that a panasonic GD-95 had a nice LCD.
it seems simple to sold the wires on that and it seems to me also simple to control, but i need your expert opinion.

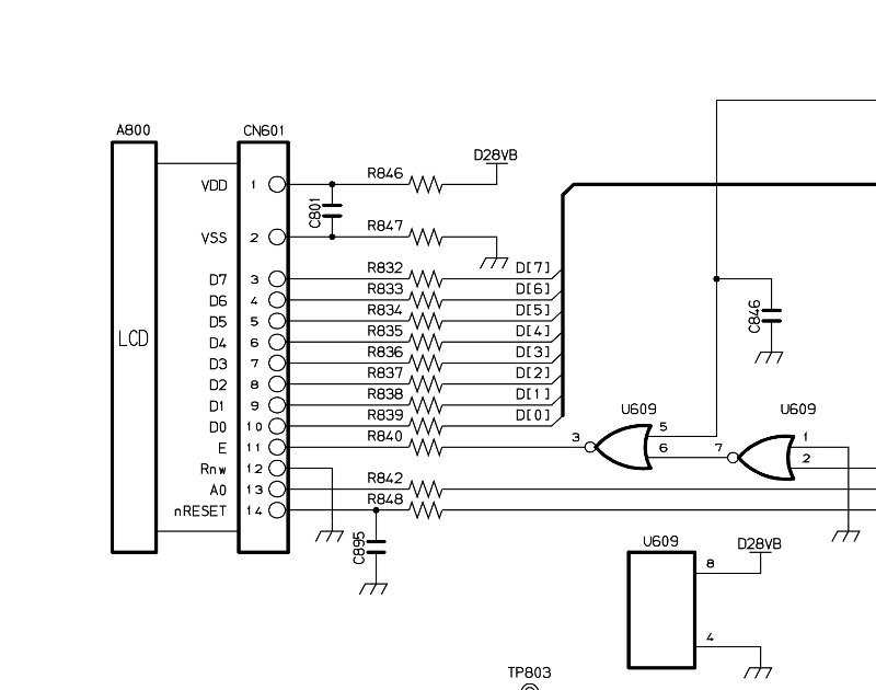
it has 14 pins, and according to the specs found online pins are those in the attached jpg.

do you think i can use the Liquidcrystal library?
if i'm right:

Vdd = Vin 5V
Vss = Vout? (to use for a pot with A0 to set contrast?)
D0 -> D7 = digital byte. parallel comunication.
E = enable
Rnw = Read and Write?
A0 = i think thats for the contrast...can it be?
nReset = Reset..

please, if you can, tell me if i'm right or not.
Ciao, Davide.

Panasonic_GD-95.jpg

Any idea?

Vss = Vout? (to use for a pot with A0 to set contrast?)

VSS = common or ground.

A0 = i think thats for the contrast...can it be?

A0 = address 0, possibly equivalent to RS.

do you think i can use the Liquidcrystal library?
if i'm right:

These terms are certainly similar to those of both the Character and the Graphical LCD module pinouts. I suspect that this one is graphical so that's where I would start.

Don

thanks.
didn't know about Vss = Ground...

i'll try to follow your suggestion. GLCD. thanks!

no. nothing happens. tried in different ways, but never turned on anything.
then i've tried to put it back on its board but didn't turn on. maybe i've burned something..

i'm going to try again with a nokia 3310, i've two of them, but it's very difficult to put wires on it!