Ideas on running an opto-isolator across a wide voltage

Hi all

I need to throw 3.3v to 24v DC (Preferably 30v DC) into a 6n137 Opto-isolator to feed a 3.3v input on a nano 3.3v.

Basically, a wide range input. which I may include AC as well.

So, my thinking was to first fire the input through a suitably rated bridge rectifier to obtain DC, and then I was thinking of then going to a suitably rated 5v regulator (there is 5v on the board as well), which then feeds the 6n137 input led through a resistor.

Am I making that too complicated?

The 6n137 led supply i think is around 10mA at 1.4v. I don't think I can stay within the voltage bounds (1,1v - 1.7v) with a simple voltage divider.

Any thoughts on a simpler way?

What is the minimum input duration expected to arrive at the Opto ?

Could be on for hours.
Don't think the 5v regulator idea will fly, as I can't find one that does such a wide input range.

Plus, if the input (ideally) is starting at 3.3v, then the output is likely to be minimum below that (I.E.... Not 5v).

Possibly use more than one reg to widen the input span I suppose

To condition the signal, suggest using a voltage comparator like the LM339.

You can build a simple constant current source with a FET or BJT and a resistor.

AC is special in so far as it either appears on the output as well, or is slowed down by some (RC) filter.

1 Like

Just for context. This is a row of inputs on a device that literally could have anything thrown at it.
The old device has multiple banana plug inputs for 3.3v, 5v, 9v, 12v, 15v etc
All working on voltage dividers.

I want to isolate this input from the processor and reduce the huge footprint of all these banana sockets.

When you say using a voltage comparator... or a constant current source... I have no idea how to design that. I will have to Google.

My simpleton brain just though of a collection of TO92 (or similar) voltage regs of various ranges but the same output. Throw the individual outputs through in4001's and mix them to the Opto-isolator input.

Crude I know

This is constant current circuit which i used many times. just i forgot the correct position of 47R and 100R. so better change positions if circuit does not work. it was confirm working from 5 to 30 volts. not sure for 3.3 volts. give it a try


LED on base is not for light but part of constant current source.
If reverse polarity protection is not needed then remove diode. it will surely start working from 3 volts then.

1 Like
  • For the comparator circuit, the starting point would be this circuit.

  • A zener diode on the input can limit the input voltage to say 5v maximum.

  • Hysteresis can be added but probably not needed in this situation.

  • The LM339 will need a power supply, 5V to 36V will do.

  • Adjust R2 for the trigger point.

The same without a comparator.

  • Yes.

  • However, if a bridge is used, that eats up 1.5V from a 3V i/p with not much left for the Opto LED :thinking:

  • Also we need to know if AC zero cross over is a problem with the Opto toggling at 50/60 Hz.

  • We need to know more about what the design is all about.

Thanks all for this valuable info.... I will throw some prototyping onto a breadboard and have a tinker.

AC was a 'like to have' but not critical. The original is DC only, so probably best to stick with that.

  • Yes but asking for AC as an option does make the design a bit more involved.

  • As long as there is some voltage (ex: 1.5v) left after the bridge, the LM339 circuit should work well.

  • R2 can be a ten turn 10k potentiometer with R1 selected as needed, start with 10k.

  • As mentioned, Vcc can be 5v to 30v, suggest 5v.

  • There are 4 comparators in one I.C. hence a second stage can be used if a filter is necessary.

Thanks all. I have all these components in the workshop, so I will see what works best.

The signal just tells a processor (3.3v high = on) to change the state of indicators on a touchscreen and also trigger outputs.

There are 10 inputs, each with 3.3v, 5v, 9v, 12v, 15v, 18v and 24v input plugs (plus ground).
As you can imagine, that makes 80 input sockets and takes up a HUGE amount of panel space.

I want to reduce that to a single input and ground for each channel so that I can tidy up this old bit of kit.

  • Some 25 years back did the same thing, different application.

  • The comparator approach worked perfectly.

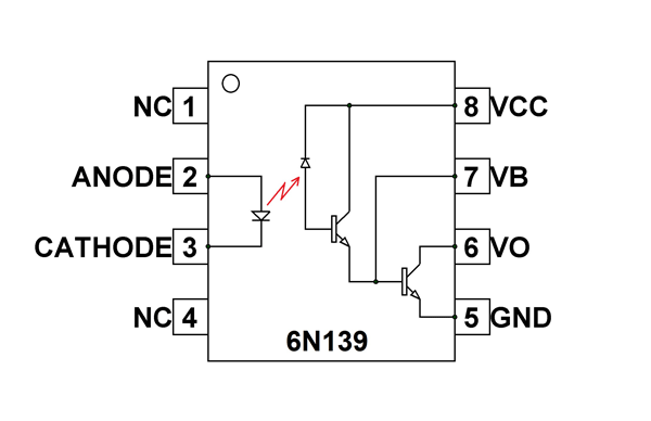
  • Think a 6N139 was used but no big difference.

image

Good luck.

So overly complicated solutions! It can be done so much simpler: just get a suitable series resistor in the input, and a weak enough pull-up in the output. Unfortunately not for the 6n136, though, you'll have to use a cheaper part.

If you want AC, you can use an AC in DC out type of optocoupler, such as the H11AA1.

For the 6n137: absolute maximum forward current for the LED is 20 mA, but its minimum is 5 mA. If you want <20 mA at 30V, use a 1k5 resistor, but then at 3.3V the current in the LED is just 1.3 mA, not enough for the 6n137 to switch on.

In case of the PC817, the story is very different.
Vf of the LED is 1.2V, CTR is at least 50% (for some versions up to 300% guaranteed).
Use a largish pull-up resistor, to limit the collector current. 10k gives 0.33 mA Ic at Vcc = 3.3V.
On the input side, a 2k2 series resistor. Now you have 13 mA at 30V, down to 0.95 mA at 3.3V.
This will work great with all signals under about 10 kHz. Higher frequencies may be a bit iffy.

For the H11AA1 the calculations are different as it's minimum CTR is just 20% but it its LEDs are rated up to a very high 60 mA. A weaker pull-up resistor of 22k would be the easiest solution - 0.15 mA Ic, which at 20% CTR needs >0.75 mA through the LED.

This is the simplest solution I can come up with.

3 Likes

The 6n137 has logic output, not a basic transistor based output. That makes it a very different animal.

  • That’s a good solution.

  • Need to see if it works at 3V3 input.

Thanks. I don't have any H11AA1's around, but I may grab some for a trial

You'll need a 1/2 W resistor for that.

Like I said no big difference.

Output is an output is an output. :wink:

1 Like