So I use HD44780 compatible LCDs alot, and got tired of using up so many pins on my Arduino. I did some research and found this alternative. Arduino Playground - LiquidCrystal Library
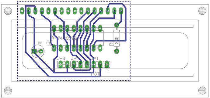
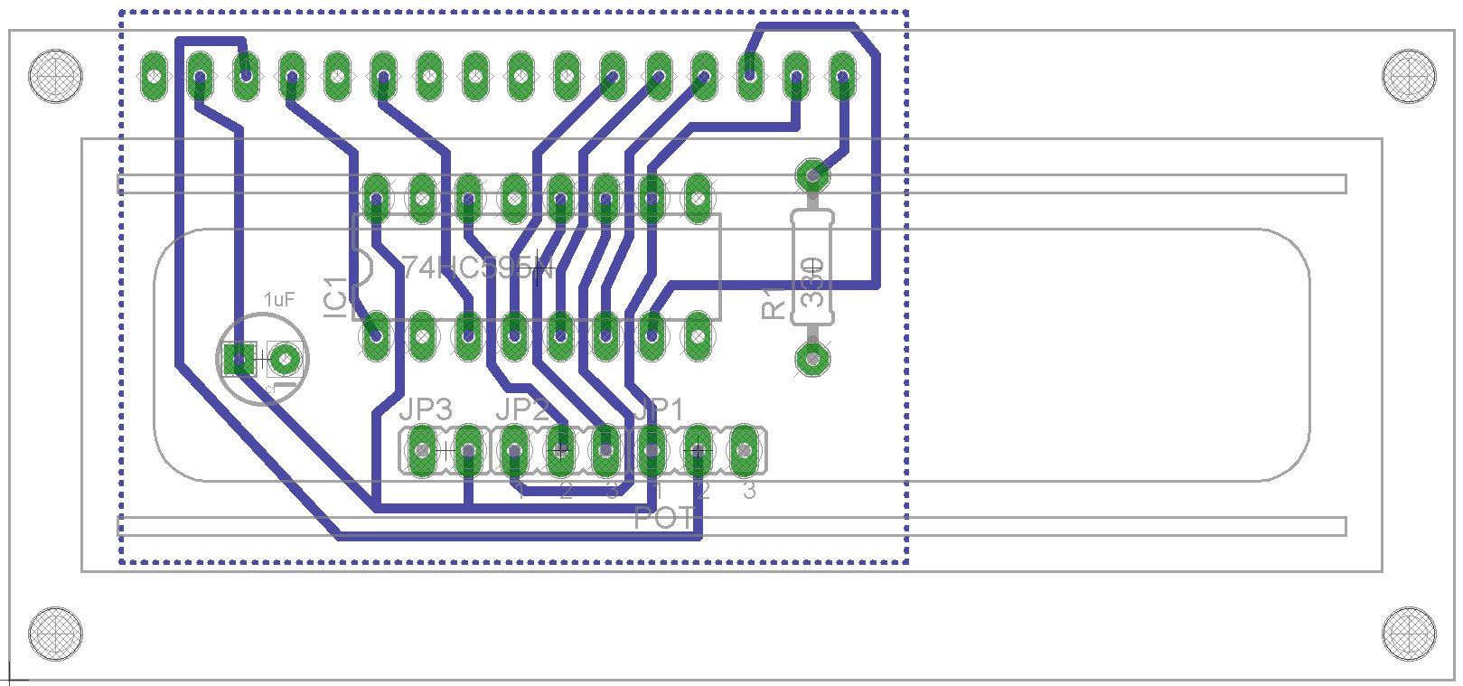
I took it a step further and design a board, one sided for home etching, and it works PERFECT.
It utilizes a shift register (74HC595N) and the library replacement via the site listed above. The liquidcrystal library, after the upgrade, works as the old, only that you need to declare the SPI library when using the designed board.
I've attached the Eagle files for my rendition of a homemade interface.
LCD Shift SPI.sch (182 KB)
LCD Shift SPI.brd (39 KB)

