Netzteil Ansteuern

Hallo

Ich möchte eine Servernetzteil ein und ausschalten, dafür gibt es an dem Netzteil 2 Pins die gebrückt werden müssen.
An einem dieser Pins liegen ca. 5V an.

Ich wollte nun die 5V bei einem Transistor IRF520 an Pin D anschliessen und den anderen Pin von dem Netzteil an S. Im Ling ist der Schaltplan

Schaltplan

Hallo,
ich würde das mit einem Relais ein. ausschalten.
Du weißt nicht, was mit "diesen 5v" im Fehlerfall passiert.
Gruß und Spaß
Andreas
P.S. setzt den Link mal zum "anschauen"

Wie meinst Du das im Fehlerfall ?

neuling321:
Ich möchte eine Servernetzteil ein und ausschalten, dafür gibt es an dem Netzteil 2 Pins die gebrückt werden müssen.
An einem dieser Pins liegen ca. 5V an.

Ich wollte nun die 5V bei einem Transistor IRF520 an Pin D anschliessen und den anderen Pin von dem Netzteil an S. Im Ling ist der Schaltplan

Poste das Schaltbild bitte hier im Forum, dann müssen wir nicht irgendetwas runtergeladen und werden auch nicht mit Werbung vollgemüllt.

Hallo,
"Wie meinst Du das im Fehlerfall ?"
z.B. ein richtig fetter Kurzschluss im/am NetzTeil.
Gruß und Spaß
Andreas

Um Fehler fern zu halten, eignen sich auch Optokoppler.
Aber ohne Schaltbild hier im Forum ist eine genau Aussage schwer.

Wie bekommt ihr das Image hier in den Thread? übersehe ich da was?

neuling321:
Wie bekommt ihr das Image hier in den Thread? übersehe ich da was?

damit:
insert_an_image.png

Also:
zuerst hochladen
dann einfügen

Dann kann ich es doch auch so machen :slight_smile:
Dann brauche ich nichts hochladen :slight_smile:

neuling321:
Dann kann ich es doch auch so machen :slight_smile:
Dann brauche ich nichts hochladen :slight_smile:


Genau das war ja mit "hochladen" gemeint :slight_smile:

Aber sichtbar wird das Bild erst mit "insert an image".
Dazu musst du den Beitrag noch einmal editieren.

Bilder werden bis 500 Pixel Breite in Originalgröße angezeigt.

Ok, danke

Jetzt zurück zum Thema, wäre das Elektrisch den richtig wenn ich das Netzteil so wie oben beschrieben an den Transistor hänge?

Mach es mit einem Relais oder Optokoppler, wie schon geschrieben.

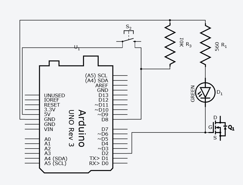
Die LED sollte gedreht werden.

neuling321:
An einem dieser Pins liegen ca. 5V an.

neuling321:
Jetzt zurück zum Thema, wäre das Elektrisch den richtig wenn ich das Netzteil so wie oben beschrieben an den Transistor hänge?

D2 wird gegenüber GND vom Arduino HIGH, womit auch der Transistor mit GND vom Arduino verbunden werden muß. Das führt wiederum dazu, daß GND des Arduino mit "dem anderen Pin" des Netzteils verbunden werden muß. Welches Potential hat dieser "andere" Pin? Wenn es GND vom Arduino ist, dann kann es funktionieren. Wenn nicht oder wenn Du nicht sicher bist ... siehe #12.

pimuc:

Die Schaltung hat einen Nachteil; Der Mosfet bekommt Spannung über die LED und ist solange Eingeschaltet bis der Pin des Arduino als Ausgang deklariert wird.
Ich korrigiere, Die LED ist falschherum.

Grüße Uwe

neuling321:
Ok, danke

Jetzt zurück zum Thema, wäre das Elektrisch den richtig wenn ich das Netzteil so wie oben beschrieben an den Transistor hänge?

Wenn Du die Masse des Netzteils mit der Masse des Arduino zusammenschaltest dann ja.
Wenn Du das nicht machen willst dann brauchst Du ein Relais oder einen Optokoppler.

@SkobyMobil

PS_ON# hat einen Pullupwiderstand und daher kommen die 5V. Das Pin kann ohne Probleme mit Masse kurzgeschlossen werden.

Grüße Uwe

Hallo zusammen

Habe es jetzt mit einem 5V Relais gemacht.

Danke für die Hilfe.

neuling321:
Hallo zusammen

Habe es jetzt mit einem 5V Relais gemacht.

Danke für die Hilfe.

Ist ja auch die einfachste Lösung für dein Problem.