Outdoor all year round sensor needed

I'm after someone to build, or at the very least draw up a set of build instructions and code that I can then follow and replicate, for an outdoor all year round sensor.

Message me for further details.

A sensor for ... what?

Message me.

Why not simply tell everyone, and they can decide without wasting any further time?

3 Likes

Wonder how long the term of this particular NDA is going to be...

For outdoors, of course.

So, something that detects a ceiling / no ceiling.

1 Like

No, no,no. It's an elephant detector.
Obviously it's elephants :elephant: that don't fit indoors. Could be buffalo or giraffe rhinos are too rare to need a sensor.

2 Likes

Outdoors are the ones with "EXIT" signs hung over them.

1 Like

Unless you're wearing a raspberry beret.
The kind you find in a secondhand store.

It's all we ever talk about.

I had to research that one!

That's when I saw her, ooh, I saw her
She walked in through the out door, out door

3 Likes

A round sensor is not an easy thing to find as most PCB ar
He rectangular. It is possible I read it wrong and maybe you are trying to detect round objects then I recommend you use a more powerful system than Arduino as image/video processing is beyond what most Arduinos can handle.

Hope this helps,
wade

1 Like

Yes, but is there is a requirement for the sensor to actually 'work'

Most sensors can be made round by using a belt sander.

1 Like

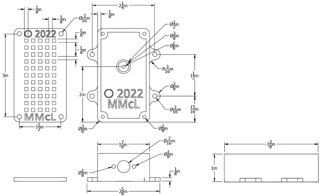
3D printed enclosure and cable for DHT-11 or DHT-22 sensor for temp/humidity.

BME-280 mounts with single #4 screw and adds baro.

Weather logger project

https://create.arduino.cc/projecthub/madmark2150/talking-alarm-clock-with-8x8x4-matrix-display-2ae9f6

But it's not round.

And how would you tell if you're outdoors or not just based on a DHT11 or DHT22? That'll at least require a real good machine learning algorithm.

You want round? we got round!


I 3D print any shape you can imagine!




Is that housing and wiring suited for a sensor that is outside the doors of a low earth orbiting satellite ?