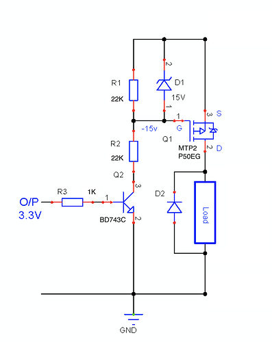
P-Mosfet for high voltage switching

I went along with this solution


Thanks again to larryd and MarkT for suggesting it
So far so good, everything works, nothing is really heating up.
I assume it's a success :slight_smile:

1 Like