Buenas,
con mis ganas por avanzar me creé mi propia placa de 6 relés de estado sólido con SNUBBER para continuar con uno de mis proyectos para subir y bajar persianas (tengo muchas en casa).
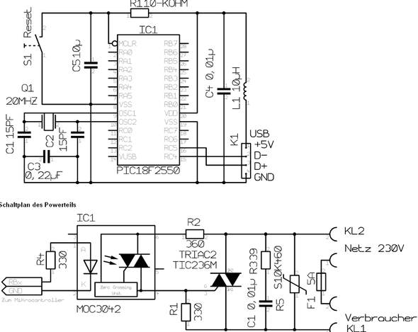
Para ello empleé los siguientes componentes con el siguiente circuito:
Esta es mi placa:
La placa es alimentada desde el propio arduino.
El tema es que al ir a probarlo, al princiìo todo bien, hasta que a los dos minutos se quemaron unas resistencias de un relé (la de 470ohm y la de 360 ohm), y uno de los triacs comenzó a fallar. Tenia entendido que los tríacs podian aguantar mucha poténcia. El caso es que no tengo ni idea de lo que ha fallado.
Los relés habían sido probados uno a uno pero con bombillas a 220v
Alguien tiene alguna pista? Intentaria rehacerlo de nuevo.
Adjunto código por si alguien lo quiere ver.
Gracias
Persianas.ino (16.6 KB)
...hasta que a los dos minutos se quemaron unas resistencias de un relé (la de 470ohm y la de 360 ohm), y uno de los triacs comenzó a fallar
SI las resistencias se quemaron fue porque no tenian la potencia adecuada.
El triac en cambio, no se si se quemó, luego que se quemaran la resistencias o fue aleatorio?
Si se quemo luego que las resistencias lo hicieran es posible que circulara mucha corriente y se rompiera la juntura de la compuerta.
Si nada les pasó a las resistencias, entonces tiendo a creer que ese triac estaba dañado.
Hi,
Verificaste las especificaciones de los motores que estas usando. Pudo ser que hubo una carga que excedio la carriente del traic como un corto circuito a final de los alambres que alimentan el motor. Cuales son las especificaciones de los motores que estas utilizando para tu projecto. Conectates los alambres correctos al triac?. La entrada debe ir al T2 y la salida debe de ir al T1. Cerciorate de que estan conectados correctamente.
Te acosejo que tengas mucho cuidado pues estas trabajando con alto voltaje.Al tener los componentes al aire como los tienes tu puede ser la causa de un accidente. Cualquier descuido puedes terminar en el hospital.
Hi,
Otra casa que es importante que no tomaste en consideracion es que los traic requiren heat sink para disipar el calor que se genera cuando estan en operaciones. Si se calientan mucho causara que se destruyan. Esta pueder ser la causa porque se quemaron las resistencias debido que el triac fallo. Mi sugerencia aunque ya es tarde de usar los Zero crossing Solid State Relay con optocouples. Ya vienen echo y te daran seguridad.
Deberías haber usado el MOC3041 (soportan 400VAC max, recomendado), el MOC3031 (soportan 250VAC max) es para instalaciones de 110VAC.
Ambos tienen disparo por cruce por cero. Eso minimiza el ruido electrico. Evita que uses snubber.
Hi,
Te voy a recomendar un triac que yo uso para mis projectos usando voltajes de AC. Es el modelo BTA25600BW. Es un triac que esta completamenta aislado y lo puedes montar como un transistor estilo T0220 con dos tornillos a una lamina de aluminum para que sirva de heat sink sin problemas.En la lamina puedes montar los 6 triac pues estan aislados. Adjunto un documeneto con las especificaciones en pdf para que lo consideres. Para que se te haga facil es el que aparece en la primera pagina que parece un transistor RD91 BTA25 con 3 conectores de espada. Solamente lo que tienes que hacer es renplazar el triac que estas usando sin ningun problema. Yo uso un circuito similar usando un MOC3020 para mis projectos ya que es facil de usar.
bta25 .pdf (122 KB)
El MOC3020 no es zero cross y solo sirve hasta 250V.
jordibadiag es español, tienen 220VAC asi que lo mejor es el mo3040 que trabaja con tensiones hasta 400V y tiene disparo x cruce por cero.
Muchas gracias a los dos.
Entonces probaré comprando un triac BTA25600BW y cambiando el octoacoplador a MOC3040, aunque pensaba que el triac usado BT137 (de 8A y 600V) era más que suficiente. Que fustración!
Las resistencias son las correctas o sino como se pueden calcular?
Detalles de los 3 motores:
- Tensión: 230 V
- Frecuencia: 50 Hz
- Consumo de corriente: 0,86 A
- Potencia de Motor: 198 V
Las resistencias son las que indica la hoja de datos y si quieres cuidarlas que sean de 1/4W o 1/2W pero veamos..
La hoja de datos del MOC3040 presenta 1 esquema sugerido con triac.

Hay cierta disparidad con los valores de las resistencias. Pero el manual solo indica el esquema anterior.
Este tmb se ve seguido y creo que ha sido el que he usado en su momento.

Ahora recordemos que es un detector de cruce por cero, asi que la tensión al momento del disparo estará cercana al cero. Por supuesto que no es 0.
La hoja de datos dice que el valor tipico es 15 y el máximo 40V para que el sistema se inhiba de disparar.
Asi que supongamos que tenemos 15V
Ir = 15V/381 = 39mA
Entonces la potencia en las resistencias será i^2xR = 0.039^2x 330 = 0.5 Watts
Eso si fuera continua pero no lo es y es el peor caso.
Cuanto dura esto? dura algunos milisegundos porque para los que tenemos 50 hz cada semiperíodo es de 10 mseg y de 8.33 para los que tienen 60Hz
O sea que en 5mseg la tensión alcanza el valor pico de 1.41 x 220 = 310 Volts
Pero los 15V no puedo hacer regla de 3 simple porque es una sinusoide.
15V = 220 x sin(2xPIx50xT) => despejemos T
T = 1/(2xPIx50) *arc sin (15/220) = 0.00021719797 seg o sea 0.2 mseg.
Cuanto representa 0.2 mseg en un semiciclo de 10 mseg, pues solo el 0.2/10 = 2 %
O sea el 2% de los 0.5W? Claro que hay que integrar en el tiempo... y nos complicamos pero esta claro que la resistencia de 330 ohms no estará sometida a una gran disipación.
Espero no haberme equivocado.
Por esa razón no se suele prestar mucha atención a la potencia de las resistencias.
Si quieres entonces usa de 1/2 w pero con 1/4 Watt estarás bien.
El problema fue otro.
Madre mía que dominio!!!!
Muchisimas gracias surbyte, de mayor quiero ser como tu

Intentaré lo que has dicho y os informo. Por otro lado y para trabajar en paralelo, sabeis que relé SSD con snubber ya hecho puedo usar (marca- modelo...)?
En cierta ocasión utilicé 6 como los del a foto, pero me acabaron dando problemas y los cambié
Tauro0221, el BTA25600BW sale bastante cara la pieza, incluso por ebay, unos 5€ cada una. Alguna alternativa?
Hi,
Yo uso el el mismo circuito que tu usas y mi resistencias son 1/2 watts. Estoy de acuerdo con surbyte de usar el moc3041. Puedess hacer una prueba ya que el triac BT136 es de 600 voltiios y es que pruebes uno y lo apagas al minuto y mira ver si el triac esta caliente. Si esta caliente quire decir que vas a necesitar heatsink para dicipar el calor. Acuerdate que al arancar motor la corrient inicial va hacer alta y como es una perciana inicialmente va usar mucha corriente. Bueno en Mouser el triac vale 6.90 y en Ebay vi el mismo por 22.0 pesos. Pero en la forma que lo montas el facil para anadirle heatsink. Creo que mejor hagas la prueba para poder determinar en que direccion moverte. El bt136 es suficiente adecuado para el motor que estas usando.