Solar tp4056 esp01/led; tp4056 blocked

Hi all,

I have been installed a solar solution with tp4056 + lithium battery and esp01/led (to measure temperature/humidity).
The solution work correctly during the day.
When the sun go down (sunset) the solution work again until the battery for 4 Hours (limit 3V of lithium battery). After this 4 Hours (more or less 1AM in the mornig) the solution switch off (correctly).
I expect that when the sun (sunrise) the solution restart to work, but it isn't work.

It seams that the tp4056 is blocked/freeze.
For example (todaty) at 9AM the voltage of the solar pannel is 4V, but the tp4056 put out only 0.76V.
The solution starts when i reconnect the alimentation of the esp01/led or other element to the tp4056.
Attached the HLD of the solution.
any suggestion?
Peter

@peterpalombip, your topic has been moved to a more suitable location on the forum. Installation and Troubleshooting is not for problems with (nor for advise on) your project :wink: See About the Installation & Troubleshooting category.

If the battery is drained, when the TP starts charging the battery is not at full voltage and ready to supply current.

Are those 5V solar cells where their voltage drops below 5V when under load? Compare that to the minimum of the tp4056. I used 12V solar cells dropped down to 6V with a regulator fed into the TP.

You are using the TP4056 for load-sharing, it is not suitable for it.
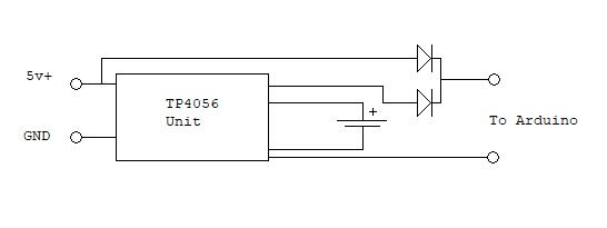
If you want to supply power from the solar to the ESP, you will have to provide it with regulated power straight from Solar. To separate the one line from the other you can simply use diodes.LiPo_TP4056_Loadshare
Of course you will have to make sure that the direct line also provides the correct voltage for the ESP using a regulator, but you will have to make sure of that anyway also from LiPo power (4.2v really is to much for the ESP)

The TP4056 an LiPo's are not suited for solar.

When it gets to hot the TP4056 will stop charging.

When it gets to cold the TP4056 will stop charging and the batteries will become damaged.

When the TP4056 is working the charge cycle will motor boat. A solar charger like PWM or MPPT will charge a battery to a certain level and then stop the charging till the battery drops below a certain level. The TP4056 does not have that kind of circuity. Instead the TP will start a rapid charge and discharge cycle that wears out the battery after 4 to 6 months. In the end the TP solution is not hands off.

I tried to run a solar powered weather station using a TP4056. After switching to a PWM charge controller and a LiFePo4 battery, I don't have to do anything to keep the project going, it just functions.

If the battery has discharged below 3V during the night, then the TP4056 will only provide one-tenth of the normal full charge current until the battery voltage rises above 3V. That's to protect the battery. But if your load is greater than that, the TP4056 will never shift into full charge current, and the battery will never charge. The basic problem is that your TP4056 charger is providing load current, whereas it should only provide charging current.

As Deva_Rishi says, you'll need to use a load sharing (also called power path) circuit so the solar panel can directly power the load so no load current ever flows through the charger. The TP4056 is not ideal for such a circuit, but I worked out a solution that seems to work fine, as shown below. But be mindful of the maximum voltage tolerated by the TP4056 and the op amp. A "5V" panel usually works, but a 6V panel's maximum voltage may be too high. Note the orientation of the P-channel mosfet, which seems backwards, but is correct.

The circuit is explained in the "Op Amp Version" section of my Github:

https://github.com/gbhug5a/Solar-Power-Load-Sharing

Of course you can just use two diodes as shown in Deva_Rishi's circuit, but then you have a voltage drop in the battery line, which effectively reduces it's life.

1 Like

This topic was automatically closed 180 days after the last reply. New replies are no longer allowed.