Switching a TTL level FET with a capacitor.

I'm thinking of using a piezo through diode (I have Schottky diodes) to raise one side of a small capacitor in hope that it would drive enough charge into the FET gate to open it. The cap would shield the FET from the piezo spike.

IF it could work, what ballpark capacitor would I be looking at?

I see Piezos as capacitors you can charge by squeezing, discharge by releasing.

I have put piezos through diodes into bjt's and that worked but this could be cooler and I have bags of 10 cent piezo discs.

The gate itself is already a capacitor (sort off).
Adding 10-100n between gate and source might be enough.
Diode leakage might be your enemy. I would try the 1N4148 instead of a schottky.
But, the piezo is also a capacitor (sort off).
Could be that the piezo is generating too much voltage when hit.
Make sure the gate stays below the abslute max GS voltage (with 12-18volt zener diode?).
Post a proposed diagram before going ahead.
Leo..

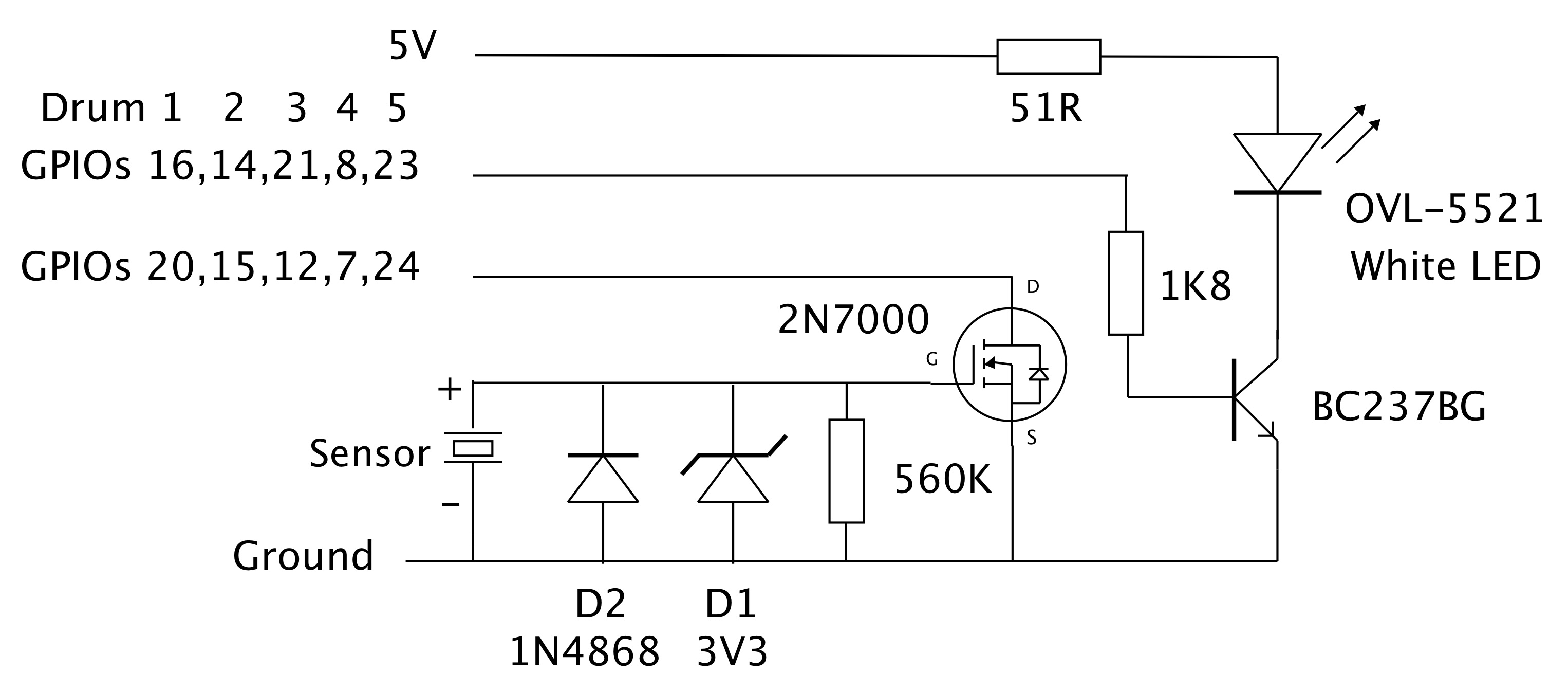
I did this without a capacitor, I had to put a Zener diode and reverse signal diode to clamp the voltage on the gate to protect the FET.
It was on a foot switch and without the protection the FETs would blow after about 9 hours enthusiastica stamping at a show.

The Zener lets overvoltage drain tp ground, the signal diode to prevent the voltage reversal when the piezo is let up from getting to the FET?

I used 2 diodes per piezo lead to keep the - to ground. Piezos are bi-polar between squeeze and release.

I view piezo spikes as thin and figure that between diodes and a cap the spike can be flattened to a pulse.
Maybe I need to learn more about piezo output....

Piezo elements and MOSFET gates are both basically capacitors - hence no need for another one!

I'd have thought a single zener is enough protection for the gate. Adding a back-to-back pn diode
to a zener is done when you don't want the zener to conduct in reverse (that is to say forwards
conduction in a normal diode).

If I connect one piezo lead to the FET gate, where do I connect the other lead?

What happens when I lift my finger and the piezo polarity reverses?

To the source. Use a zener or you'll just blow the FET immediately.

I'd have thought a single zener is enough protection for the gate. Adding a back-to-back pn diode
to a zener

No it is a parallel reverse biased diode. I would have thought that the zener would have conducted normally but on my scope tests it didn't so I had to add the diode.

Odd. A TVS bipolar perhaps?

A low-voltage zener is probably made with normal diodes.
A LED can e.g. be used as low voltage zener.
A 5.6volt zener definately works as a diode the other way.
Leo..

MarkT:
A TVS bipolar perhaps?

Maybe but I didn’t have one in stock.
The problem might have been the fact that this was for a 3V3 system so I did not want to take the gate much above this. Just using the 3V3 zener alone, still resulted in the destruction of the FETs after a period of use.