Hallo Zusammen,
ich habe mir ein TFT-Display gekauft mit folgender Bezeichnung:
3,2 zoll 320x240 Touch LCD (C), 3,2 "TFT display modul, ILI9325, XPT2046 Controller, SPI touch inter, Grafische LCD, LED-backlight.
Grund dieses Kaufes war, dass das Backlight separat gesteuert werden kann.
Nutzen wollte ich es an einem Mega.
Im Netz finde ich nur leider keine brauchbaren Infos zu den Pinanschlüssen, library's und Codes.
Kann mir hier vielleicht jemand weiterhelfen?
Anbei noch zwei Fotos vom Shield.
Vielen Dank im voraus.
Gruß
Manfred

             
            
              
              
              
            
            
           
          
            
            
              Shoplink?
Ich habe es wie von Dir beschrieben bei Ebay gefunden..
Interface
Note : this product should work with MCUs with 2.2V~3.6V IO voltage ONLY.
             
            
              
              
              
            
            
           
          
            
            
              Da gibt es passende Shields dafür. Schau mal beim großen Onlinehändler mit A am Anfang und on am Ende.
             
            
              
              
              
            
            
           
          
            
            
              Hallo,
die Pinbelegung ist doch beschriftet, Arduino-Libs für den XPT2046 Touchcontroller gibt es, eine Lib für den ILI9325 auch, ob die 16Bit-Ansteuerung auch kann habe ich nicht geschaut.
Wer kauft denn freiwillig ein Display mit 16Bit-Parallelansteuerung für einen Arduino?
Gruß aus Berlin
Michael
             
            
              
              
              
            
            
           
          
            
            
              Hallo Zusammen,
vielen Dank schon mal für die Rückmeldungen.
- 
Wer kauft denn freiwillig ein Display mit 16Bit-Parallelansteuerung für einen Arduino?
So ein Display kaufen Leute die keine Ahnung haben, aber jetzt habe ich es halt. 
 
- 
Die Pinbelegung am Display ist schon klar, aber wie ist die Pinbelegung am Mega?
 
Ein Sketch zum Testen wäre dann auch noch hilfreich, da ich noch Anfänger bin.
Ich habe ein anderes Display passend zu einem Mega, nur leider lässt sich bei dem Display das Backlight nicht separat schalten. Das ist der Grund warum ich mich für dieses Display entschieden habe.
Gruß
Manfred
             
            
              
              
              
            
            
           
          
            
            
              Hallo,
http://www.rinkydinkelectronics.com/library.php?id=51
die UTFT-Lib kann zumindest Deinen Comntroller und auch den 16Bit-mode. Im Ordner Dokumentation ist auch die Tabelle der Pin-Zuordnungen für verschiedene Arduinos usw. dabei.
Gruß aus Berlin
Michael
             
            
              
              
              
            
            
           
          
            
            
              Hallo,
vielen Dank für Eure Meldungen, nur leider bringen mir diese nicht weiter.
Das habe ich noch gefunden:
Keiner hier, der dass gleiche Display hat?
Gruß
Manfred
             
            
              
              
              
            
            
           
          
            
            
              Hallo,
wo liegt Dein Problem? Die Anschlüsse vom Display mit Dupontkabeln o.ä. entsprechend der BEschriftung mit den Mega-Pins aus der Tabelle in der Lib-Beschreibung zu verbinden? Die UTFT-Lib in der IDE zu installieren?
Ich fürchte, das wird Dir auch keiner abnehmen können.
Gruß aus Berlin
Michael
             
            
              
              
              
            
            
           
          
            
            
              
heli-freak66:
Keiner hier, der dass gleiche Display hat?
Das Problem ist, es gibt soviele Variationen und ähnliche Duplikate der Displays das man um zu helfen den echten Shop Link benötigt. Es soll sogar ein Hy32d mit ssd1298 Chip geben.
Wie oben schon geschrieben gibt es einen Ebay Shop mit Deinem Display, gleiche Screenshots das "Only 3V" ist, dafür gibt es einen Extra Zwischensteckbaren Shield "Doppelt gemoppelt" der dann zwischen 5V und 3V vermittelt.. sonst ist eventuell beim ersten Versuch das Display kaputt.
Ohne echten Shop-Link Raterunde. EDIT: Ich habe das gleiche Display mit 2.8" .. das kann SPI, hab ich am Raspi.
             
            
              
              
              
            
            
           
          
            
            
              Hallo,
sein Display ist zumindest von WaveShare:
Die sind eigentlich recht ordentlich auf ihrer Webseite. Unterschiede, Schaltung usw. sollten da zu finden sein.
Beispielcode für Arduino gibt es wohl keinen dort, auf die Idee, das jemand ein 16Bit-Display an einen Arduino hängen will, sind sie wohl nicht gekommen.
Was er da letztlich gekauft hat muß er wohl selbst rausfinden.
Gruß aus Berlin
Michael
             
            
              
              
              
            
            
           
          
            
            
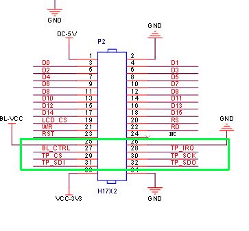
              An sich lässt sich das ganz Easy verbinden..
Bereite ein Flachbandkabel mit 2 reihiger 34 Pin Buchsenleiste vor.. Dazu noch einen Buchse zu Buchse Adpater.. da der MEGA2560 ja auch Buchse hat..
Man unterbreche in der Mitte alles was nicht Touchpanel oder Stromversorgung ist.. Stromversorgung kann man dann kreuzen..
Schon hat man in 5 Minuten das LCD fertig Adaptiert.
Z.B.:
18 Zoll 34-polig (2x17) 2,54 mm-Steigung Stecker/Buchse IDC Diskettenlaufwerk Bandverlängerung | eBay (Kann man sich auch selbst einzeln für 5Euro zusammenkaufen).
Im angehängten Bild.. Grün umkreiste Leitungen am Arduino direkt trennen und mit Pins versehen..
Der Mega hat auf einer Seite GND und auf der anderen 5V.. kreuzt man passend.
