7 segment Common cathode

Feddar:

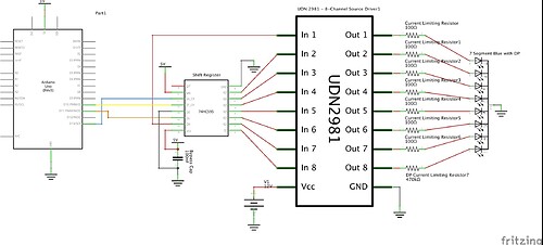
Just wondering if I need a bypass cap on the UDN chip?

Can't hurt, but probably not needed for an LED driver powered from separate 12V source.
Check this part as UDN2981 is obsolete and no longer in stock.

UDN2981

One of the rare Fritzing schematics we have seen posted that is readable. Nice.

Thank you for the encourangement.

What is the difference between the MIC2981 and UDN2981?